EasyManua.ls Logo

Tait TM8110 - Circuit Description

Tait TM8110
578 pages
To Next Page IconTo Next Page
To Next Page IconTo Next Page
To Previous Page IconTo Previous Page
To Previous Page IconTo Previous Page
Loading...
TM8100/TM8200 Service Manual Installing an Enhanced Remote Kit 533
© Tait Electronics Limited June 2006
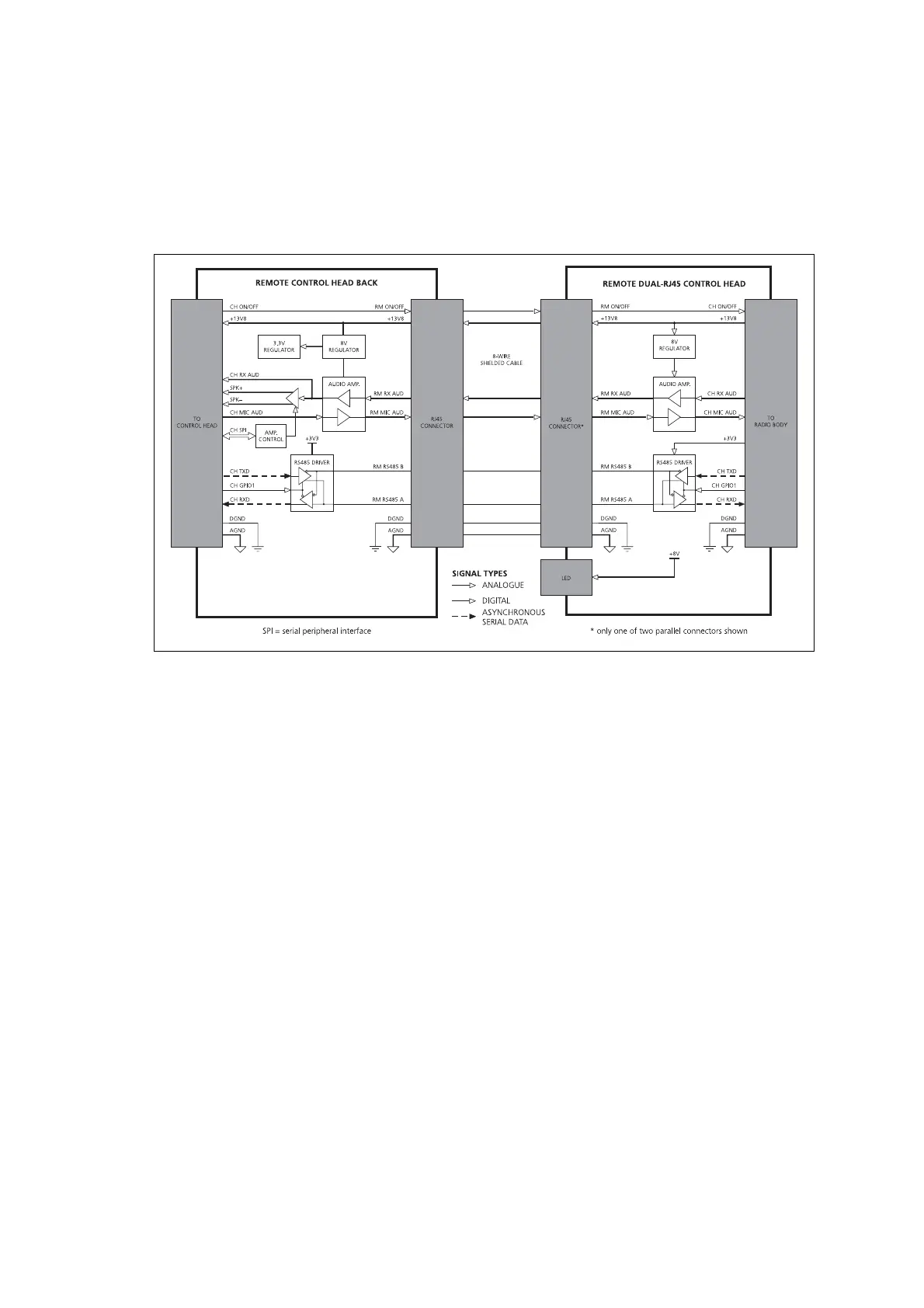
26.2 Circuit Description
Figure 26.3 shows a block diagram of the remote control-head installation.
Both control heads contain a circuit board with audio amplifiers and RS-
485 driver components.
Figure 26.3 Block diagram of remote control-head installation

Table of Contents

Other manuals for Tait TM8110

Related product manuals