EasyManua.ls Logo

Tait TM8110 - Page 523

Tait TM8110
578 pages
To Next Page IconTo Next Page
To Next Page IconTo Next Page
To Previous Page IconTo Previous Page
To Previous Page IconTo Previous Page
Loading...
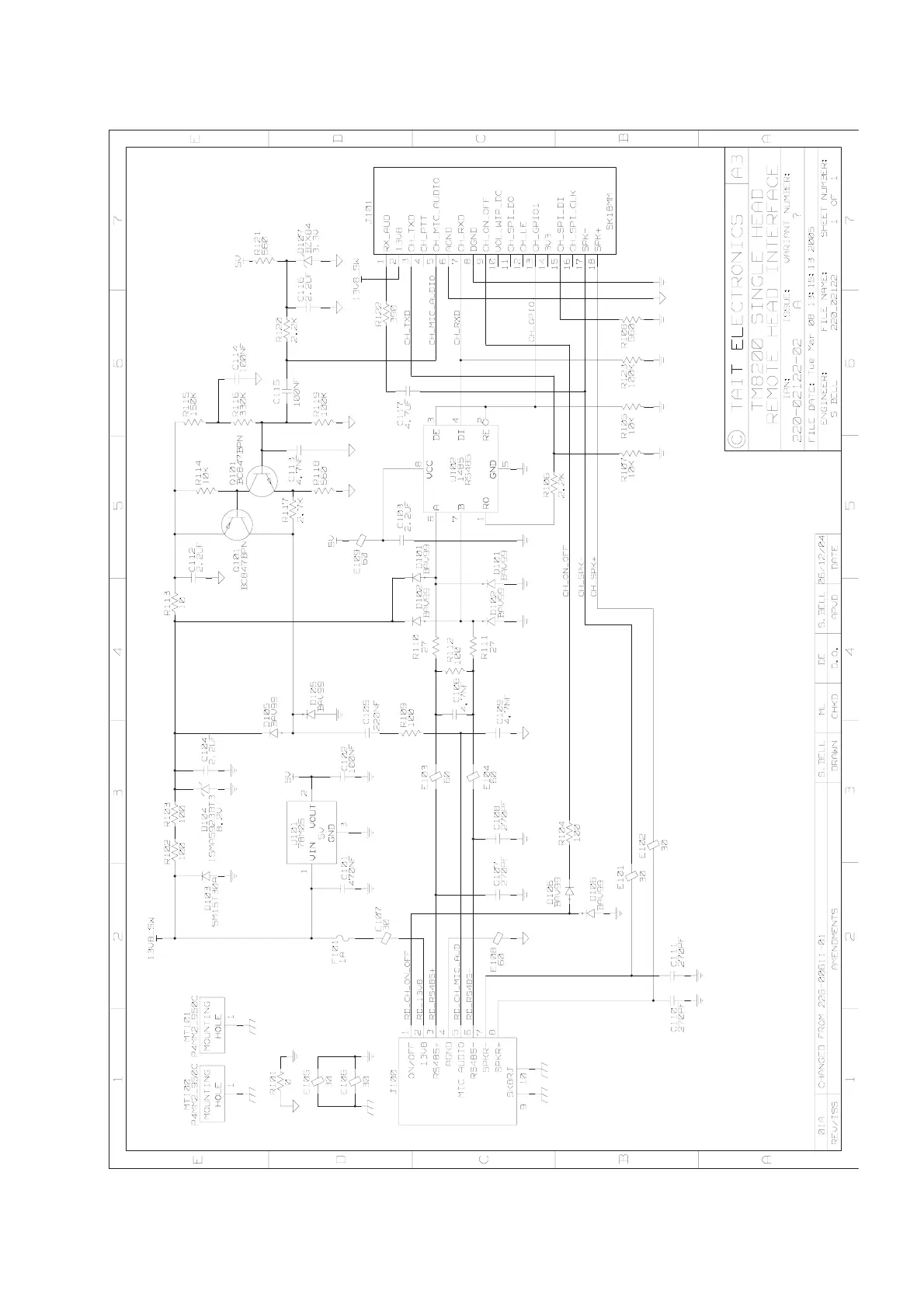
TM8100/TM8200 Service Manual Installing a Remote Kit 523
© Tait Electronics Limited June 2006
Circuit Diagram

Table of Contents

Other manuals for Tait TM8110

Related product manuals