EasyManua.ls Logo

Taylor C125 - Page 19

Taylor C125
36 pages
Print Icon
To Next Page IconTo Next Page
To Next Page IconTo Next Page
To Previous Page IconTo Previous Page
To Previous Page IconTo Previous Page
Loading...
APPENDICI - 4
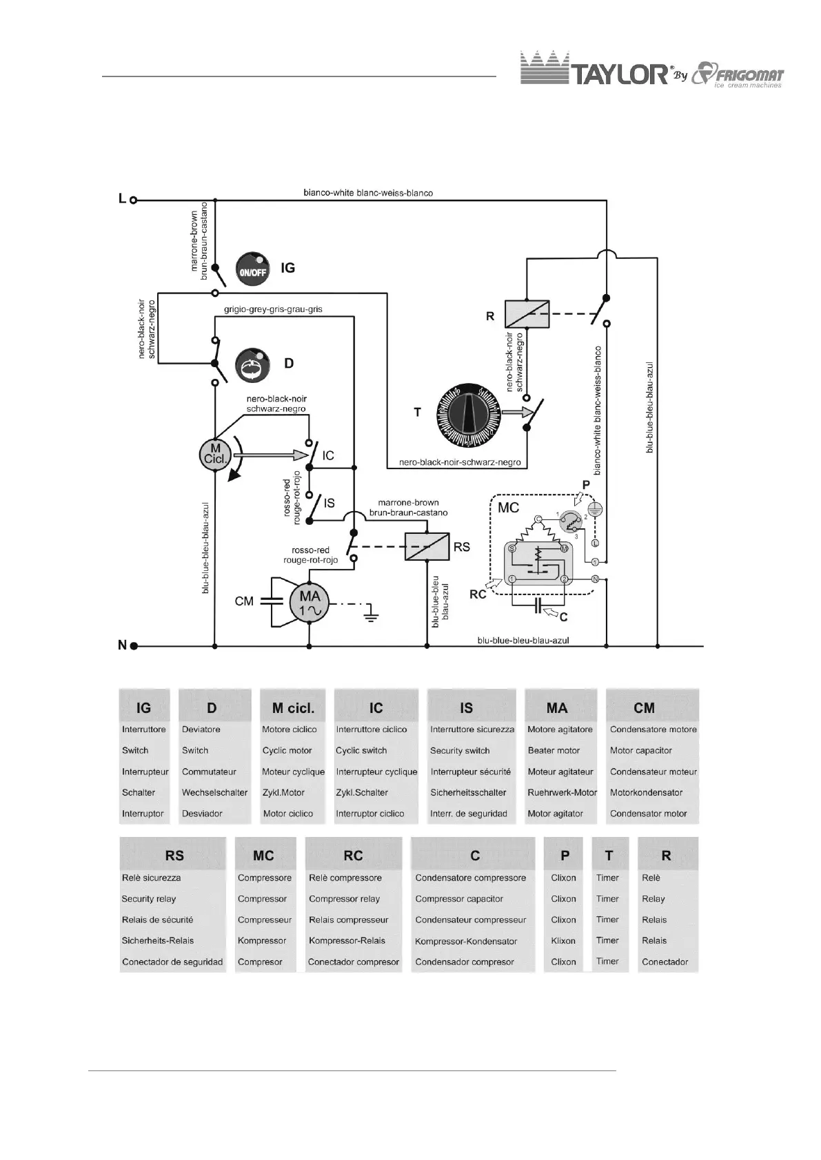
7.3 Electric System C124

Related product manuals