EasyManua.ls Logo

TCM FB20-8 - Page 72

TCM FB20-8
259 pages
Print Icon
To Next Page IconTo Next Page
To Next Page IconTo Next Page
To Previous Page IconTo Previous Page
To Previous Page IconTo Previous Page
Loading...
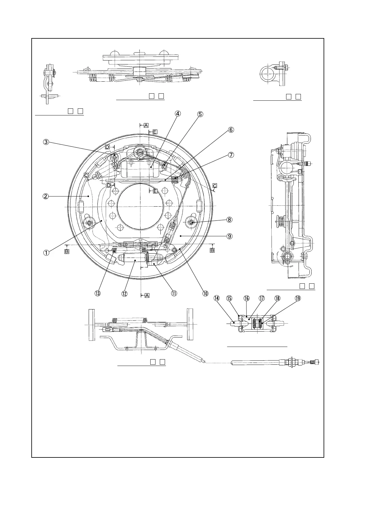
Fig. 5.12 Wheel Brake (3- to 3.5-ton Trucks)
Sectional view
D
-
D
Sectional view
C
-
C
Sectional view
E
-
E
Sectional view
A
-
A
Sectional view
B
-
B
Shoe expanding direction
Sectional view of wheel cyl.
1. BRAKE LEVER
2. SECONDARY SHOE
3. E RETAINER
4. WHEEL CYLINDER
5. RETURN SPRING
6. STRUT
7. SPRING
8. SHOE HOLD-DOWN
PIN
9. PRIMARY SHOE
10. SPRING
11. ADJUSTER LEVER
12. ADJUSTER
13. SPRING
14. PUSH ROD
15. BOOT
16. CYLINDER
17. PISTON
18. SPRING
19. CUP

Table of Contents

Related product manuals