EasyManua.ls Logo

Teac A-2340 - Page 32

Teac A-2340
34 pages
Print Icon
To Next Page IconTo Next Page
To Next Page IconTo Next Page
To Previous Page IconTo Previous Page
To Previous Page IconTo Previous Page
Loading...
NOTES
01,02,
04,08
:
FR2-06
03;
FR2~-10
Hp)
o-
fe
0.141200
Le»
RECMMODE
SW
BIAS
BOARD
A
—@
—@
t+—
@
REC
MODE
SW
cw
Cao
Rivi5K
=
3.34+4.77160V
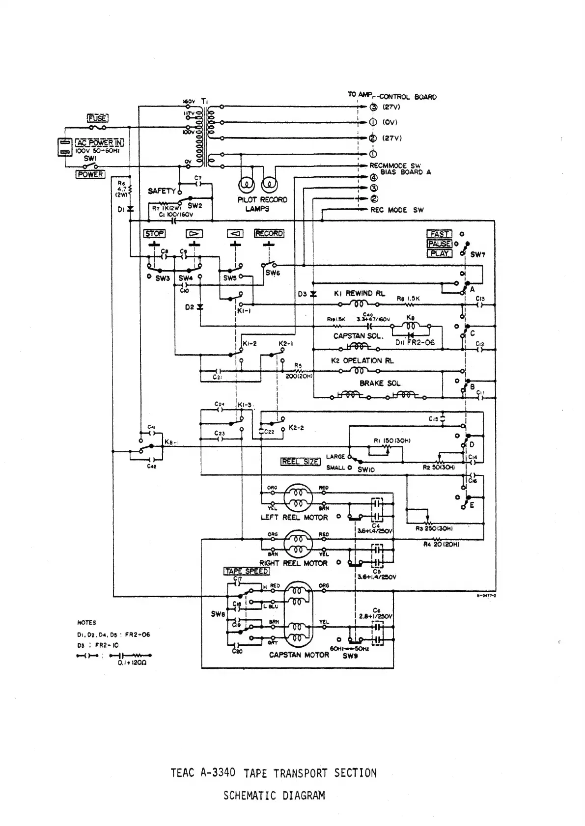
TEAC
A-3340
TAPE
TRANSPORT
SECTION
SCHEMATIC
DIAGRAM
W047
T+?

Other manuals for Teac A-2340

Related product manuals