EasyManua.ls Logo

Teac A-3300SX - Page 50

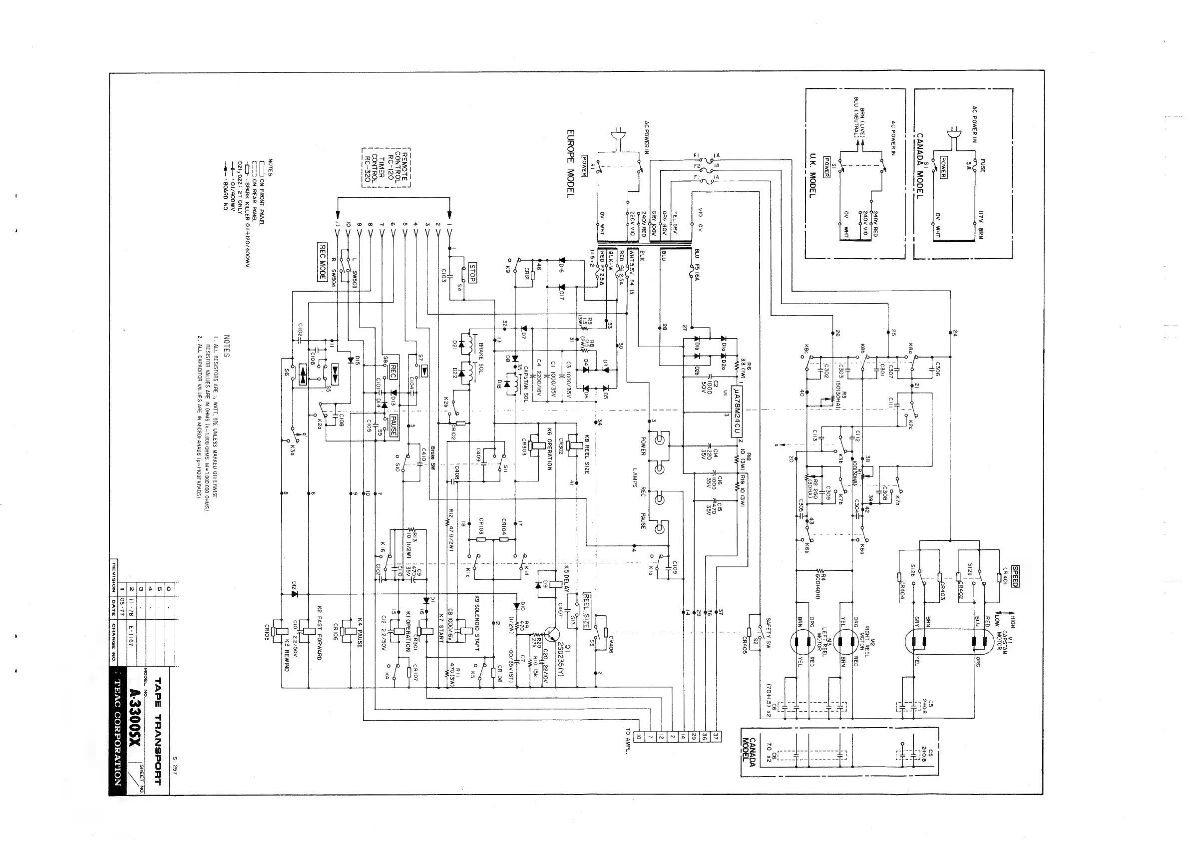
Teac A-3300SX
59 pages
Print Icon
To Next Page IconTo Next Page
To Next Page IconTo Next Page
To Previous Page IconTo Previous Page
To Previous Page IconTo Previous Page
Loading...
117V
BRN
AC
POWER
IN
Ss!
CANADA
MODEL
'
|
AC
POWER
IN
|
'
!
|
ee
BRN
(LIVE)
|
BLU
(NEUTRAL)
nie
'
|
t
Ss!
[power]
U.K.
MODEL
240V
RED
240v
vio
BLU
F5
164
YEL
Sav
ORG
ov
GRY
Jjoov
240V
RED
220v
VIO
AC
POWER
IN
o\_Lo
RED
FG
2.54
uw]
dts
OV
WHT
RED
7
2.5A
Si
(Power)
EUROPE
MODEL
M2
RIGHT
REEL
MOTOR
ORG
RED
R3
0303
150(30HA)|
R6
|
Rig
3.3
(1W)
|
2
10
(3W)
HA7BM24CU
RI9_
10
(3W)
BRN
YEL
M3
R4
LEFT
REEL
600(40H)
MOTOR
ORG
“oN
RED
ern
(
J
)veu
So
SAFETY
SW
(7041.5)
x2
7.
CANADA
MODEL
7]
CR406
D6
K8
REEL
SIZE
32
al
3
REEL
SIZE
C3
1000/35V
:
Lt
|
CR302
Ch
OreeN
K6
OPERATION
CR303
C4
2200/16V
CAPSTAN
SOL
35
Reo
Pongal
3
|
Dig
BRAKE
SOL
17
crioa
|]
»K5
DELAY
oO
Si3
ary
cao7
2$D235(Y)
(172W)
100/35V
(ST)
CRIO8
crios
[|
18
D2i
022
Ri2
47
(172W)
(greiner
eerie
|
|
REMOTE
|
|
CONTROL
!
i
RC-120
|
TIMER
CONTROL
|
RC-320
|
L
SWw503
R
SWS504
NOTES
(J
ON
FRONT
PANEL
CI~T
ON
REAR
PANEL
+
-
SPARK
KILLER
0.1
+120/400WV
D21,022:
2T
ONLY
—tt-
:
0.1/400WV
—e®—
:
BOARD
NO.
RI3
10
(172W)
K4
PAUSE
NOTES
1,
ALL
RESISTORS
ARE
WATT.
5%,
UNLESS
MARKED
OTHERWISE
RESISTOR
VALUES
ARE
IN
OHMS
(k=1,000
OHMS,
M=1,000.000
OHMS)
2.
ALL
CAPACITOR
VALUES
ARE
IN
MICROFARADS
(p=PICOFARADS)
tet
CRIO6
K2
FAST
FORWARD
ClO
°2.2/50V
K3
REWIND
CRIOS
TAPE
TRANSPORT
MODEL
NO..
SHEET
NO.
A3300SX_
|
~
TEAC
CORPORATION
E-1167
11-78
Pa
fos77[

Other manuals for Teac A-3300SX

Related product manuals