EasyManua.ls Logo

Teac A-3300SX - Page 51

Teac A-3300SX
59 pages
Print Icon
To Next Page IconTo Next Page
To Next Page IconTo Next Page
To Previous Page IconTo Previous Page
To Previous Page IconTo Previous Page
Loading...
LEFT
RIGHT
LOW
HIGH
TAPE
SOURCE
-
inéha
=>
fre
5
RECORD
ERASE
RECORD
ERASE
SW500-1
x
x
£<—___4
é
-
808
4
Ep
wEhee
NiCMMBC
HOARE
SNC
ELON
ELM
ROABE?
Pt
a
ee
SO
=|
PLAYBACK.
MIC
AMPL.
BOARD
LINE,
PHONE
AMPL,BOARD
©207.
100P
|
|
2408
|
|
R208
56k
A
rza9,
150
je
$
|
|
R206
T
R27
|
ac206
R202
227
R215.
|
ae
aay
|
To
68k
100/25v
eae
ore
201
|
REC
BIAS
vy)
(ku)
|
clot
OUTPUT
|
C20!
eaey
tert
loviev(T)
=
1/50V
3008
6.2v,
|
et
ot)
R102
i
(LR)
R201
‘ok
C203
tk
RUT
Rie
|
|
Ik
i
RIOL
+
—Wv-
I.
270k
I
c202
R104
Ria
Lens
VR5OI
|
|
203%
lo/ibV-gR205
56k
220k
|
100A)
|
47kF
(pT)
rt
+
!
d
4
Play
Back
+
+
+
1
+
i
|
R123
BRIS
cog
ERIE
|
|
|
Re2e
|
RI20 cize
+
i
|
cas
{
]
id
R220)
}R223,
Rai
|
oo
?
Jy
J
RIGHT
[
ca
|
c2i4
ah
$ez01
|
“cie
ZRi2z
|
Fc219
|
J
|
|
a
|
|
|
pees
eee
es
tea
e,
pn,
eo
coe
=
ee
ee
Z
BIAS
OSC
BOARD
Q40!
2SC!1384
(Q)
Sa
|
|
Q)_
2404
a7K(i72
|
|
®
|
f
eNees
3504
T401
Egy
\ca0e
00047
-
|
405
R08
ee
ee
ae
5
4200P/300V7-
Tons
daw
OuT
PUT]
[R]
|
\
nas
=
ae
408
|
0.033/150V
00047
|
REC
£0
OUTPUT
|
i
ae
te
3
mH
caol
Race
i
R401
220/35V
Be
|
i
tr
2
Low
|HiGH
tape,
[source
__|
3,
56
(IW)
2
o>
72)
|
y
SWS00-2.
vc4ol
(aad
SW506-!
‘Sw502-3
49!
VUl
Lemme]
sg
;
Se
C406
;
|
A
ra
4
01/400v
!
|
veage
1
A
0.0047
5
oe
|
+
1
mo
0
op
pe
~o-
ak
Gane
a
ae
z
J
RECORD.
METER
AMPL
.BOARD
+
VvC403
I
zl
Sere!
6
|
|
|
L____|__s4_Sffs_
\
68
I
e
'
|
|
|
+
——
1
R307,
15k
|
:
“|
__
R305]
a
|
|
|
Brae
ae
ig
R302.
12k
R
R323;
x
0701
|
|
ve4aos
i
XD
R3I7z
22k
68k
C3I7,
,3.3/25V
IN6O
-
pi
R301
Q301
V.
C309
1302
10,
ik
4208
70¥,
499
383"!
10725V
47k
uv)
C312
-3mA
et
cargcl
cask
316
Sue
|
+
at
oT
ene
a
Si
0302
f=
9304
|
|
|
C3
!
1725V
|
4
K401
10725V
t€
)
KE:
S5V
cao
|
I90v
|
R313.
C313
R322
1
ae
0001s
>
ls
4
|
R303¢
c307
9
Genes
2
We
702
180k
22P
180k
7
1.
ik
7318
|
1N6O|
|
t
4
Ea
ty
lOOze.3v.
7m
407
33/50V
‘VR303
‘22k
:
220/25V
|
|
rol)
Terci|
|
s
i
|
R312
33k
(B)
is
x
12k
22s
Wy
VR301
R321
R327.
7
(1/2
33ep
33k(B}
R315
12k
t3or
oa
i
16V
y
Binoiaoe
R408
47
(1/2W)
MIG
6.Bk
+4
t
6:
4
|
|
R342
desae
isos
R354
|
ft
|
i
IR702|
Sati
|
vR306
ree
ipo
|
|
croa|
|
ST
a
eae
ee
ee
es
a
ee
a
to]
3
R347
wassk
e336
|
R33!
oO
R343!
307
ans
R35I
|
|
|
|
GND
|
ry
e337
\_¥
|
334
0704
it
4
c3z0
c3z9
£320
0308
|
|
|
RI
AW
—}}
t+—-——_~
cx
5
A
:
R329
RS.
327
R344
L304
case
¢
bites
¢
i
a
Lp
|
|
|
R330
@305
ae
335
Y
0703
|
|
caze
R337]
R350S
R352
|
|
!
=]
|
=
Bos
io
|
}
R335
R336
1
|
|
ca
|
;
=f
;
it
RIGHT
(Gp
[oe
rh
ent
Oh
ied
Laem
a=
5p
pp
pe
bo
panna
R502
J501b
'
t+
i
a
is
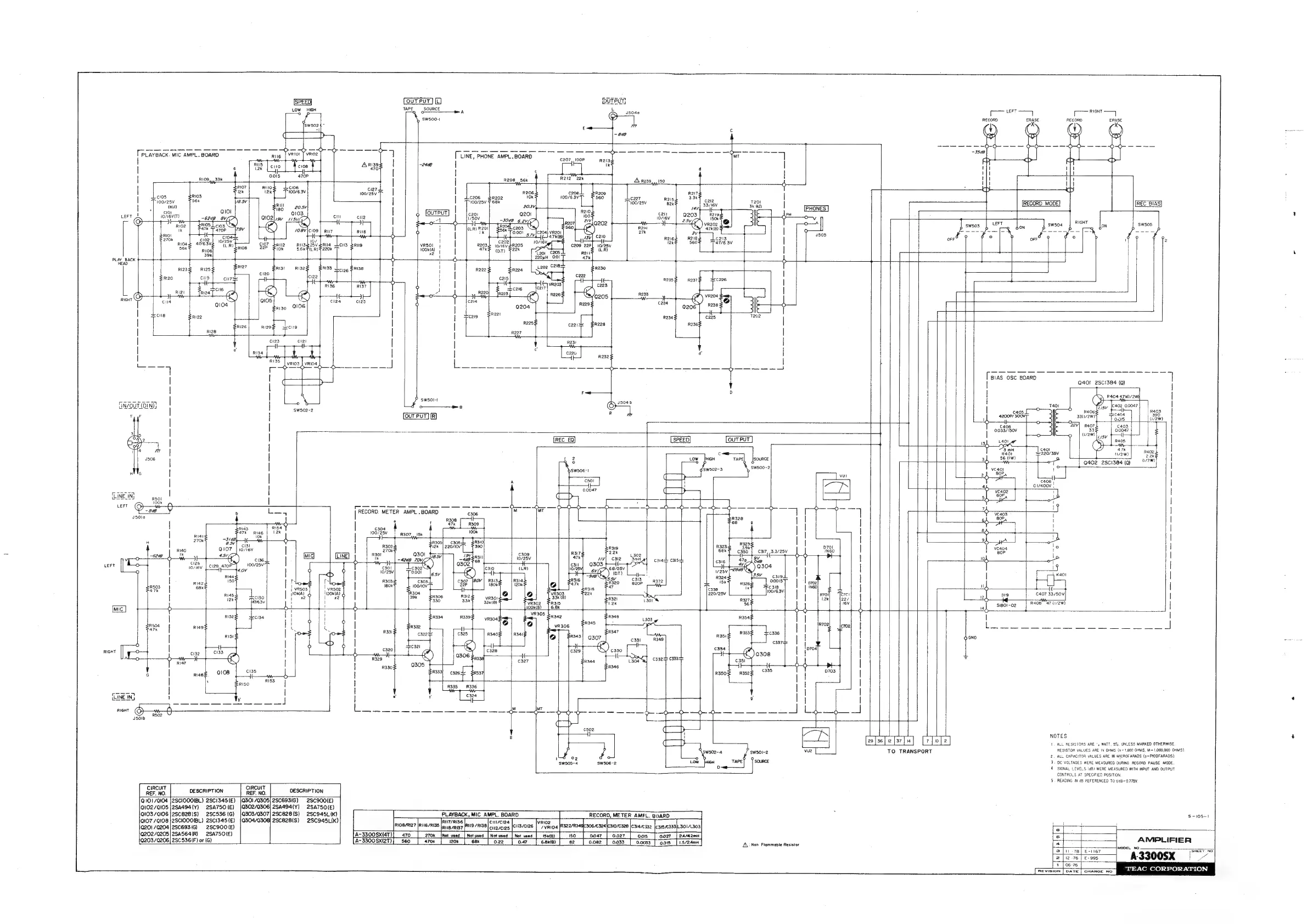
NOTES
7
29
[36]
[37]
4
1.
ALL
RESISTORS
ARE“,
WATT.
5%
UNLESS
MARKED
OTHERWISE
RESISTOR
VALUES
ARE
IN
OHMS
(k=1.000
OHMS,
M=
1,000,000
OHMS).
/
}
pecans
as
TO/TRANSEORT
2.
ALL
CAPACITOR
VALUES
ARE
IN
MICROF
ARADS
(p=PICOFARADS)
C2
TAPE
‘SOURCE
3.
DC
VOLTAGES
WERE
MEASURED
DURING
RECORD
PAUSE
MODE.
‘a
LOW
{HIGH
ane
wscere:
D
4
SIGNAL
LEVELS
(dB)
WERE
MEASURED
WITH
INPUT
AND
OUTPUT
CIRCUIT
RE
}Q301
/Q305}
2SC693(G)
1Q302/Q306|
250494
(Y)
1Q303/0307|
2SC828
(S)
DESCRIPTION
2SA750
(E)
2SC536
(G)
8|
2SC828(S)
2SC900(E)
2SA750
(E)
(0203/0206
|
2SC536(F)
or
(G)
DESCRIPTION
2SCSOO(E)
2SA75Q(E)
2SC9451
(kK)
2SC945L(K)
PLAYBACK,
MIC
AMPL.
BOARD
RECORD,
METER
AMFL.
BOARD
CHI/CI24
IV
RIO;
aigiee
7
VRI04
|R322/R349C306/0324]
A-3300SX(4T)
15e(B)
150
A-3300SX(2T)
6.8k(B)
82
ZX:
Non
Flammable
Resistor
CONTROLS
AT
SPECIFIED
POSITION
READING
IN
dB
REFERENCED
TO
UdB=0,775V.
REVISION
|
DATE
|
CHANGE
NO.
S-i05-!
ro
2
AMPLIFIER
3
[it
-7e{
€-i167
eee
aanncyw
set
Re
2
|
12-76
|
£-995
A:3300SX
tou
1
[06-76
BM
07:
Cem
e/0)
+3
210)°7-Vu
le),

Other manuals for Teac A-3300SX

Related product manuals