EasyManua.ls Logo

Teac A-3300SX - Page 52

Teac A-3300SX
59 pages
Print Icon
To Next Page IconTo Next Page
To Next Page IconTo Next Page
To Previous Page IconTo Previous Page
To Previous Page IconTo Previous Page
Loading...
LEFT
p-------
|
TIN/OUT
(DIN);
31s
2
4
|
J506
MN.
irearersearen)
LLINE_INy
R501
100k
LEFT
O
MIC
are
aree
|
(LINE
ING
J501b
[eo
=
R120
RIGHT
{\
——
ee
oe
me
es
ee
ee
oe
—_—
{>
eo
O O
oO
O O O
J50la
F
e
iW
3
+
Ok
¢308
OUTPUT
L
Low
4IGH
TAPE
SOURCE
,
SW500-1
R109
33k
C227
R215
100/25V
82k
cele.
33/16V
R219.
150k
VR202
47k
(BA
(Ku)
OUTPUT
cau
1O/16V
“a
C213
12k
560
“T-47/6.3V
c202
loN6V-sR205
R127
RIZi
R132
R230
Ro
sis
R233
R228
F
ny
swsol-t
a
3504
b
om
8
R
OUTPUT]
[R]
|
REC
EQ
(OL
C=
I
2
HIGH
|
|
|
|
|
7
oo
a
z
BS
i
oe
ae
kn
ao
So
a
a
Se
|
|
|
eg
4
|
SSW506°1
dSw502-3
:
4
¢—)
|
t
|
|
¢304
|
Rial
100/25V
R307,
15k
270k
“3/96;
|
R323
Q107
|
|
BOK
oe
oH
ais
|
68k
4
|
LINE
ag
10725V
nv|
c3i2.
Sm
carak
c3i5
K
C136
|
A
(L.R)
C316
678,
|
ci29_
4708
loovesv
Q303
7
10/16V
301
6.8/25V
Z
|
4.0V
|
16725
Sule
\
(DT)
25
RI4g
|
908.
Say,
ae
R324
|
ike
150
ee
R303
320
«Gage
R322
15k
|
68k
|
160%
C338
R145
2
|
|
S
220/25
|
12k
poet
L30l
oO
O O
|
RIS2
C134
|
|
L303
!
} d
°
|
rut
|
=
|
R33
O
Oo
|
aby
|
|
C33!
R349
R351
|
|
O
6
|
ee
334
C132
C133
|
b
O
R329
or
€3325:
C333
RI47
AS
|
wise
|
R330 R350
\
|
R148
Qt08
b
|
|
.
R153
|
|
RISO
'
|
e
|
8
|
|
+
RIGHT.
O—n—O
Uke
tee
ne
a
eee
Po
a
Sa
o—-
ee
O—
q
)
es
re
502
¢—p—
3
amt
q_
OD
&
p
<
swso2-4
!
0
02
d
o
(«CO
SW505-4
SWw506-2
HIGH
A
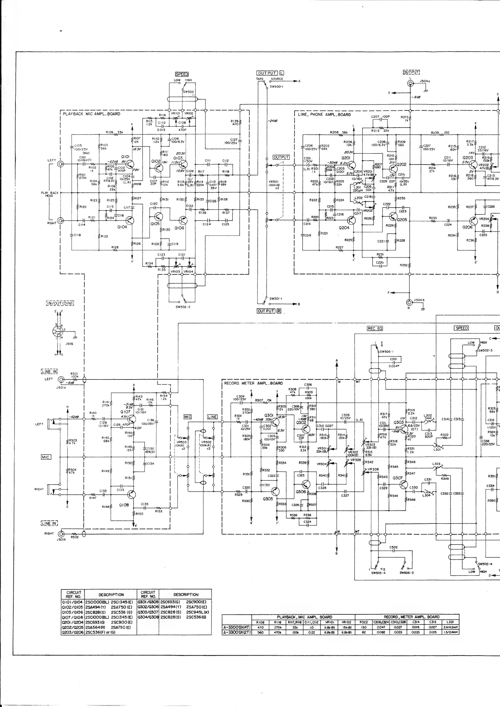
2SCSO0(E)
Q102/Q105
|2SA494(Y)
2SA750(E)
|Q302/Q306)
2SA494(Y)
2SA750(E)
QI03
/QIO6
|2SC828(S)
2SC536(G)
|Q303/0307|
2SC828(S)
2SC945L
(Kk)
QIO7
/Q108
|2SCIOOOIBL)
2SCI345
(E)
2SC536(G)
Q20!
/Q204}
2SC693(G)
2SC9OO0(E)
Q202/0Q205|2SAS64(R)
2SA750(E)
Q203
/0206|
2SC536(F)
or
(G)
RECORD,
METER
AMPL.
BOARD
[aoa_[
aire
[ri7,eiie|cini,cie
|
veior
|
vaioz
|
R322
[Coetzee]
csi0,csea]
csia
|
cals
|
1301_|
TASS0OSKATI]
470
|
27x
|
3m
|
10
|
cance
|
ise
|
150
|
0047
|
oz
|
001s
|
o0er
|
2arezmh|
[A=3300SK@T)|
560
|
70x
|
120
|
0.2@
|
een
|
eax
|
02
|
0082
|
oss
|
03s
|
00
|
1s/2amn|

Other manuals for Teac A-3300SX

Related product manuals