EasyManua.ls Logo

Teac A-3300SX - Page 53

Teac A-3300SX
59 pages
Print Icon
To Next Page IconTo Next Page
To Next Page IconTo Next Page
To Previous Page IconTo Previous Page
To Previous Page IconTo Previous Page
Loading...
fo]
fro
ee]
RECORD
ERASE
RECORD
ERASE
Oo
QO
OM
@
-—-—--
-
O-O—-
0-0
ee
OOO
OOO
-
3508
a
!
=
BIAS
OSC
BOARD
caos
R406
33(1/2W)
©
C408
0.033/150V
|
0
13
pee
2.1m
c40l
220/35V
|
Me
c406,
bj
0.1/400V
+
ve402
sop
9
©
e
i
fe)
J
|
64,
80!
\
ie
ieee
acca
a
2
SPEED.
a
are
2
|
vc4o4
;
lo
O
oT
;
9
|
'
K40l
9
R
(aw
ania
408
"47
(1/2W)
ad
I
|
_
a
|
©
GNO
wae
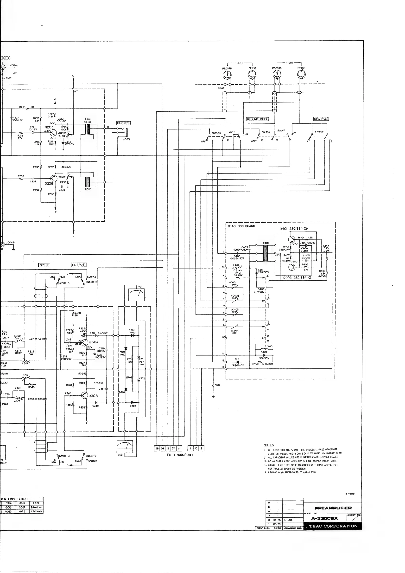
NOTES
s]#]
[7
]of2|
;
[29
|
36
[12
[37
|
if
1.
ALL
RESISTORS
ARE
',
WATT.
5%,
UNLESS
MARKED
OTHERWISE.
TO
TRANSPORT
RESISTOR
VALUES
ARE
IN
OHMS
(k=1,000
OHMS,
M=1.000.000
OHMS).
2.
ALL
CAPACITOR
VALUES
ARE
IN
MICROFARADS
(p=P!COFARADS).
3.
DC
VOLTAGES
WERE
MEASURED
DURING
RECORD
PAUSE
MODE.
4.
SIGNAL
LEVELS
(48)
WERE
MEASURED
WITH
INPUT
AND
OUTPUT
CONTROLS
AT
SPECIFIED
POSITION.
5.
READING
IN
dB
REFERENCED
TO
048=0.775V.
2
3mH
C313
ee
a
es
a
ee
2
a
et]
S-105
TER
AMPL
BOARD]
To
|
cas
|
101
[00%
|
0087
|
zavaznn
[e03s
[008
|
1s/2amn

Other manuals for Teac A-3300SX

Related product manuals