EasyManua.ls Logo

Technics QUARTZ SA-160 - Page 10

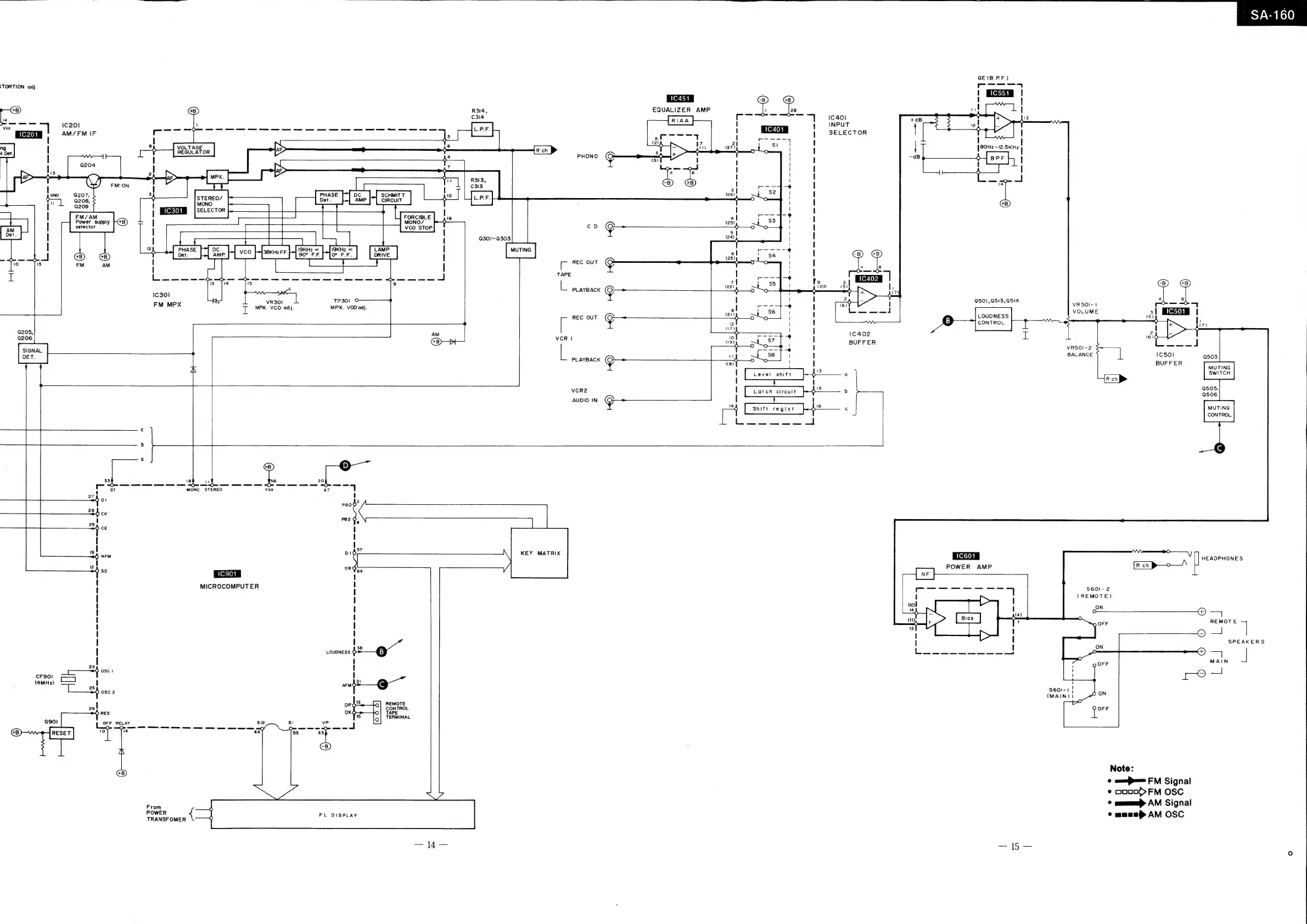
Technics QUARTZ SA-160
22 pages
Print Icon
To Next Page IconTo Next Page
To Next Page IconTo Next Page
To Previous Page IconTo Previous Page
To Previous Page IconTo Previous Page
Loading...
TORTION
adj
Ic20l
AM/FM
IF
FM/AM
!
!
Power
supply
+B)
|
I
selector
SCHMITT
5s
5
RCUIT
mz
mi
FORCIBLE
I.
MONO/
4
r
z=
LAMP
:
rl
FF.
DRIVE
CO
STOP
=
|
-
10
15
FM
AM
H
I
lee
Sete
oe
SS
Ses
Sd)
14
15
J
IC301
Q301~Q303
MUTING
R ch
GE(B.P.F.)
oe:
a
|
1
1C551
|
10451
eo
&
|
l
EQUALIZER
AMP
28
ul
I
CTT
or
=]
C401
748.
v
3
cr
ne
a
St
Pe
}
SELECTOR
|
|
ete
arenes
|
]
ent
+.
3!
i
!
|
!
°
5
$l,
'
|
HONO
gb
\
¢
(3)
1 1
H
|
aes
:
!
CB)
8)
1
ee
ay
!
"4
2!
j
S2
!
i]
aa
ee
©
|
al
gee
fi!
I
(25)
$3
'
cD
Qu
—$—9-~o
1
]
5|
\
i
(24)
4
1
4
I
Cath!
(23)
,
34
I
|
Cs)
@)
REC
OUT
ae
\
|
fe
1
1
Af
oe
TAPE
!
[
‘|
uae
—¢
To
af
ery
‘|
(22)
!
(20
(5)
]
PLAYBACK
g
>
1g
55
}
7)
U
Oo
!
ap
24
e>
0501,0513,a514
!
REC OUT
|
!
B
LOUDNESS
[
\
!
CONTROL
!
|
vcr
I
+
1
I
i)
2
PLAYBACK
e-
;
vcr2
AUDIO
IN
g
~
Ay
vR301
TP301
©
FM
MPX
7
MPX.
VCO
adj.
MPX.
VCO
adj.
Q205
a206
2
SIGNAL
DET.
oe
—-
c
b
a
33.
18
1
56
20
ST
MONO
STEREO
Yoo
za
AT
“7
~
O
cK
Bz
a
DI
KEY
08
r a
12
re
1C901
MICROCOMPUTER
a
D
nn
=
a
ree
g
LOUDNESS
44
CF901
(4MHz)
i]
25
osc2
|
REMOTE
26
CONTROL
SReS
TAPE
TERMINAL
@)
Qsol
OFF
RELAY
of
On
ee
ee
ee
ee
ee
RESET
10
14
aay
Zl
K
a)
From
POWER
{
FL
DISPLAY
TRANSFOMER
MATRIX
POWER
AMP
ila
rom
ee
(4)
1
y,
E
4a
8
VRS5OI-
1
Coe
Oe
my
VOLUME
3|
Hee
|
¢
aA
[:
I
(7)
&
2
(6190
J
VR5O1-2
=
©,
BALANCE
IC501
503
BUFFER
MUTING
SWITCH
Rech
Q505,
Q506
MUTING
CONTROL
iS
0
HEADPHONES
s6ol-2
(REMOTE)
ON
0
£
cote
REMOTE
7
Qo
SPEAKERS
on
O
4B
al
|
MAIN
oO.
!
i)
t
S60I-1
|
(MAIN)
I
>
Note:
¢
===
FM
Signal
¢
coon
FM
OSC
©
ae
AM
Signal
°¢
suse
AM
OSC

Related product manuals