EasyManua.ls Logo

Technics QUARTZ SA-160 - Block Diagram

Technics QUARTZ SA-160
22 pages
Print Icon
To Next Page IconTo Next Page
To Next Page IconTo Next Page
To Previous Page IconTo Previous Page
To Previous Page IconTo Previous Page
Loading...
Mi
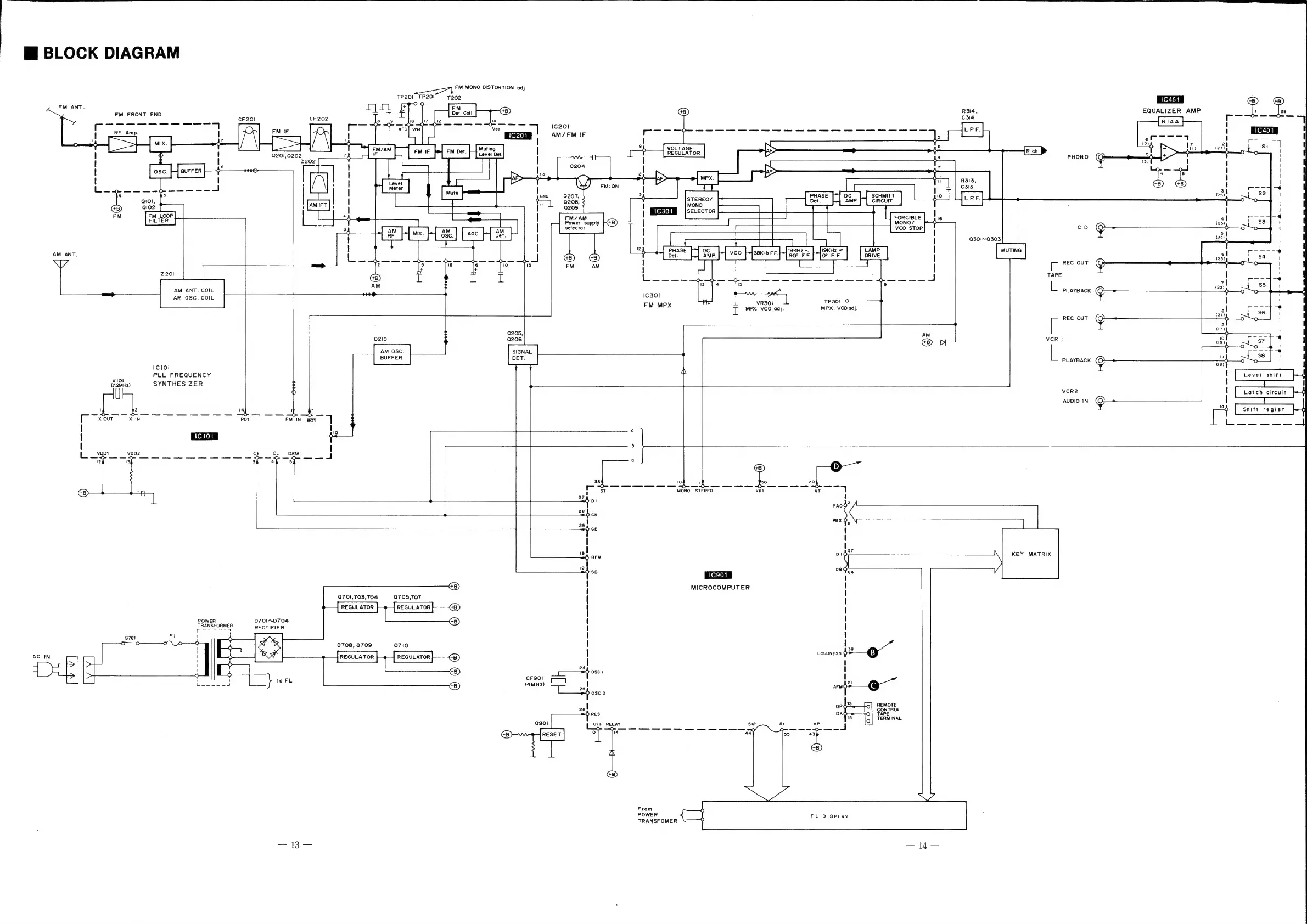
BLOCK
DIAGRAM
FM
MONO
DISTORTION
adj
R313,
C33
Q301~Q303
MUTING
TP201°TP20I*
202
FM
ANT.
fl
£T°y
FM
FM
FRONT
END
aE
i
ec
Coil
CB)
—-
me
eee
eee
eee
ee
ee
ee
ee
cr20}
cr202
7
df
ais
AZ
7
es
a
ne
ee
RF
Amp
FM
IF
i
arc]
wet
Veo
Ic2ol
}
AM/FM
IF
1
I
—_]
=
i
|
1C201
|
0
rs
MIX.
4,
4
—_]
——_]
FM/AM
FM
IF
|
FM
oer.
Muting
]
&
I
$
!
9201,a202
74
IF
Level
Det.
I
|
2202
|
|
:
pe
|
[=
|
"
cd
3
|
>
Pfr
¢
L_
poeta
os
ed
|
Meter
|
WY
FM:
ON
H
=
=
a
“8
;
alka
:
ae
os
Q208,
AM
IFT
ri
;
|
aio2
FM
_LOOP
l
scat
|
Kexteh]
|
EM/am
FORCIBLE
6
FILTER
|
cS
?
Lm
|
Power
supply
HB)
|
[|
MONO/
A
5
AM
AM
AM
|
Selector.
|
vco
STOP
RF
MIX.
OSC.
age
Der.
|
!
|
|
2
19KHz
<
|_figKHz
=
LAMP.
i]
Ge
I
1166
S40
HEHE
eB)
Ge
!
we
OF
Om
ee
ee
Oe
ee
Om
ome
me
Oe
ome
1
2
5
2201
on
hae
.
mM
ake
1
Eee
|
Mi
G8)
I
bee
dh
ee
ea
ee
ee
AM
ANT.
COIL
AM
i
Is
9
AM
OSC.
COIL
T
+H
Ic30l
_
FM
MPX
AE
VR301
TP301
O—
J
MPX.
vco
adj.
MPX.
VOO
adj.
a205,
AM
Q206
CS
bs
>
Ic
10]
K
PLL
FREQUENCY
Cea)
SYNTHESIZER
i
|
POWER
TRANSFORMER
$701
Fl
i
1
AC
IN
!
1
1
CE
CL__
DATA
3
4
5
28
29
ay
ce
19
!
12
!
Q701,703,704
Q705,707
REGULATOR
REGULATOR
D70IND704
RECTIFIER
9708,
Q709
REGULATOR
Q710
REGULATOR
CF901
To
FL
co
}
5
(4MHz)
|
25
;
osc2
|
REMOTE
she
CONTROL
&
RES
TAPE
TERMINAL
Qgoi
OFF
RELAY
si2
——
|
|
|
{
I
|
!
I
{
|
aal
of
8
®
18
Ly
138.
20
Voo
AT
7
st
MONO
STEREO
rc
oe
we
oe
oe oe
oe
=
MICROCOMPUTER
¢®
From
POWER
{
FL
DISPLAY
TRANSFOMER
KEY
MATRIX
EQUALIZER
AMP
r
'
'
A
dey
ant
He
PSA
cost
&
sol,
\
PHONO
'e
!
(3)
1
1
1
Os
==
'
a
©
Ar
see
(26)
;
S2
!
f
bm
0
\
\
¢
4
aex
weil
1,
$3
'
°§
=|
eal
{
re
1
{oietee
aaa.
|
(23)
+
54
1
fe
REC
OUT
we
i
'
TAPI
i
E
]
pane
be
L
2a!
,
85
1
PLAYBACK
(QX-—»>—
a
5
,
J
|
1
al
Fecal
re
(20)
1
REC OUT
SS
er
5
1
i
12
1
:
I
vcR
|
10
+
t
~
I
L
PLAYBACK
SS
ee
8)
VCR2
AUDIO
IN
g
~
|
[ise
or
4
icoceeme
circuit
rt
[
snift
regist
|
regist
O

Related product manuals