EasyManua.ls Logo

Technics RS-X302 - Page 12

Technics RS-X302
26 pages
Print Icon
To Next Page IconTo Next Page
To Next Page IconTo Next Page
To Previous Page IconTo Previous Page
To Previous Page IconTo Previous Page
Loading...
RS-X302
—_
RS-X302
Mi
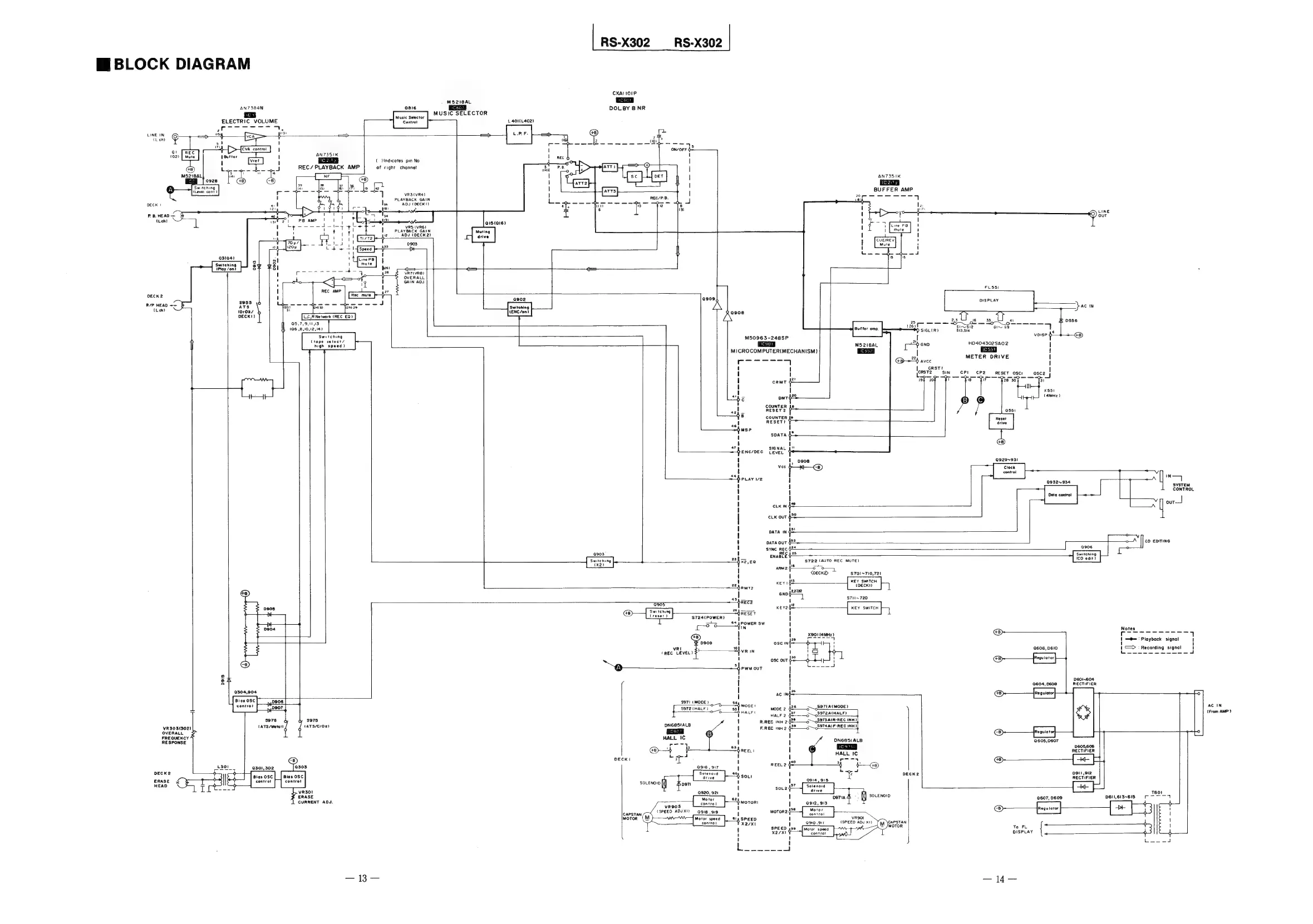
BLOCK
DIAGRAM
CXAIIOIP.
M5218AL
Picso1
|
1
DOLBY
BNR
AN7384N
as8Ié
MUSIC
SELECTOR
ELECTRIC
VOLUME
|
L401(L402)
SE
ae ee
ee
pd
LINE
IN
“sy
3
=
LPF.
—=>—
(Len
ape
I
'
(
Vindicates
pin
No
j
REC/
PLAYBACK
AMP
of
right
chonnet
wat
[a]
1
AN7351K
i
Setening
|
4h
_
8
Je
JP
te
Je
a
1
BUFFER
AMP
el
cont
r
7
oRB
RAI
1
2
———
4
'
PLAYBACK
GAIN
L
LS
DECK
|
hs
ADJ
(DECK!)
ep
she
yer
O
TINE:
RBHEAD—
§
LE
ate
ouT
(Len)
op
9151a16)
a
=
VRS
(VR6)
I
PLAYBACK
GAIN
(e7}
+
ADJ
(DECK2)
pa
0903
Q31Q4)
<
<
<=S>—
.
VR7(VRB)
OVERALL
GAIN
ADJ
FLSSI
DECK2
Q909
DISPLAY
nip
weno
=
goss
:
pac
1m
(Len)
toro2s
(ENC/on)
9908
tiara
to.
DECK!)
23
16
33
41
25
——_
=
St
_e
—_-————
05.7,9,11,13
(26)
S182
GIS
G8
7
(06
,8,10,12,14)
Suffer
amp.
©
SIGL(R)
$13,514
Switching
M50963-248SP
al
(rope
select/
2
HD404302SA02
high
speed)
M5
218AL
$
ono
MICROCOMPUTER(MECHANISM)
|
T
METER
DRIVE
reoc-cr-4
8
avec
1
1
1.
crst
I
i
ce
SIN
cPI
cP2
RESET
OSC:
_
45-5
!
CRMT
2t
19,
20!
D
18
7
30
1
tt]
I
|
owr
22
sh
'
COUNTER
Ap
1
RESET2
ass!
COUNTER
Js
RESET!
MSP
'
i
SDATA
fi
i)
i)
ir
SIGNAL
gl!
QENC/DEC
LEVEL
!
1
veces
a929~93!
!
Vee
al
IN—
to
——<“frvavv2
|
0932934
sveren
|
;
CONTROL
H
I.
our]
l
CLK
IN
ee
'
|
CLK
OUT
eo
'
!
DATA
IN
=
1
DATA
OUT
ds2
¢D
EDITING
'
sync
rec
$24
906
e305:
!
enabee
$2
L
2473,c0
I.
$722
(AUTO
REC
MUTE)
ARM
2
$=
6
Le
|
!
1
<DECKZ>
$701~710,721
24
ceri
fe
RMT2
)
22032
GND
ee
H
S7N~720
ac
es
2°,
L
@>
=}
RESET
t
S724(POWER)
H
f
ort
Ss
Arower
sw
BE
'N
H
Notes
!
'
ReoltaMea)
:
i
7
1
2
OU
4
1
==:
Playback
signal
1
Y
0909
l
osc
nf>—44
'
!
vei
10
!
:
606,
D6IO
1
>
:
Recording
signal
'
(REC
LEVEL)
vr
IN
'
1G
.
a
oe
a
aoe
sees
exe
'
osc
ouT
fo
3],
\
equiator
5
caneeres
“Ne
{rw
out
!
ia
'
0601-604
|
0604,
D608
RECTIFIER
!
‘S97!
(MODE)
56,
ot
move
|
ac.
iN.
$972
(HALF)
Ey
Lae
ae
(From
AMP
)
S975
NGOSIALE.
1
S9TSA(R-REC
INH)
Df
S9T4A(F-REC
INH)
VR303(302)
(ATS/CrO2)
1
Regulator
OVERALL
1
'
FREQUENCY
HALL
IC
|
\
/7—
ON6S5IALB
@605,0607
RESPONSE
77,
ax
ic
605,606
REEL!
1
HALL
IC
RECTIFIER
d
DECK!
PT
'
\
Sosten!
L3or
0916,
917
1
REELS
¥
$}—@)
as
Sol
091,912
ERASE
£
sooo
!
aoe
s
HEAD
SOL24
Gece
VR301
2920,
921
y
Teor.
ERASE,
!
i
pe7ia
i
|X]
SOLENOIO
0607,
0609
DEIL,6I3~615
q
CURRENT
ADy.
0912,
913
b
n
1
b
CAPSTAN
SPEED
9918
,919
1
BO
NS
al
ea
|
contro!
-
\
To
FL
OISPLAY
es
BE,
(ore)
13—
7

Related product manuals