EasyManua.ls Logo

Technics SA-203 - Block Diagram

Technics SA-203
18 pages
Print Icon
To Next Page IconTo Next Page
To Next Page IconTo Next Page
To Previous Page IconTo Previous Page
To Previous Page IconTo Previous Page
Loading...
M@
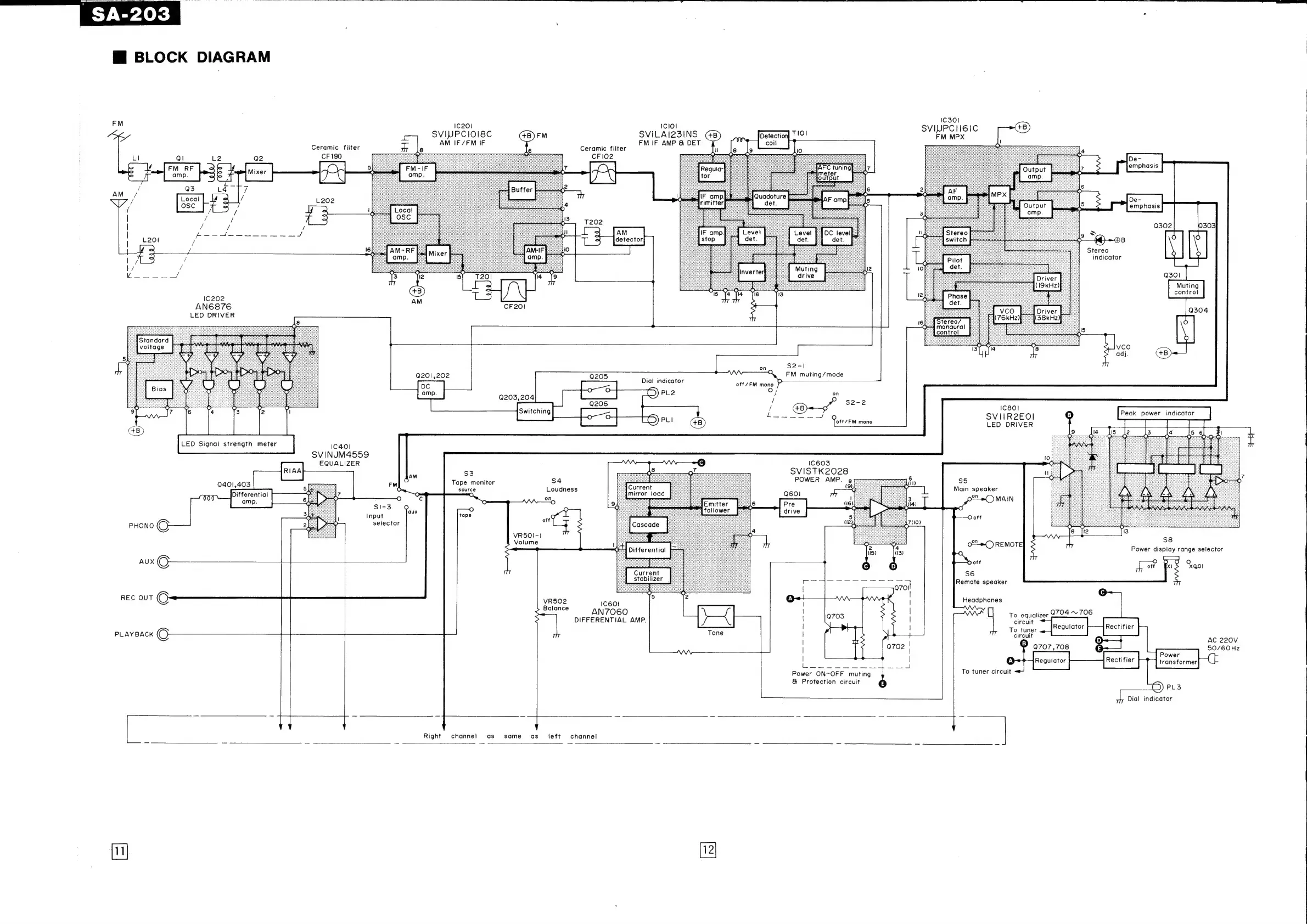
BLOCK
DIAGRAM
IC3Ol
1C201
IC101
SVIUPCIOI8C
SVILAI23INS_
G8)
TIO1
SEM
ues”
nts
8
AM
IF/FM
IF
FM
IF
AMP
&
DET
si
coil
Ceramic
filter
Ceramic
filter
ul
ag
Ee
CF190
E
CF102
De-
Py
emphasis
De-
emphasis
3
Lede
302
0303]
ul
s
oS
®@
O O
(4-68
Stereo
indicator
st
:
Q301
Muting
control
Q304
2
AM
S
detector;
ps
15
14
I4
IC202
AM
J
\
a
AN6876
CF20!
LED
DRIVER
tereo/
O
monaural
control
Standard
~
$2-1
VV
Oo
FM
muting/mode
off
/FM
mono
p
Q201,202
Dial
indicator
Q203,204
natant
IC80l
Switching
a
Switching]
Regen
ons
ete
SVIIRZEOI
Peak
power
indicator
off/FM
mono
LED
DRIVER
Power
transformer
IC40l
SVINJM4559
EQUALIZER
Cc
C603
$3
SVISTK2028
FM
Tape
monitor
s4
POWER
AMP.
ss
o
source
Loudness
Q601
Main
speaker
°C
.
on
02)
CO)
MAIN
SI-3
7
9
Pre
aux
0
4
drive
-
Input
tape
9
O
off
PHONO
selector
9
VRSOI-1
Volume
ot
eS
é
REMOTE
Power
display
range
selector
ax
aw
AUX
CS
O
off
off
Tx:
5
Sao!
Remote
speaker
|
REC
OUT
(C)
vR502
eB
Headphones
Balance
AN7O060
|
ANAS
To
equalizer
Q704
~
706
DIFFERENTIAL
AMP.
|
circuit
|
To
tuner
PLAY
BACK
©
I
|
circutt
AC
220V
|
|
50/60Hz
|
l
--
_
a
4
Power
ON-OFF
muting
To
tuner
circuit
&
Protection
circuit
E
Dial
indicator
Right
channel
as
same
as
left
channel

Related product manuals