EasyManua.ls Logo

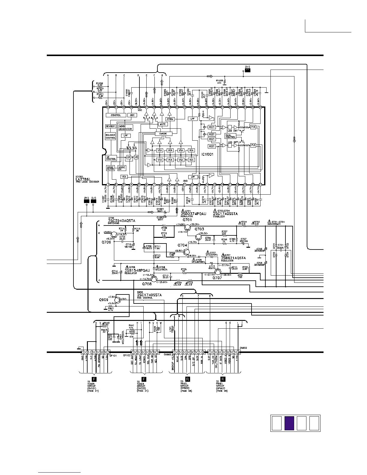
Technics SA-310 - Pro Logic Decoder Schematic

Technics SA-310
45 pages
Print Icon
To Next Page IconTo Next Page
To Next Page IconTo Next Page
To Previous Page IconTo Previous Page
To Previous Page IconTo Previous Page
Loading...
SA-EX310

Related product manuals