EasyManua.ls Logo

Technics SA-DA10 - Page 113

Technics SA-DA10
149 pages
Print Icon
To Next Page IconTo Next Page
To Next Page IconTo Next Page
To Previous Page IconTo Previous Page
To Previous Page IconTo Previous Page
Loading...
-B
-B
-B
+B
+B
-B
-B
-B
-B
+B
-B
-B
-B
63,75
IF DATA
SD
33~48
SEG
1~16
49~58
DEG1
1~10
FL DISPLAYFL901
59
INIT IN
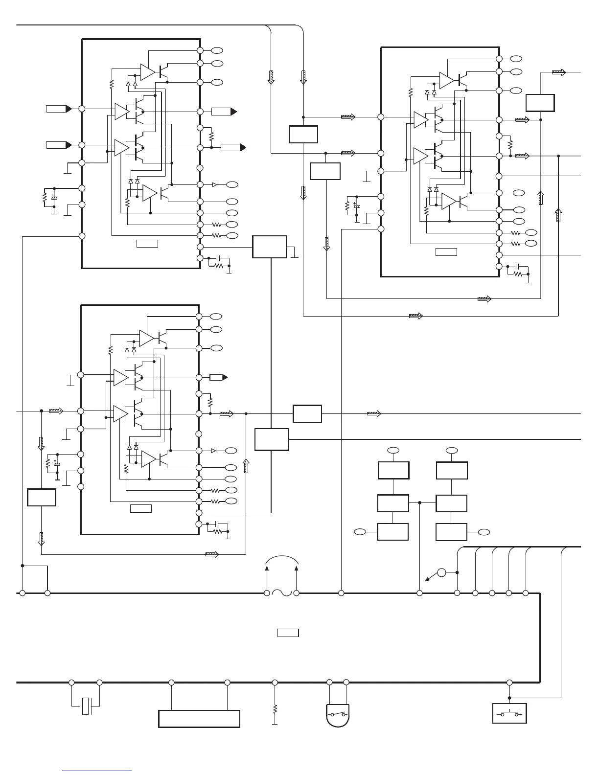
IC601
RSN313H25-P
POWER AMP HIC
29
S/C SP
25
RLY
30
SP B
SP A
31
S/C SP
RLY
SP B
SP A
5
OVERLOAD2
Q616
64
LIMITER
KEY SWITCH
1,2
KEY
1,2
X OUT
X IN
15
14
CF901
VR901
(INPUT SELECTOR)
21
SEL1
SEL2
23
LIMITTER
S-DET
2
AC Det
13
18
14
12
22
5
3
6
21
20
4
-B
+B
1
18
+
-
+
-
15
7
Mut Out
+VccLow
-VccLow
-VD
-Vcc Hi
-VHout
Out 2ch
Out 1ch
-VHout
+Vcc Hi
+VD
IH Det
+IN Gnd
-IN 2ch
8
Gnd
11
Overload
Display
-IN 1ch
9
Over Det
10
DC Det
+B
IC651
RSN313H25-P
POWER AMP HIC
2
AC Det
13
14
19
12
22
5
3
6
21
20
4
1
18
+
-
+
-
15
7
Mut Out
+VccLow
-VccLow
-VD
-Vcc Hi
-VHout
Out 2ch
Out 1ch
-VHout
+Vcc Hi
+VD
IH Det
+IN Gnd
-IN 2ch
8
Gnd
11
Overload
Display
-IN 1ch
9
Over Det
10
DC Det
-B
D652
RCH
IC602
RSN313H25-P
POWER AMP HIC
2
AC Det
13
14
19
12
22
5
3
6
21
20
4
-B
+B
1
18
+
-
+
-
15
7
Mut Out
+VccLow
-VccLow
-VD
-Vcc Hi
-VHout
Out 2ch
Out 1ch
-VHout
+Vcc Hi
+VD
IH Det
+IN Gnd
-IN 2ch
8
Gnd
11
Overload
Display
-IN 1ch
9
Over Det
10
DC Det
D652
+B
H.P.F
L.P.F
L.P.F
AF MUTE
32
AMUTE
Q652
Q651
Q614
3
THERM/OVLD
4
KEY4
Q613
Q615
LIMITTER
Q612
SWITCH
Q611
MAIN_LS
MAIN_LIN
IC901
M38B57MCA242
MICROCOMPUTER
RELAY
DRIVE
CONTROL
SWITCH
SWITCH
SWITCH
65~67
TCE
TCK
TDT
TO TUNER MODULE
L.P.F
H.P.F
M
RELAY
DRIVE
CONTROL
-B
-B
+B
+B
-B
+B
+B
+B
RCH
RCH
RCH
RCH

Other manuals for Technics SA-DA10

Related product manuals