EasyManua.ls Logo

Technics SA-DA10 - Page 114

Technics SA-DA10
149 pages
Print Icon
To Next Page IconTo Next Page
To Next Page IconTo Next Page
To Previous Page IconTo Previous Page
To Previous Page IconTo Previous Page
Loading...
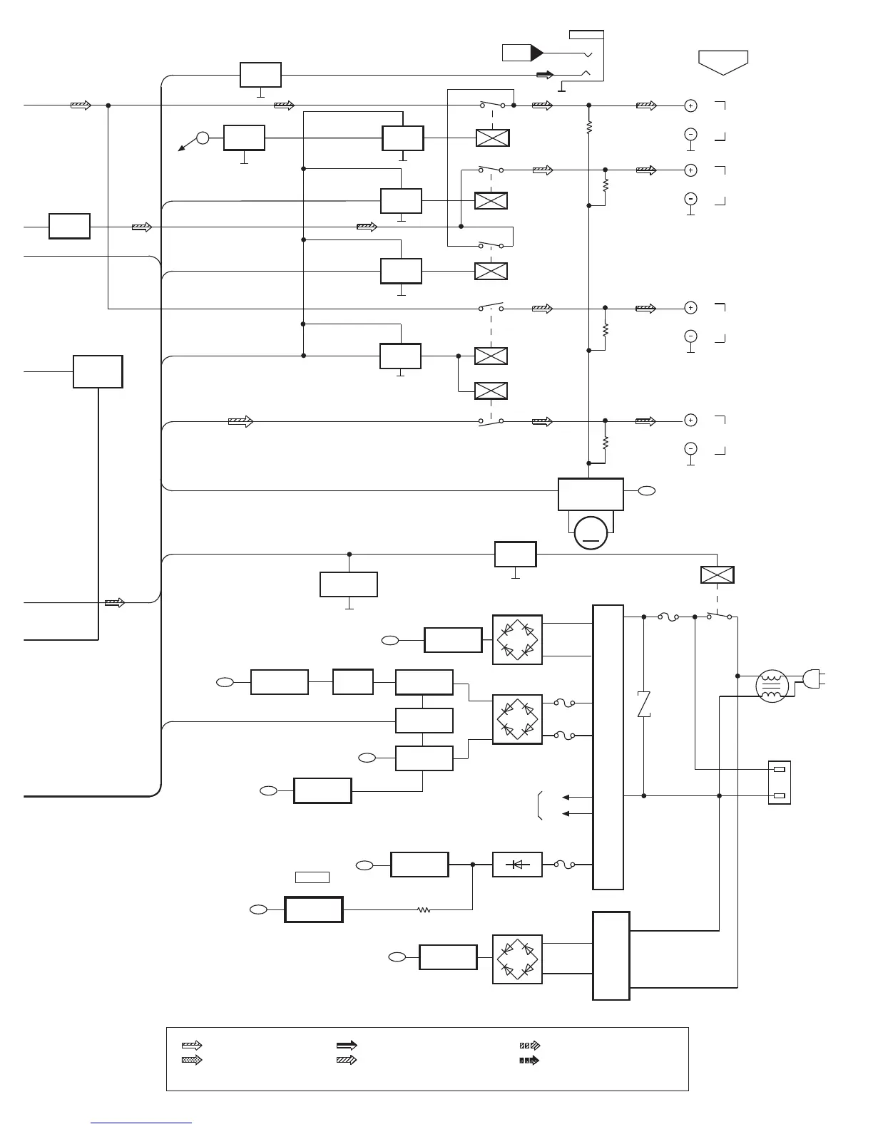
-B
-B
-B
Q601
Q602
Q1681
(Q1682)
R ch
HP601
HEADPHONES
Q603
RL601
RL602
RL604
RL603
M
Q772~Q778,
Q780,Q781
POWER TRANSFORMER
(MAIN)
POWER
TRANSFORMER
(SUB)
T701
SP A
SP B
S/C SP
Q751
RLY
D701~D704
Q707,D707
F3
F4
Q708,D708
Q724
T751
D721~D728
D751~D754
Q752,Q753
Z751
F1
RL751
JK791
AC IN
L701
SPEAKER
AC1
AC2
FL DISPLAY
(FL901)
F5
Q1701~Q1703
IC1701
PQ30RV11
D741~D744
MUTING
RELAY
DRIVE
RELAY
DRIVE
RELAY
DRIVE
FRONT
SPEAKER(A)
FRONT
SPEAKER(B)
CENTER
SPEAKER
SURROUND
SPEAKER
FAN MOTOR
DRIVE
FAN MOTOR
RELAY
DRIVE
JK792
AC OUTLET
(SWITCHED)
REGULATOR
REGULATOR
S-DET
Q723
REGULATOR
REGULATOR
RELAY
DRIVE
H.P.F
AMUTE
Q653
Q607
RL605
RELAY
DRIVE
Q606
SIGNAL
AMP
MMD
OUT
OUT
OVER DET
OVER DET
Q754
REGULATOR
Q725
Q706
SWITCH
SIGNAL LINES
MAIN SIGNAL LINE FM & AM SIGNALS LINE
CD SIGNAL LINE
PLAYBACK SIGNAL LINE
RECORD SIGNAL LINE
( ) indicates Pin No. of right channel.
DVD (AUDIO/VIDEO) SIGNAL LINE
C
RELAY
DRIVE
CONTROL
REGULATOR
REGULATOR
REGULATOR
REGULATOR
Q701,Q703,Q704
+B
+B
+B
+B
+B

Other manuals for Technics SA-DA10

Related product manuals