EasyManua.ls Logo

Technics SA-DA10 - Page 130

Technics SA-DA10
149 pages
Print Icon
To Next Page IconTo Next Page
To Next Page IconTo Next Page
To Previous Page IconTo Previous Page
To Previous Page IconTo Previous Page
Loading...
20
13 245678910111213141516171819 13 2456789101112131415
16
D.GND
D.GND
D.GND
+B(1)
POWER
CS42
CCLK
CD IN
CD OUT
CS RESET
SCD OUT
INTREQ
ABOOT
CN1002
CA16
CA17
OVL/ERR
RX1
PDN
RX2
A.GND
+B(7)
LS OUT
R OUT
RS OUT
L OUT
C OUT
SW OUT
CM OUT
DIN3
+B(3)
+B(3)
CS49
21
20
19
18
17
16
15
14
13
12
22
10987654321
43
44
34
35
36
37
38
39
40
41
42
32 232425262728293031
RX4
HOLD/RUBIT
CCLK
CD OUT
CD IN
CS
SPI
PDN
AUDIO
AC-3
A OUT2
A IN2R
/F1
A IN1R
A IN1L
A INAUX
CM OUT
FILT
A GND1
+VA
A GND2
A OUT1
DIN2
DIN3
MCLK OUT
OVL/ERR
XTO
XTI
DEM
A OUT6
A OUT5
A OUT4
RX3
RX2
RX1
D GND1
+VD
D GND2
SCLK
LRCK
D OUT1
D OUT2
DIN1
11
A IN2L
/F0
33
A OUT3
CN1001
R1055 1K
H
B
C
D
E
F
G
I
R1056 1K
R1057 1K
R1058 1K
R1059 1K
R1047
1.5
C1043
0.1
C1010
6.3V100
C1042
1000P
I
K
L
PON
R1042 33
R1041
33
R1045
47
R1043
47
R1044
47
R1046
1K
C1044 100P
R1054
1K
R1048 100K
C1045 100P
C1046 1000P
R1053 1K
R1052 1K
R1051 1K
R1067 330
R1066
330
R1065
330
A
L
KJ
a c b d
PN
A
C
E
IC1002
CS4226-KQG
DIR/DAC/VOL
B
D
B
AD ROUT+
AD ROUT
-
AD LOUT+
AD LOUT
-
M LKJ I H GFEDCBA
M
J
M
R1063 1K
R1062 1K
R1069 10
R1049 1K
C1049
1000P
R1064
330
C1050
1000P
R1050 1K
C1047 1000P
O
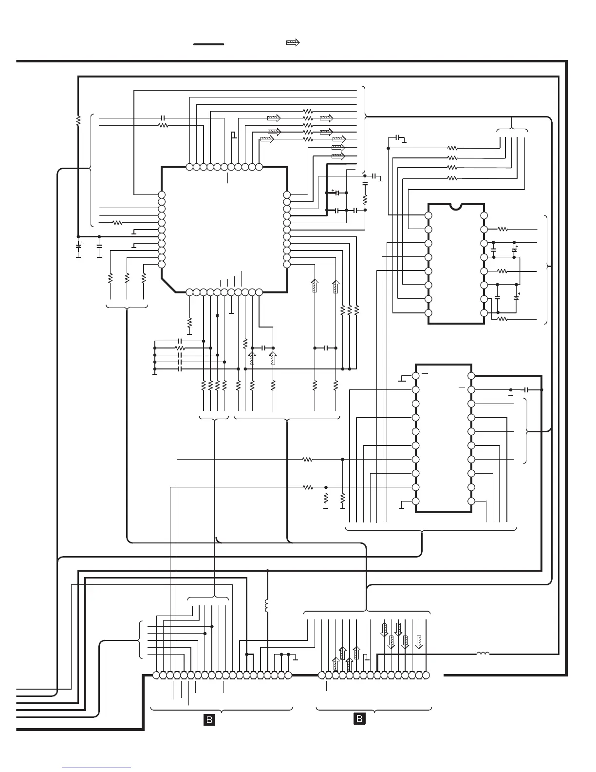
SCHEMATIC DIAGRAM - 14
IC1004
SN74AHCT244PW
LOGIC CONTROL
S
R
Q
C1041
0.1
R1037
100K
R1038
1K
R1040
1K
R1039
100K
FHGE
Q
R
S
L1003
20
19
18
17
16
15
14
13
12
11
1
2
3
4
5
6
7
8
9
10
Vcc
2G
1Y1
2A4
1Y2
2A3
1Y3
2A2
1Y4
2A1
1G
1A1
2Y4
1A2
2Y3
1A3
2Y2
1A4
2Y1
GND
L1004
: MAIN SIGNAL LINE
4.9V
0V
0V
0V
5V
5V
2.4V
2.4V
4.9V
0V
2.4V
2.4V
2.4V
2.4V
2.4V
2.4V
2.4V
2.4V
2.4V
2.4V
0V
2V
0V
0V
2.4V
2.4V
2.4V
5V
5V
0V
0V
0V
0V
0V
1.6V
1.6V
1.6V
4.9V
0V
0V
0V
0V
0V
1.3V
0V
2.6V
0V
2.6V
1.3V
RLQM2R2KT2-W
RLQM2R2KT2-W
: +B SIGNAL LINE
TO
SURROUND CIRCUIT
(CN1002B) ON
SCHEMATIC DIAGRAM-2
TO
SURROUND CIRCUIT
(CN1001B) ON
SCHEMATIC DIAGRAM-2
C1053
0.1
C1048
0.1
C1011
6V100
C1051
0.0015
C1052
0.1
R1068
47K
C1015
0.1
R1010
1K
C1001
50V1
R1011
1K
C1016
0.1
C1002
50V1
T
F
W
G
R1004 1K
ac
R1005 1K
U
R1006 1K
W
V
R1003 1K
M
C1020
0.001
a b c d
U
T
IC1011
CS4341-KSRC
DAC
R1007 10
16
15
14
13
1
2
3
4
5
6
7
8
12
11
10
9
/RST
SDATA
SCLK
LRCK
MLCK
CCLK
CDIN
/CS
FILT+
VQ
REF_
GND
AOUTB
AGND
VA
AOUTA
MUTEC
Q
BC
DA
L
KI

Other manuals for Technics SA-DA10

Related product manuals