EasyManua.ls Logo

Technics SA-EH560 - Page 64

Technics SA-EH560
81 pages
Print Icon
To Next Page IconTo Next Page
To Next Page IconTo Next Page
To Previous Page IconTo Previous Page
To Previous Page IconTo Previous Page
Loading...
SPEAKERS
(To SB-EH560)
HEADPHONES
KEY
SWITCH
(S901~915)
19 20
KEY TU
KEY
KARAOKE
Q901,
D904
RESET
12
RESET
+B9
15
Vss
89
Vss2
90
VDD2
+B10
VDD1
V
DD3
V
DD4
18
46 72
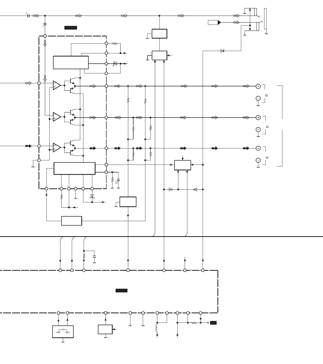
LC8A524A5N28
IC901
SYSTEM CONTROL / FL DRIVE
1621
GND
1047
1
(2)
6
3
20
15
19
(18)
26
(25)
24
RSN311W64A
IC601
POWER AMP
+B3
D601
-B1
D602
-B2
Q601,602
9
+B8
Q551,554,555
13
POWER
98
E DET
HP SW
26
AC IN
AC IN
8687
/ECO
/ECO
POWER
POWER
11
+B9
1
CHECK
TP
14
N
Q503,558
+B4
51
-VP
-VP
85
MUTE
D906
SWITCH-
ING
D974
SWITCH-
ING
D907
23
(22)
5
(8)
11
(12)
HIGH
(6 )
MID
(6 )
LOW
(6 )
MUTING
CONT
Q911
(Q912)
Q902,961
-VP
MUTING
MUTE2
SIGNAL
LEVEL DET
POWER CONTROL
CIRCUIT
POWER CONTROL/
PROTECTION CIRCUIT
Rch

Related product manuals