EasyManua.ls Logo

Technics ST-HD50 - Page 21

Technics ST-HD50
28 pages
Print Icon
To Next Page IconTo Next Page
To Next Page IconTo Next Page
To Previous Page IconTo Previous Page
To Previous Page IconTo Previous Page
Loading...
|
ST-HD50
[
——
beamed
oo,
—z
——
coco
|
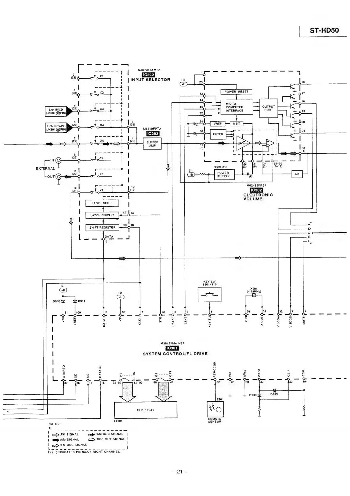
NJU731IZAMT2
=~
_—
SS
ee
eee
eee
ea)
xi
uy,
“l
Y
ae
|
|
INPUT
SELECTOR
(1)
|
l
;
GE)
2s
J
i6
—-—-|-——
4
3
a
i
|
i
O
|
4
|
Tamme
eae
~
|
MICRO
Le
Leh
IN‘CD
(27),
_1
.
x3
COMPUTER
(JK602
(PIN)
I
|
INTERFACE
'
7
1
|
>
s
|
LehIN‘TAPE
B26)
lt
.
x4
(25)
{(JK601
(5)PIN)
M5219FPTA
|
I
oysik}
7
ae
Ce
nl
ya
asta
22)
BUFFER
ad
AMP
8
|
oe
th
4
ee
EXTERNAL
Lour
Oe
Y
M62425FPE
1
ELECTRONIC
VOLUME
A
D
c
B
E
KEY
SW
$9601~310
X901
,
(4.19MHz)
—o
Oo
fl
8
8
1
38
39
32
31
4\
C)
—_—
CS
we
aoe
()
(5
eam
()
mew
0
ues
(
)
—SE
Se
am
=
C)
CC)
t)
—_
EO
ees
ee
ee
<
Z
=
<
&
=
z
5
3
o
ee
<
3
a
<
G
>
°
9
3
=
a
e
ra
w
x
<
iy
=
>
>
M381
S7MA
146F
SYSTEM
CONTROL/FL
DRIVE
z
7]
z
fo)
U2
Q
i
<
b-
a
tu
<
“a “a
Ss)
a
rs
>
@
CO)
e
C}
saw
3
16
30 40
Z901
speay
Ro
REMOTE
NOTES
SENSOR
1}
T
eS
SS
SS
SS
ee
ee
C—>
:FM
SIGNAL
sem
AM
OSC
SIGNAL
|
[
mm
:AM
SIGNAL
c>
:REC
OUT
SIGNAL
|
1
uoR>
-FM
OSC
SIGNAL
|
2}
(4
JINDICATES
Pin
No.OF
RIGHT
CHANNEL,
—?j{1—

Related product manuals