EasyManua.ls Logo

TECNA EVOLUTION 12K - Page 44

TECNA EVOLUTION 12K
92 pages
Print Icon
To Next Page IconTo Next Page
To Next Page IconTo Next Page
To Previous Page IconTo Previous Page
To Previous Page IconTo Previous Page
Loading...
3650EVOLUTION - 3655 EVOLUTION
44
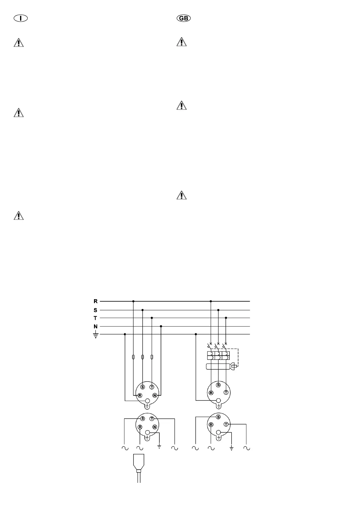
Fig.14
3650E
3655E
ELETTRODI
Le operazioni di manutenzione sugli elettrodi vanno eseguite
con la saldatrice spenta e con l’alimentazione dell’aria com-
pressa staccata.
Durante la lavorazione gli elettrodi devono rimanere puliti e il
loro diametro deve essere mantenuto a quello necessario per
il lavoro da eseguire. Sostituirli se eccessivamente usurati.
CIRCUITO PNEUMATICO
La manutenzione all’impianto pneumatico va eseguita
esclusivamente da personale specializzato, in grado di
effettuare le operazioni indicate in condizioni di sicurezza. Le
seguenti operazioni vanno eseguite, quando possibile, con la
saldatrice spenta e sezionata dalla linea di alimentazione
pneumatica, con il circuito scaricato dall’aria residua.
In caso di perdite d’aria interrompere immediatamente la
produzione ed eliminarle.
Scaricare periodicamente la condensa dal filtro dell’aria che
è posto sull’alimentazione della saldatrice.
Verificare la taratura del manometro.
CIRCUITO ELETTRICO
La manutenzione all’impianto elettrico va eseguita esclusiva-
mente da personale specializzato, in grado di effettuare le
operazioni indicate in condizioni di sicurezza. Le seguenti
operazioni vanno eseguite con la saldatrice sezionata dalla
linea elettrica in quanto scariche ricevute dall’alimentazione
possono essere mortali.
Controllare periodicamente l’efficienza della messa a terra
dell’impianto.
Controllare periodicamente l’efficienza dei dispositivi di co-
mando, microinterruttori, cavetti, connettori, ecc.
ELECTRODES
Electrodes maintenance must be carried out with the welder
switched off and with the compressed air supply disconnected.
When welding, the electrodes must be kept clean and their
diameter must be kept suitable for the work to be carried out.
Worn electrodes must be replaced.
PNEUMATIC CIRCUIT
Pneumatic circuit maintenance must be carried out only by
specialised personnel trained to accomplish it under safety
conditions. When possible, maintenance must be carried out
with the welder switched off and disconnected from the
pneumatic supply, with the circuit free of air.
In case of air leakage, immediately stop operating the welder.
Periodically drain the moisture from the filter group placed on
the welder supply input.
Check pressure gauges calibration.
ELECTRIC CIRCUIT
Electric circuit maintenance must be carried out only by
specialised personnel trained to accomplish it under safety
conditions. Disconnect the electric mains before carrying out
the following instructions as discharges coming from the
supply can be lethal.
Periodically check ground condition.
Periodically check the control devices condition: microswitches,
cables, connectors, etc..

Table of Contents

Related product manuals