EasyManua.ls Logo

TECOM Challenger10 - Testing your system; Challenger user interfaces

TECOM Challenger10
39 pages
Print Icon
To Next Page IconTo Next Page
To Next Page IconTo Next Page
To Previous Page IconTo Previous Page
To Previous Page IconTo Previous Page
Loading...
Challenger10 Installation and Quick Programming Manual 5
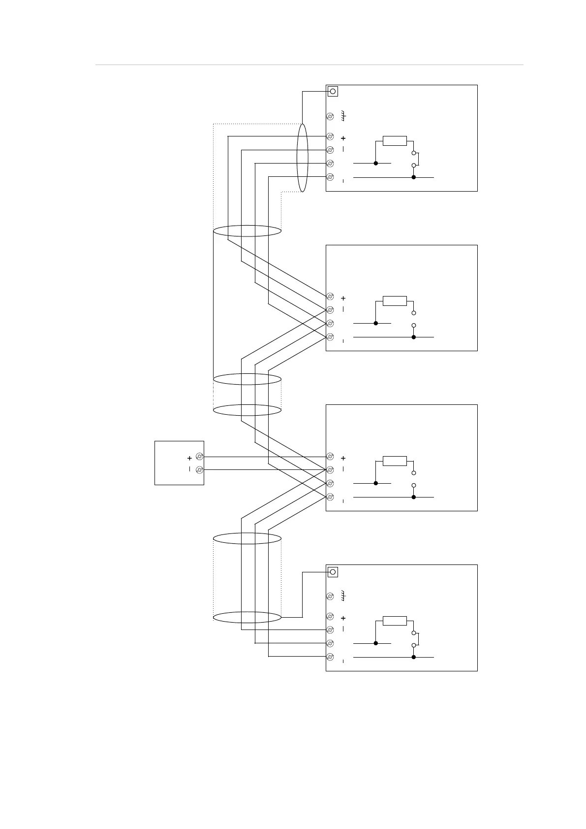
Figure 1: RS-485 LAN 1 or LAN 2 and earth system block diagram
D+ D
LAN Earth
TERM link on
Challenger panel
(first device on LAN)
D+ D
TERM link off
RAS without earth terminal
D+ D
TERM link off
D+ D
TERM link on
Data gathering panel
(last device on LAN)
External power supply
(if needed)
RAS without earth terminal
Power Earth
LAN Earth
Power Earth
(1)
(1)
(1)
(2)
(3)
(3)
(4)
(5)
(6)
(6)

Other manuals for TECOM Challenger10

Related product manuals