EasyManua.ls Logo

TECOM TS1061 - Appendix B: User Current Draw

TECOM TS1061
27 pages
Print Icon
To Next Page IconTo Next Page
To Next Page IconTo Next Page
To Previous Page IconTo Previous Page
To Previous Page IconTo Previous Page
Loading...
TS1061 Dual Wiegand Interface Installation Manual 17
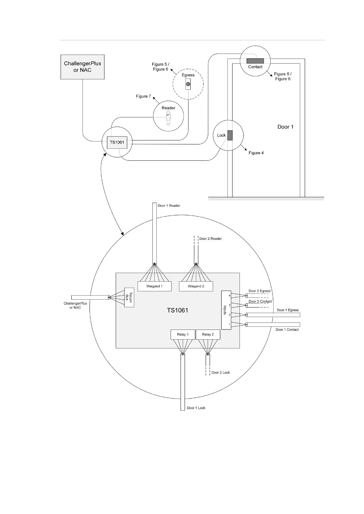
Figure 8: Door wiring example