EasyManua.ls Logo

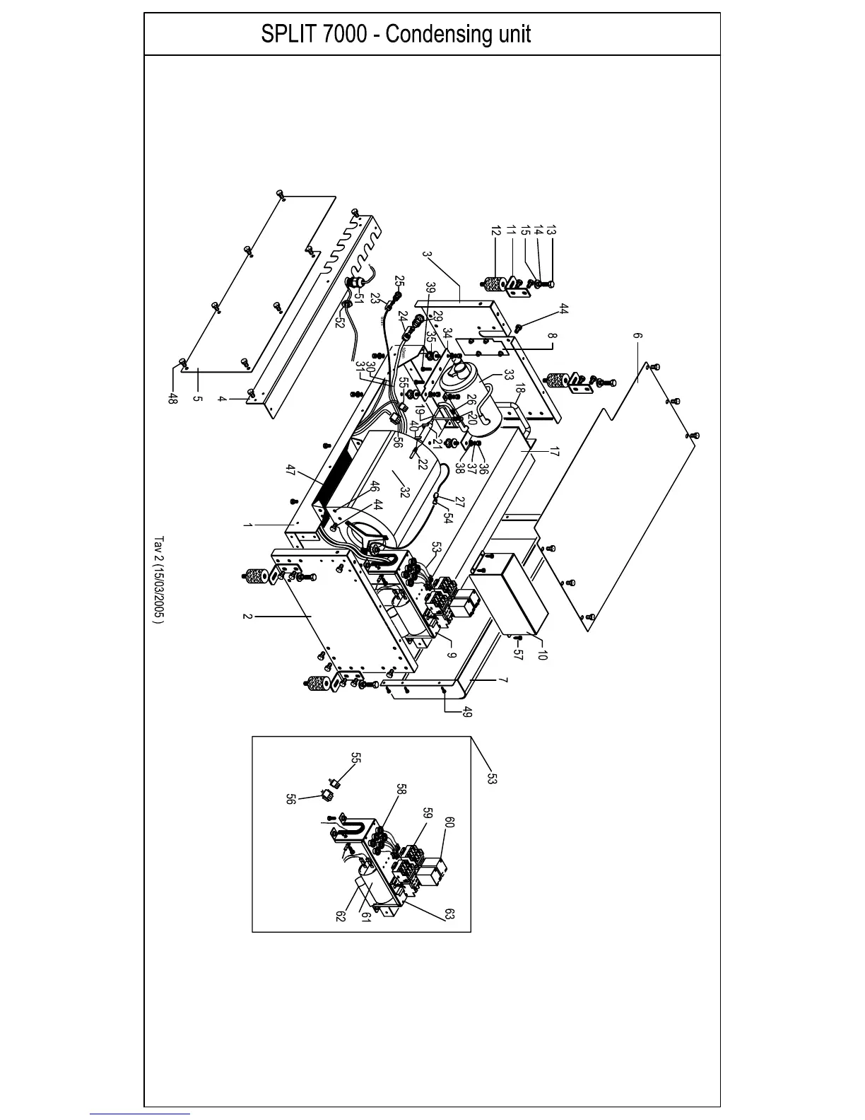
Telair ICEBERG SPLIT 7000 - Spare Part List

Telair ICEBERG SPLIT 7000
36 pages
Print Icon
To Next Page IconTo Next Page
To Next Page IconTo Next Page
To Previous Page IconTo Previous Page
To Previous Page IconTo Previous Page
Loading...

Related product manuals