EasyManua.ls Logo

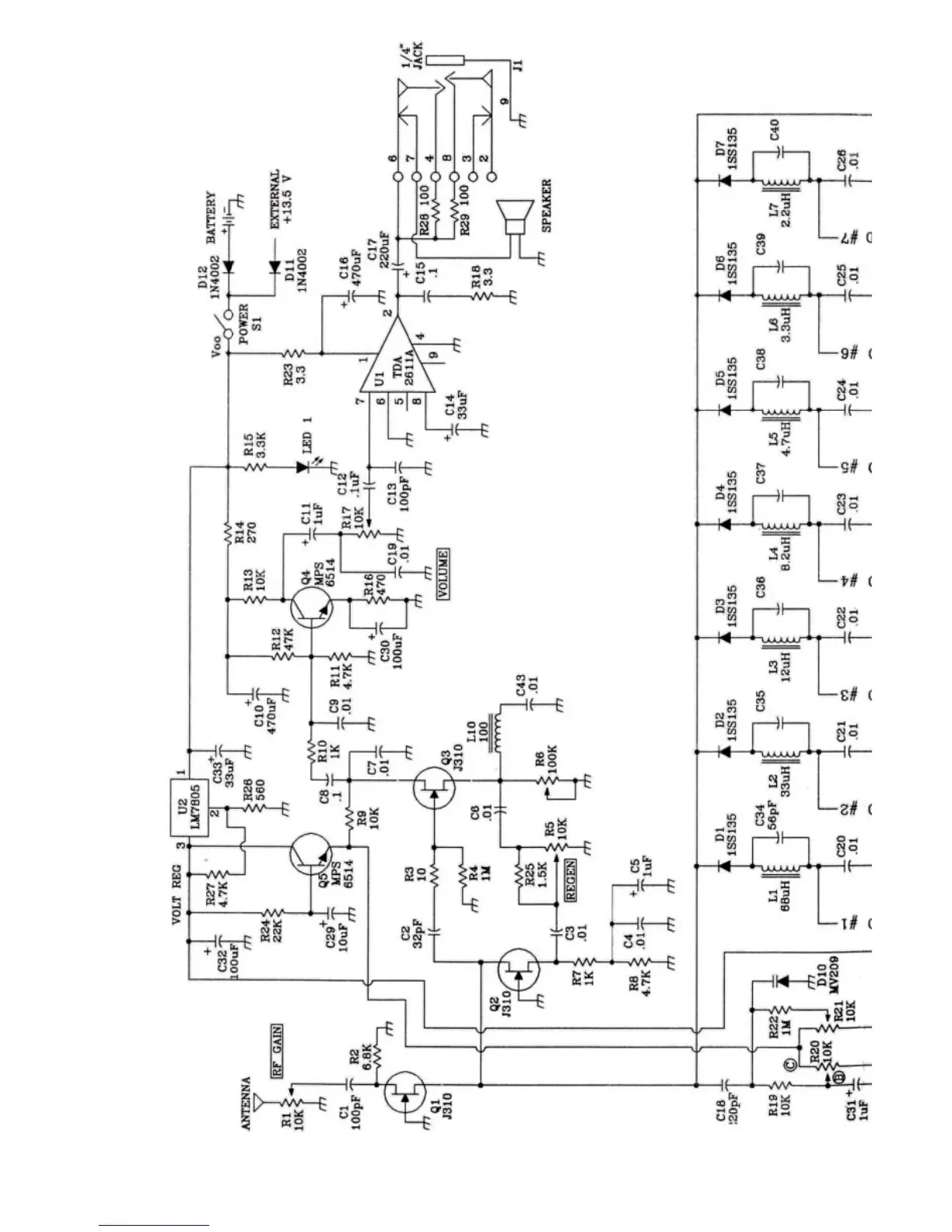
Ten-Tec 1253 - (Complete 1253 Schematic Diagram)

Ten-Tec 1253
68 pages
Print Icon
To Next Page IconTo Next Page
To Next Page IconTo Next Page
To Previous Page IconTo Previous Page
To Previous Page IconTo Previous Page
Loading...
1253 - 32 1253 - 33
T-KIT Model 1253 Receiver
Schematic Diagram

Related product manuals