EasyManua.ls Logo

Tescom T-340P - Power Interruption Handling; Utility Power Interruption

Default Icon
43 pages
Print Icon
To Next Page IconTo Next Page
To Next Page IconTo Next Page
To Previous Page IconTo Previous Page
To Previous Page IconTo Previous Page
Loading...
22
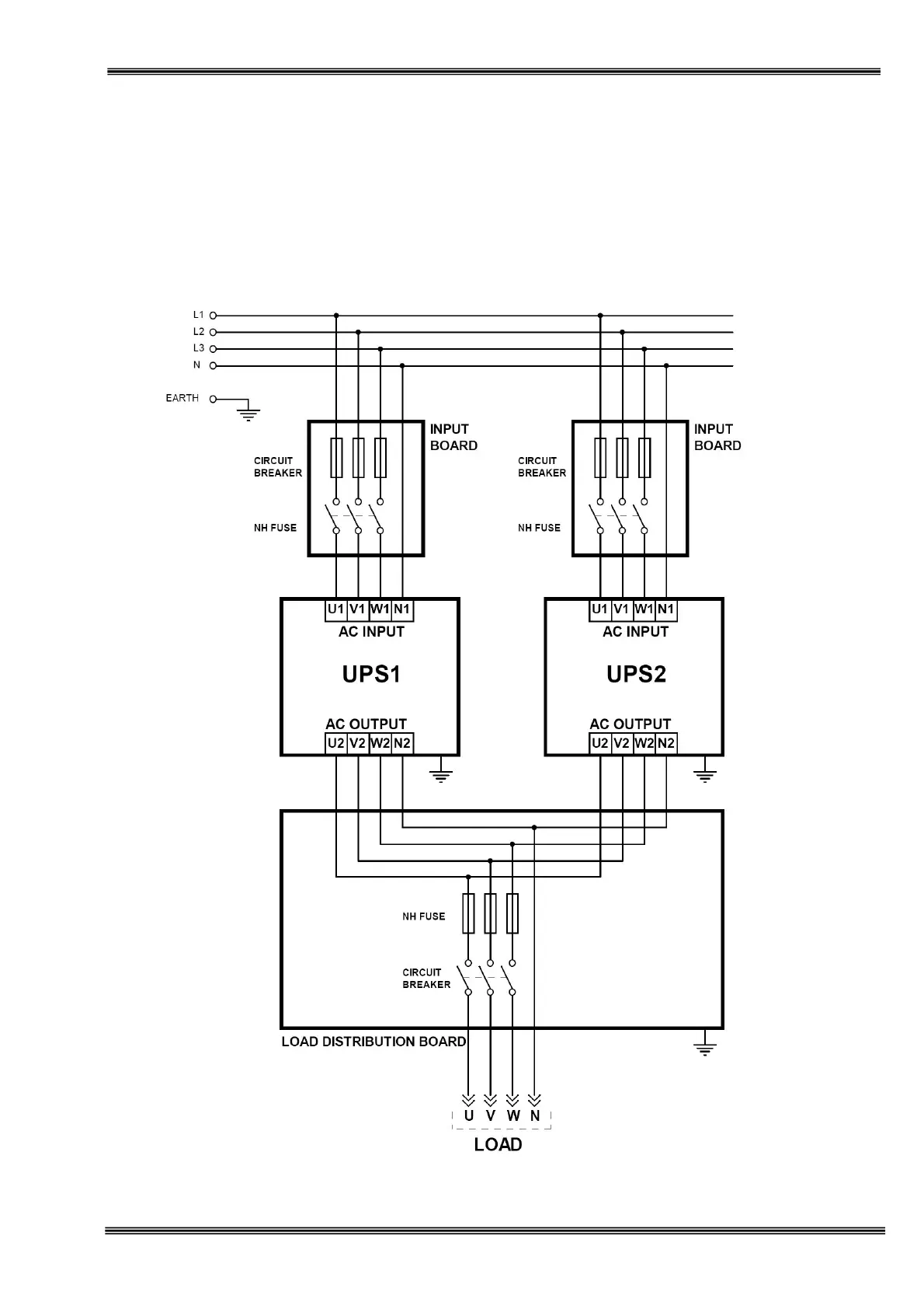
Figure 3
-
2
Parallel UPS connection
IMPORTANT NOTE: Parallel system installation is much more complex from stand alone UPS installation, it
needs qualified sevice personnel.
You have to keep 80 cm distance between two UPS for service purposes. The maximum length of digital and
analog cable is 2 meters.
Add %20 tolerant to cables, fuses and circuit breakers in parallel connection.
At figure 3-2, the connections of 2 parallel UPS and load switch panel is shown.

Table of Contents

Related product manuals