EasyManua.ls Logo

Texas Instruments DRV8833 - Page 28

Texas Instruments DRV8833
33 pages
Print Icon
To Next Page IconTo Next Page
To Next Page IconTo Next Page
To Previous Page IconTo Previous Page
To Previous Page IconTo Previous Page
Loading...
www.ti.com
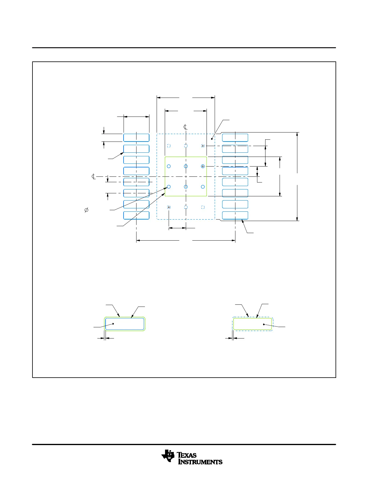
EXAMPLE BOARD LAYOUT
0.05 MAX
ALL AROUND
0.05 MIN
ALL AROUND
16X (1.5)
16X (0.45)
14X (0.65)
(5.8)
(R0.05) TYP
(3.4)
NOTE 9
(5)
NOTE 9
(1) TYP
(0.6)
(1.2) TYP
( 0.2) TYP
VIA
(2.46)
(2.31)
PowerPAD TSSOP - 1.2 mm max heightPWP0016C
SMALL OUTLINE PACKAGE
4224559/B 01/2019
NOTES: (continued)
6. Publication IPC-7351 may have alternate designs.
7. Solder mask tolerances between and around signal pads can vary based on board fabrication site.
8. This package is designed to be soldered to a thermal pad on the board. For more information, see Texas Instruments literature
numbers SLMA002 (www.ti.com/lit/slma002) and SLMA004 (www.ti.com/lit/slma004).
9. Size of metal pad may vary due to creepage requirement.
10. Vias are optional depending on application, refer to device data sheet. It is recommended that vias under paste be filled, plugged
or tented.
TM
LAND PATTERN EXAMPLE
EXPOSED METAL SHOWN
SCALE: 10X
SYMM
SYMM
1
8
9
16
METAL COVERED
BY SOLDER MASK
SOLDER MASK
DEFINED PAD
SEE DETAILS
17
15.000
METAL
SOLDER MASK
OPENING
METAL UNDER
SOLDER MASK
SOLDER MASK
OPENING
EXPOSED METAL
EXPOSED METAL
SOLDER MASK DETAILS
NON-SOLDER MASK
DEFINED
SOLDER MASK
DEFINED

Related product manuals