EasyManua.ls Logo

Texas Instruments LaunchPad MSP‑EXP430G2ET - Schematics (2 of 3)

Texas Instruments LaunchPad MSP‑EXP430G2ET
33 pages
To Next Page IconTo Next Page
To Next Page IconTo Next Page
To Previous Page IconTo Previous Page
To Previous Page IconTo Previous Page
Loading...
www.ti.com
Schematics
25
SLAU772AJune 2018Revised March 2020
Submit Documentation Feedback
Copyright © 2018–2020, Texas Instruments Incorporated
MSP430G2553 LaunchPad™ Development Kit (MSP
EXP430G2ET)
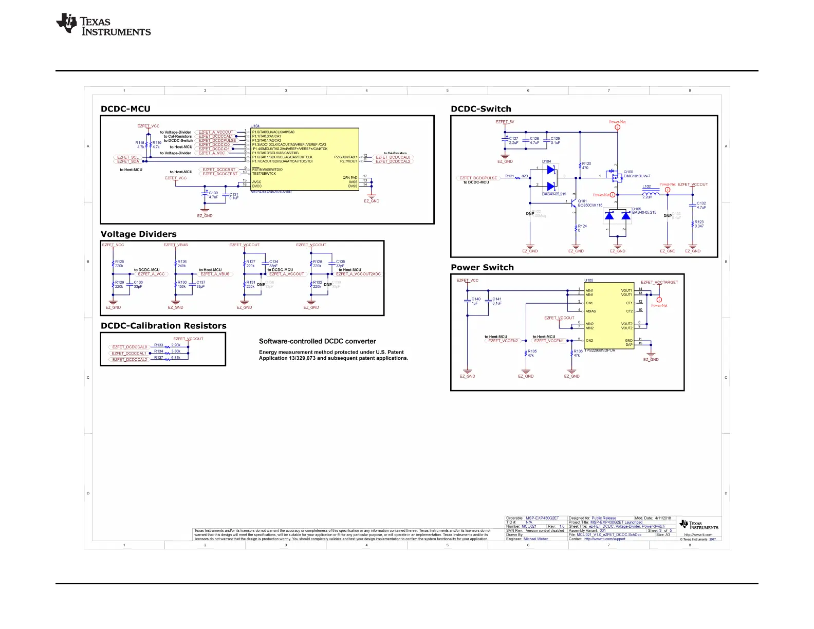
Figure 18. Schematics (2 of 3)

Table of Contents

Related product manuals