EasyManua.ls Logo

Texas Instruments LMP90100 - Example #3 - 3-Wire Rtd Application

Texas Instruments LMP90100
46 pages
Print Icon
To Next Page IconTo Next Page
To Next Page IconTo Next Page
To Previous Page IconTo Previous Page
To Previous Page IconTo Previous Page
Loading...
March 2009 SNAU028A 15
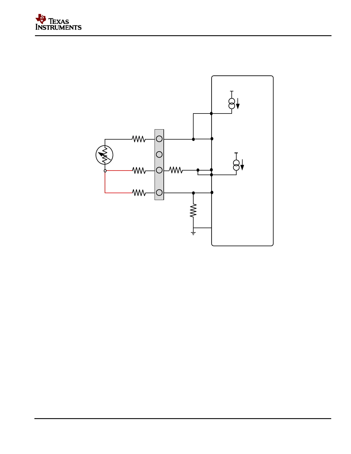
5.0. Example #3 - 3-wire RTD Application
A 3-wire RTD has a typical configuration shown in Figure 13. This section will explain how to configure
the LMP90100EB and software tool to evaluate a 3-wire RTD.
z
Figure 13 - 3-Wire RTD Configuration
A. LMP90100EB Jumper Connections
1. The jumper settings for this application are shown below. The jumpers not mentioned can be
left unconnected.
2. The SPIO-4 board is properly setup out of the box (no assembly required).
3. The schematic for the LMP90100EB can be seen in section 10.

Related product manuals