EasyManua.ls Logo

Texas Instruments LMP90100 - Example #4: Thermocouple and Lm94022 Application

Texas Instruments LMP90100
46 pages
Print Icon
To Next Page IconTo Next Page
To Next Page IconTo Next Page
To Previous Page IconTo Previous Page
To Previous Page IconTo Previous Page
Loading...
March 2009 SNAU028A 21
6.0. Example #4: Thermocouple and LM94022 Application
A. Thermocouple and Cold Junction Compensation Background
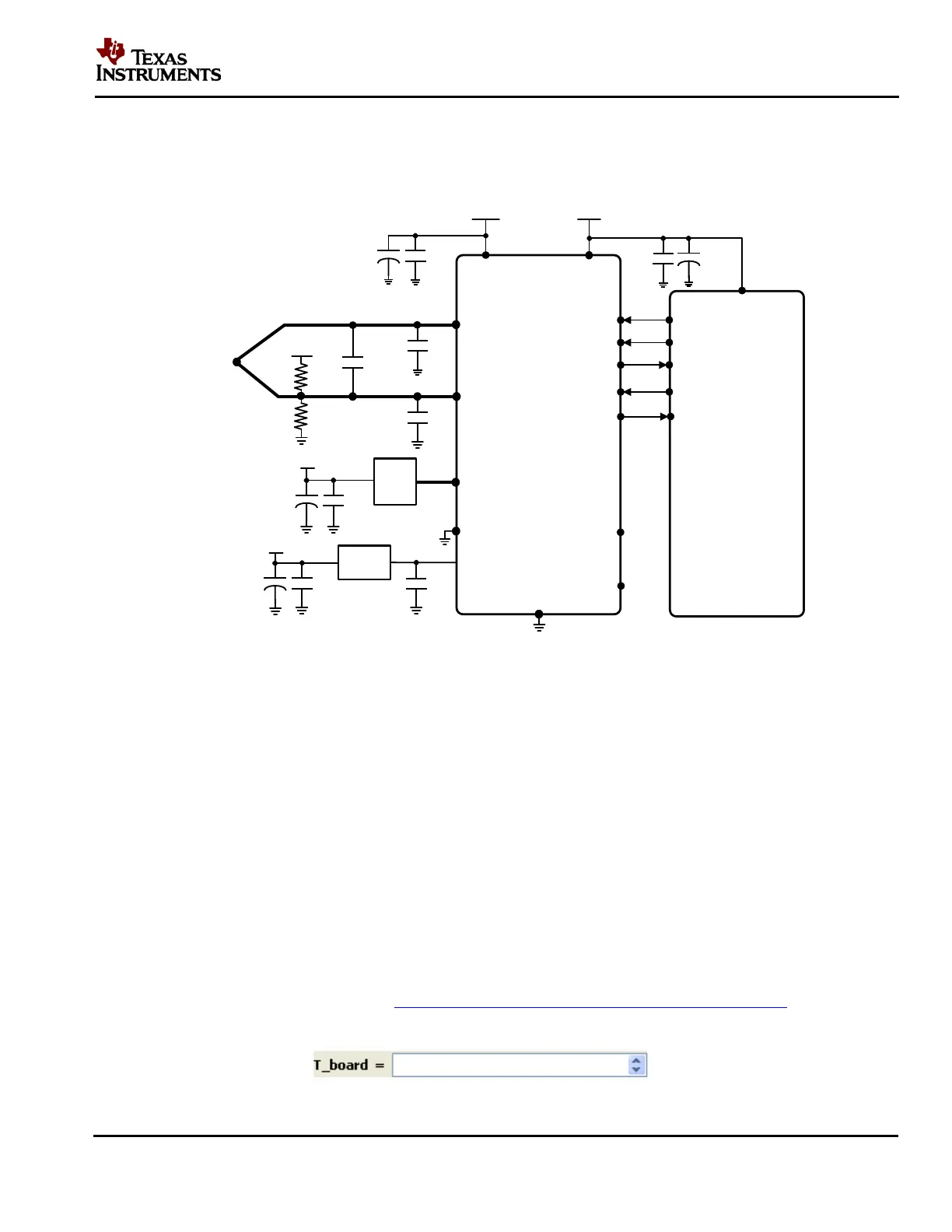
Figure 19 – Thermocouple and Temperature Sensor Connection
As described in section 17.6.2. of the LMP90100 datasheet, because a thermocouple can only
measure a voltage difference and thus a temperature difference (relative temperature), it does not
have the ability to measure absolute temperature. To determine the absolute temperature of the
measured environment, a technique known as cold junction compensation (CJC) must be used.
In a CJC technique, the “cold” junction temperature, Tcold (Figure 19), is sensed by using an IC
temperature sensor, such as the LM94022. The temperature sensor should be placed within close
proximity of the reference junction. The LM94022 is placed underneath the thermocouple
connector J4 on the LMP90100 evaluation board.
The technique to calculate for Thot using the CJC method can be found in the LMP90100
datasheet.
The Sensor AFE software does have the ability to display the relative thermocouple temperature
using a Type K look-up-table (http://www.intech.co.nz/products/temperature/typek.html). In
addition, if the LM94022 (or any other temperature sensors) is connected to the LMP90100, then
the software can also read its temperature (Tcold). However, the user has to manually enter this
Tcold value in the field located on the upper
left hand side of the GUI. The software will use this T_board value to calculate for Thot.
B. Thermocouple and LM94022 Schematic on the LMP90100EB