EasyManua.ls Logo

Thales Gemalto AGS2-E - Page 31

Thales Gemalto AGS2-E
34 pages
Print Icon
To Next Page IconTo Next Page
To Next Page IconTo Next Page
To Previous Page IconTo Previous Page
To Previous Page IconTo Previous Page
Loading...
Audio Codec Adapter Setup for Cinterion
®
Modules
6 Appendix C - NAU8822 Codec Adapter Schematics
33
audio_codec_adapter_setup_v04 2019-10-16
Confidential / Released
Page 31 of 34
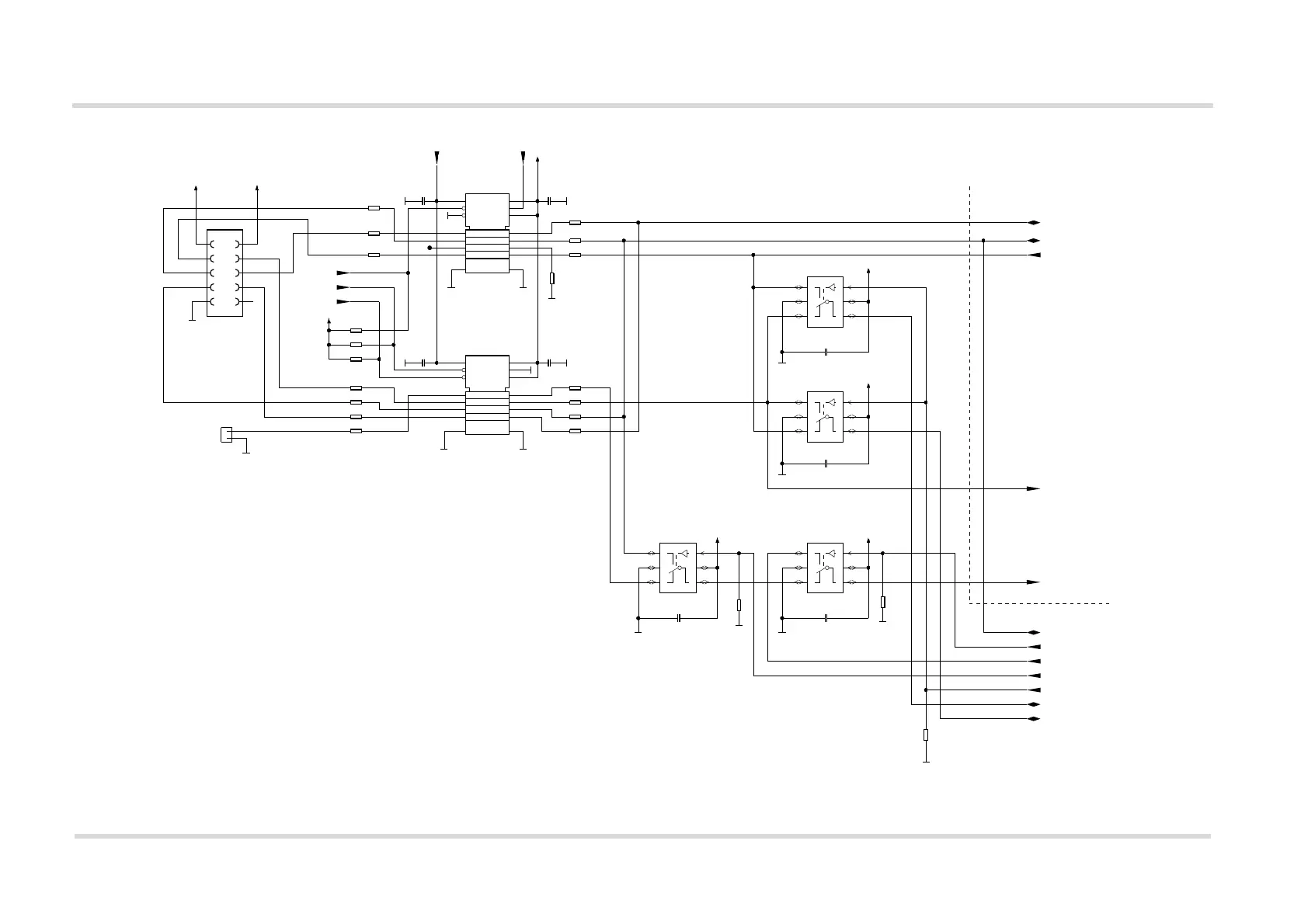
Figure 20: NAU8822 codec adapter board schematics (sheet 2)
100n
C205
100n
C203
X203
1
2
100n
C201
100n
C202
100n
C200
100n
C204
X201
21
3
4
5
6
7
8
9
10
S1
GND
S2 D
VCC
IN
Analog Switch
D203
3
2
1
4
5
6
S1
GND
S2 D
VCC
IN
Analog Switch
D202
3
2
1
4
5
6
S1
GND
S2 D
VCC
IN
Analog Switch
D200
3
2
1
4
5
6
S1
GND
S2 D
VCC
IN
Analog Switch
D201
3
2
1
4
5
6
+2V9
AC_DACIN
+5V0
AC_ADCOUT
ARM_PH8_PCM_I2S_DIR
GND
+2V9
ARM_TC65_PCM_SL
AC_MCLK
ARM_MCLK_SEL
ARM_SPI2_DAT_SEL
ARM_PH8_I2S
+2V9
+2V9
+2V9
GND
GND
GND
MODULE_VOLT_LVL1
GND
74AVC4T245
D204
4
1A1
1A2
5
6
2A1
2A2
7
VCCA
1
1B1
13
12
1B2
11
2B1
2B2
10
8
GND1
2
1DIR
3
2DIR
VCCB
16
15
1OE
2OE
14
GND2
9
74AVC4T245
D205
4
1A1
1A2
5
6
2A1
2A2
7
VCCA
1
1B1
13
12
1B2
11
2B1
2B2
10
8
GND1
2
1DIR
3
2DIR
VCCB
16
15
1OE
2OE
14
GND2
9
GND
GND
GND
GND
TP6
100n
C206
100n
C207
GNDGND
GND
GND
GND
+2V9
ARM_TC65_PCM_SL_N
GND
GND
GND
ARM_BCLK_SEL
GND
+2V9
GND
GND
100R
R217
100R
R218
100R
R219
100R
R205
100R
R207
100R
R204
100R
R206
100R
R202
100R
R212
100R
R214
100R
R211
100R
R210
100R
R209
100R
R208
47k
R200
47k
R201
47k
R213
47k
R203
47k
R215
47k
R216
10k
R220
ARM_SPI2_MISO
ARM_SPI2_MOSI
AC_BCLK
ARM_CLK_OUT
AC_FS
AC_BCLK
ARM_SPI2_MISO
ARM_SPI2_MOSI
DSB_RX
DSB_RX
DSB_BITCLK
DSB_BITCLK
DSB_FSC
DSB_FSIN
DSB_BITCLKIN
DSB_BITCLKIN
DSB_TX
DSB_TX
MCLK
AC_ADCOUT
ARM_SPI2_DAT_SEL
ARM_SPI2_DAT_SEL
MAIN CONNECTOR
Platzierung checken!!!
AUDIO CODEC
ARM
MCLK_IN
DIGITAL AUDIO PATH