EasyManua.ls Logo

Thomas 35DT - Hydraulic Circuit

Thomas 35DT
70 pages
Print Icon
To Next Page IconTo Next Page
To Next Page IconTo Next Page
To Previous Page IconTo Previous Page
To Previous Page IconTo Previous Page
Loading...
34
4. MAINTENANCE
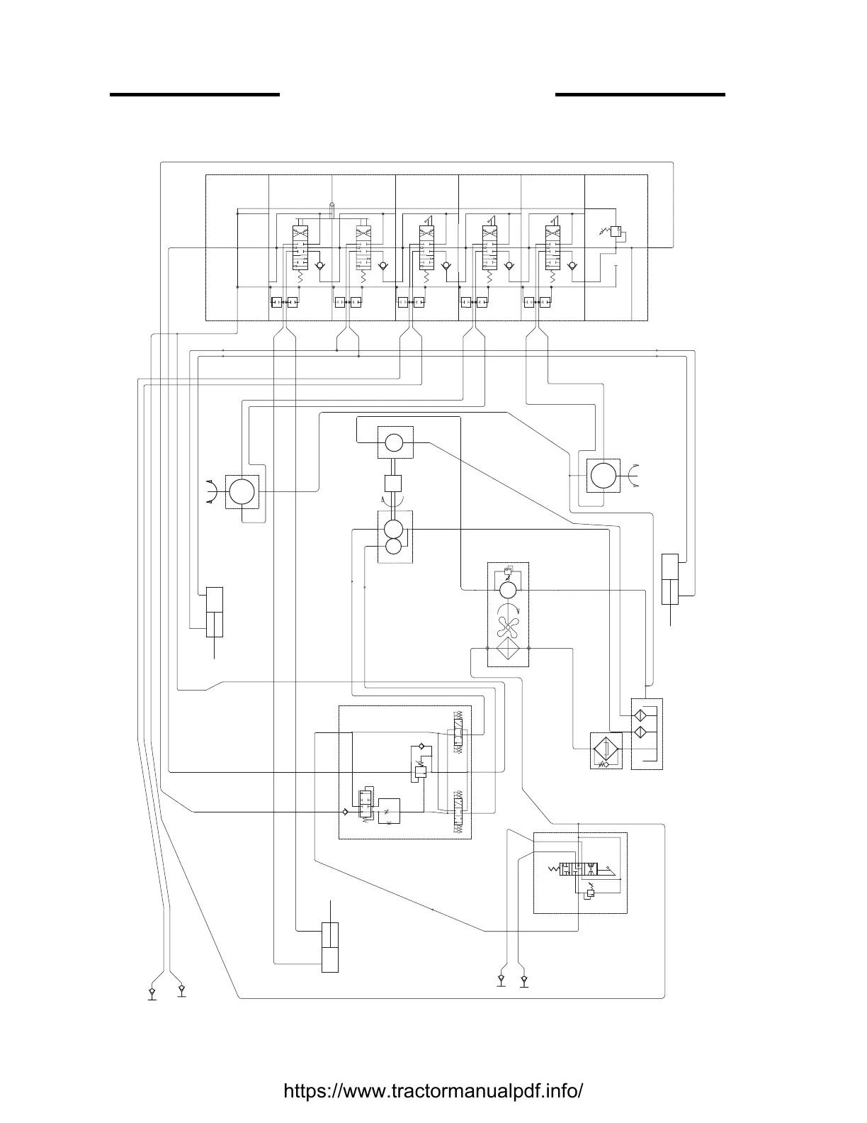
4.13 HYDRAULIC CIRCUIT
M
M
M
Auxiliary valve
Reservoir
10 Micron Filter
LH Lift
RH Lift
Tank
RH Drive motor
Female
Outside
Oil to Air
Hydraulic
Cooler
LH Drive motor
P
PT
B
B
B
T
T
O
P
P3
Out
C
A
A
Tilt
Cylinder
In
P1
P2
Main Control Valve
Male
Center
Female Outside
Male
Center
IC
P2
P1
B
O
T
T
O
M
A
C4717
https://www.tractormanualpdf.info/

Related product manuals