EasyManua.ls Logo

Thomas 35DT - Electrical Circuit

Thomas 35DT
70 pages
Print Icon
To Next Page IconTo Next Page
To Next Page IconTo Next Page
To Previous Page IconTo Previous Page
To Previous Page IconTo Previous Page
Loading...
35
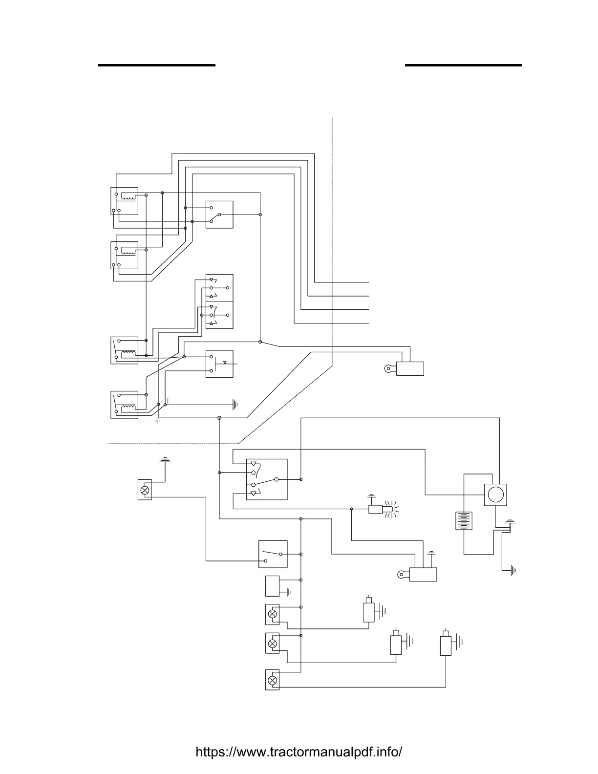
4. MAINTENANCE
4.14 ELECTRICAL CIRCUIT
&RPELQHU
/DWFKLQJ
5HOD\
9DOYH

5HOD\
9DOYH

5HOD\
/LJKW
6ZLWFK
,JQLWLRQ
6ZLWFK
HM
2LO
3UHVVXUH
/LJKW
:DWHU
7HPS
/LJKW
:RUN
/DPS
9
%DWWHU\
2LO3UHVV
6HQGHU
(QJ
7HPSHU
6HQGHU
*ORZ
3OXJV
(QJLQH
6\QFUR
6WDUW
+\G2LO
7HPS
/LJKW
2LO
7HPSHU
6HQGHU
%UDNH
6RO
*URXQG
3ZU
'RZQ2II$
8S&RPE&


$
$


2U
2U
2U
2U
*U\
*U\
*U\
*U\
60
Y
*1'
3XVK
%XWWRQ
6DIHW\
5RFNHU
6ZLWFK
&RPELQHG
$%
6HOHFWRU
6ZLWFK
6DIHW\
/DWFKLQJ
5HOD\
$
%
&RPELQHG
1RUPDO
9
9
V-1 V-2 V-3 V-4 Safety Switch A-B Rotary Rocker - Combiner
0 0 0 0 All Off Off Either Either
1 0 1 0 Low Drive - High Aux On “A” Normal - Off
0 1 0 1 High Drive - Low Aux On “B” Normal - Off
1 0 0 1 Super Vari Drive - Vari Aux On “A” Active - On
0 1 1 0 Super Aux - No Drive On “B” Active - On
C4131
https://www.tractormanualpdf.info/

Related product manuals