EasyManua.ls Logo

THORENS TD 2001 - Circuit Diagram

THORENS TD 2001
13 pages
Print Icon
To Next Page IconTo Next Page
To Next Page IconTo Next Page
To Previous Page IconTo Previous Page
To Previous Page IconTo Previous Page
Loading...
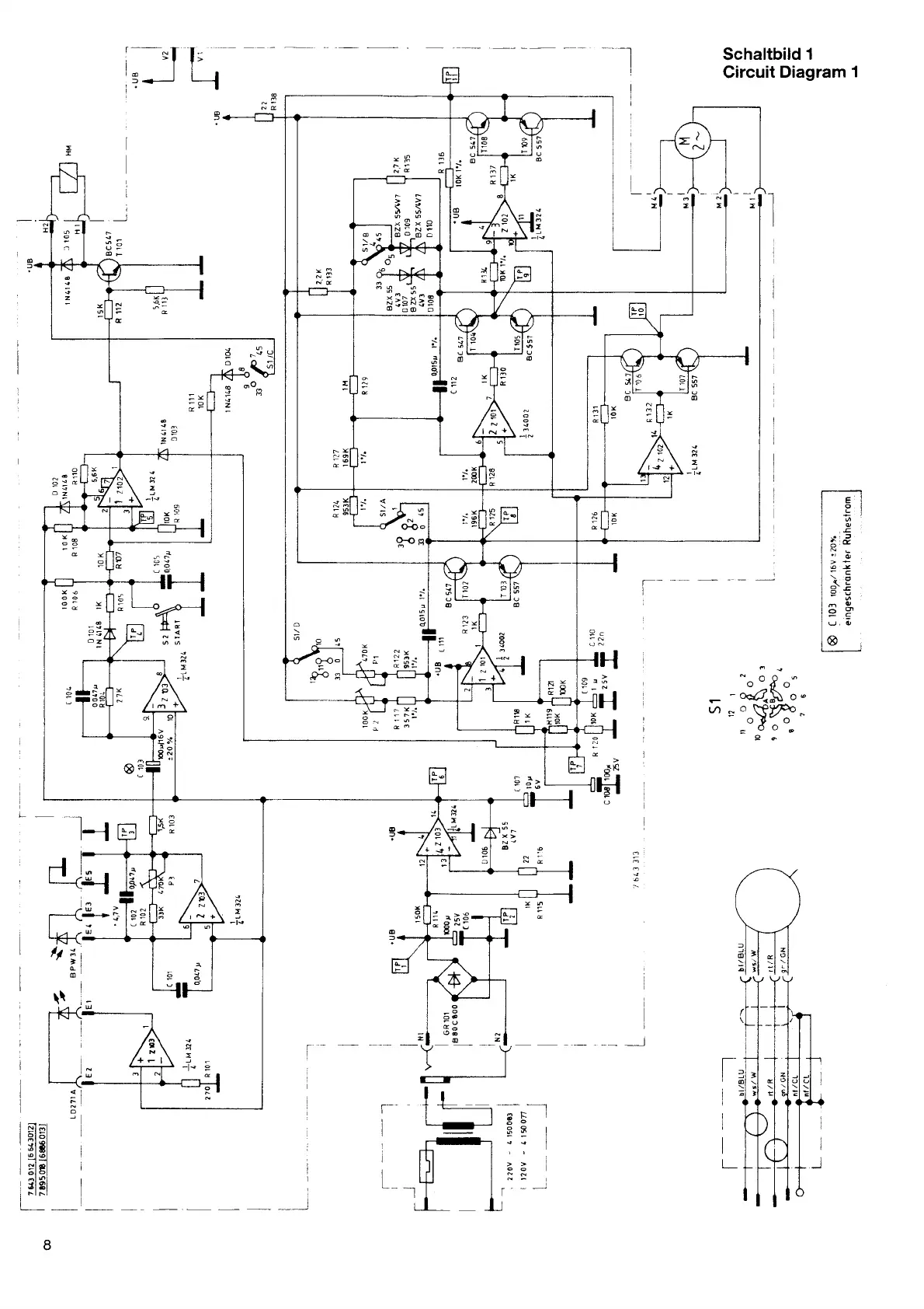
Schaltbild I
Circuit
Diagram
1
9**
ot)
59
za
É
0
E
3rE
r5
{ts
=P
u,
i
a
-
I
^
:^"
-
o
-rÍ
o
-
-
o"./.§
o.
-':.Yfr"
9o
e.à
.l--r
l
I
I Èlil
r
3l5l
I :lel
-l
nl
I
rlsl
!
I
à
*3
f;
H
6:
o
-O-
z
:
Ë
-r,
t--
l
,fl]
{
P
o
+
3==
.J3
@

Related product manuals