EasyManua.ls Logo

Thytronic NA011 - Binary Inputs

Thytronic NA011
95 pages
Print Icon
To Next Page IconTo Next Page
To Next Page IconTo Next Page
To Previous Page IconTo Previous Page
To Previous Page IconTo Previous Page
Loading...
FUNCTION CHARACTERISTICS
26
NA011 - Manual - 05 - 2022
Binary inputs
Three binary inputs are available.
The dry inputs must be powered with an external voltage, (usually the auxiliary power supply).
The connections are shown in the schematic diagrams.
FUNCTION
Binary input
IN1 IN2 IN3
52a (auxiliary CB contact)
52b (auxiliary CB contact)
Trip-EXT (Remote trip)
79 Enable (Automatic reclosing)
79 Remote (Automatic reclosing)
CB Open
CB Close
52a and 52b
The CB position can be acquired by means of binary inputs connected to the auxiliary contacts: the
information is used to acquire the CB position (open-closed-fault).
External trip (Trip EXT)
The input activation enables the remote trip function.
79 Enable
The input activation enables the auto reclosing function.
79 Remote
The input activation (pulse) starts the automatic reclosing sequence.
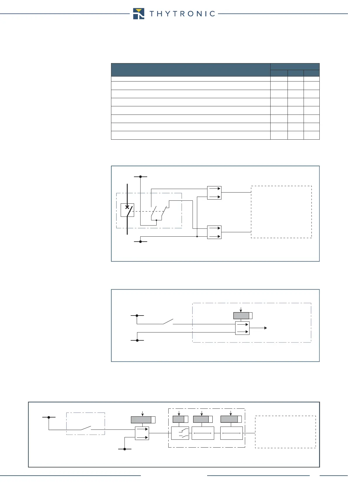
CB position
CB diagnostic
52a
52
52b
+UAUX
-UAUX
IN2
IN1
Binary input allocation for CB state acquisition
External TRIP
+UAUX
-UAUX
NA011
Binary input IN3
Towards Remote trip
Remote trip
Ext TRIP
IN3 select
79-ext.ai
External trip
+UAUX
-UAUX
Binary input IN3
T 0
IN1
t
ON
T0
n.o.
n.c.
IN3 tON
Logic
79 Remote
IN3 tOFF
IN1
t
OFF
Binary input allocation for trip acquisition from external protection device to automatic reclosing starting
Reclosing (79)

Table of Contents

Related product manuals