EasyManua.ls Logo

Thytronic NA011 - Page 35

Thytronic NA011
95 pages
Print Icon
To Next Page IconTo Next Page
To Next Page IconTo Next Page
To Previous Page IconTo Previous Page
To Previous Page IconTo Previous Page
Loading...
FUNCTION CHARACTERISTICS
35
NA011 - Manual - 05 - 2022
Fun_50-51S2.ai
I
L1
I
L2
t
>>RES
T0
RESET
t
>>def
0T
1
t
>>def
I
>>def
t
>>RES
Start I>>
Trip I>>
CB-State
(Pickup within CLP)
(Pickup outside CLP)
T 0
t
CLP>>
ICLP>>Mode
I
CLP
>>def
t
CLP
>>
I
L1
I>>
def
I
L1
I>>
def
BF Enable (ON Enable)
I>>BF
towards BF logic
I>> BF
&
Trip I>>
TRIPPING MATRIX
(LED+RELAYS)
A
B
C
A =“1”A =“0 or OFF”
Output
t
CLP>>
I
L3
t
CLP>>
CB State CB OPEN CB CLOSED CB OPEN
Output t
CLP>>
t
0.1 s
HIGH THRESHOLD/
BLOCK
LOW THRESHOLD/
UNBLOCK
HIGH THRESHOLD/
BLOCK
A = ON - Change setting
B = OFF
C = ON - Element blocking
I>>TR-K
I>>TR-L
I>>ST-L
I>>ST-K
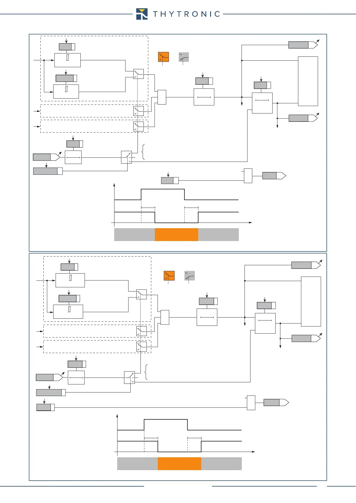
Phase overcurrent (50/51) - Second element logic diagram (I>>)
Fun_50-51S3.ai
I
L1
I
L2
t
>>>RES
T0
RESET
t
>>>def
0T
1
t
>>>def
I
>>>def
t
>>>RES
Start I>>
Trip I>>>
CB-State
(Pickup within CLP)
(Pickup outside CLP)
T 0
t
CLP>>>
ICLP>>>Mode
I
CLP
>>def
t
CLP
>>>
I
L1
I>>>
def
I
L1
I>>>
def
BF Enable (ON Enable)
I>>>BF
towards BF logic
I>>> BF
&
Trip I>>>
TRIPPING MATRIX
(LED+RELAYS)
A
B
C
A =“1”A =“0 or OFF”
Output
t
CLP>>>
I
L3
t
CLP>>>
CB State CB OPEN CB CLOSED CB OPEN
Output t
CLP>>>
t
0.1 s
HIGH THRESHOLD/
BLOCK
LOW THRESHOLD/
UNBLOCK
HIGH THRESHOLD/
BLOCK
A = ON - Change setting
B = OFF
C = ON - Element blocking
I>>>TR-K
I>>>TR-L
I>>>ST-L
I>>>ST-K
Phase overcurrent (50/51) - third element logic diagram (I>>>)

Table of Contents

Related product manuals