EasyManua.ls Logo

Thytronic NA011 - Page 38

Thytronic NA011
95 pages
Print Icon
To Next Page IconTo Next Page
To Next Page IconTo Next Page
To Previous Page IconTo Previous Page
To Previous Page IconTo Previous Page
Loading...
FUNCTION CHARACTERISTICS
38
NA011 - Manual - 05 - 2022
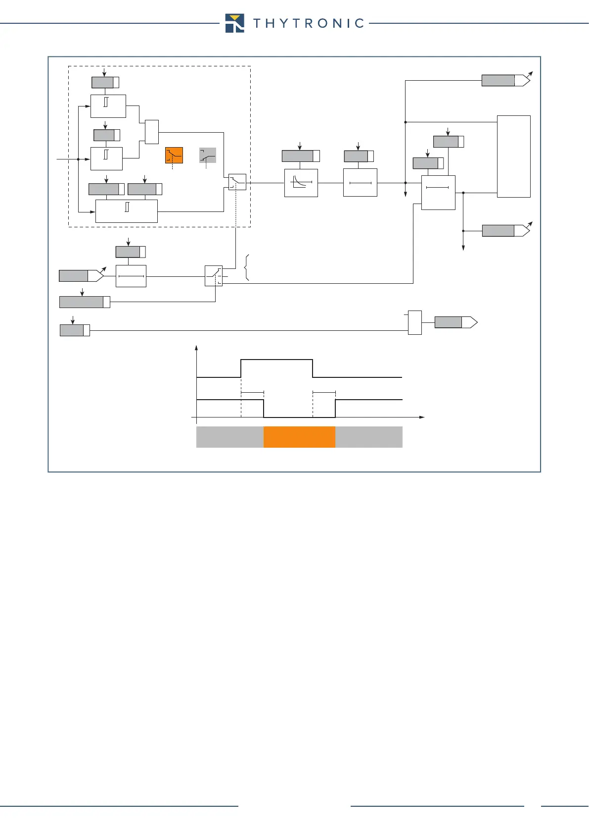
Residual overcurrent (50N/51N) - Second element logic diagram (IE>>)
Fun_50N-51NS2.ai
t
>>
RES
T0
RESET
t
E>>
0T
t
E
>>
def
t
E
>>
inv
t
E>>RES
Start IE>>
Trip IE>>
CB-State
T 0
t
ECLP
>>
IECLP
>>
Mode
t
E
CLP
>>
BF Enable (ON Enable)
IE>>BF
towards BF logic
IE>> BF
&
Trip IE>>
TRIPPING MATRIX
(LED+RELAYS)
I
E
>> Curve
0T
A
B
C
A =“1”A =“0 or OFF”
Output
t
ECLP
>>
t
ECLP
>>
CB State CB OPEN CB CLOSED CB OPEN
Output t
ECLP
>>
t
0.1 s
HIGH THRESHOLD/
BLOCK
LOW THRESHOLD/
UNBLOCK
HIGH THRESHOLD/
BLOCK
A = ON - Change setting
B = OFF
C = ON - Element blocking
I
E
>>TR-K
I
E
>>TR-L
I
E
>>ST-L
I
E
>>ST-K
I
E
1
(Pickup within CLP)
(Pickup outside CLP)
I
E
CLP
>def
I
E
CLP
>inv
I
E
I
ECLP
>
I
E
>>
inv
I
E
I
E
>>
def
I
E
I
E
>
inv
I
E
>>
def

Table of Contents

Related product manuals