EasyManua.ls Logo

Thytronic NA016 - Page 30

Thytronic NA016
69 pages
Print Icon
To Next Page IconTo Next Page
To Next Page IconTo Next Page
To Previous Page IconTo Previous Page
To Previous Page IconTo Previous Page
Loading...
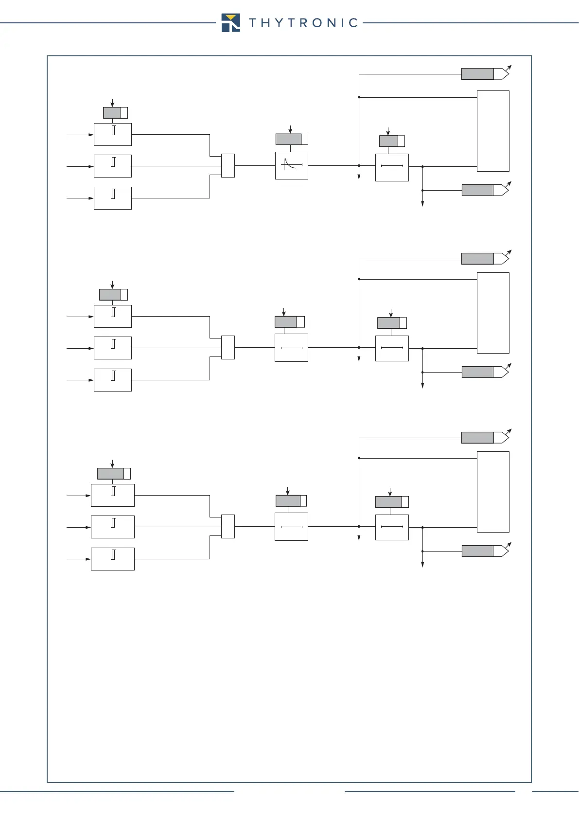
FUNCTION CHARACTERISTICS
30
NA016 - Manual - 05 - 2022
Fun_50-51S1.ai
I
L1
t
>
inv
0T
1
I
>
inv
t
>
inv
Start I>
Trip I>
I
L1
I
>
inv
TRIPPING MATRIX
(LED+RELAYS)
I> Curve
0T
I
L2
I
L2
I
>
inv
I
L3
I
L3
I
>
inv
I>Start relays
I>Start LEDs
I>Trip relays
I>Trip LEDs
I
L1
t
>>
def
0T
1
I
>>
def
t
>>
def
Start I>>
Trip I>>
I
L1
I
>>
def
TRIPPING MATRIX
(LED+RELAYS)
I
L2
I
L2
I
>>
def
I
L3
I
L3
I
>>
def
I>>Start relays
I>>Start LEDs
I>>Trip relays
I>>Trip LEDs
t
>>RES
T0
t
>>RES
I
L1
t
>>
def
0T
1
I
>>>
def
t
>>>
def
Start I>>>
Trip I>>>
I
L1
I
>>>
def
TRIPPING MATRIX
(LED+RELAYS)
I
L2
I
L2
I
>>>
def
I
L3
I
L3
I
>>>
def
I>>>Start relays
I>>>Start LEDs
I>>>Trip relays
I>>>Trip LEDs
t
>>>RES
T0
t
>>>RES
General logic diagram of the phase overcurrent elements - 50/51

Table of Contents

Related product manuals