EasyManua.ls Logo

Thytronic NA016 - APPENDIX B3 - Connection Diagrams

Thytronic NA016
69 pages
Print Icon
To Next Page IconTo Next Page
To Next Page IconTo Next Page
To Previous Page IconTo Previous Page
To Previous Page IconTo Previous Page
Loading...
APPENDIX
65
NA016 - Manual - 05 - 2022
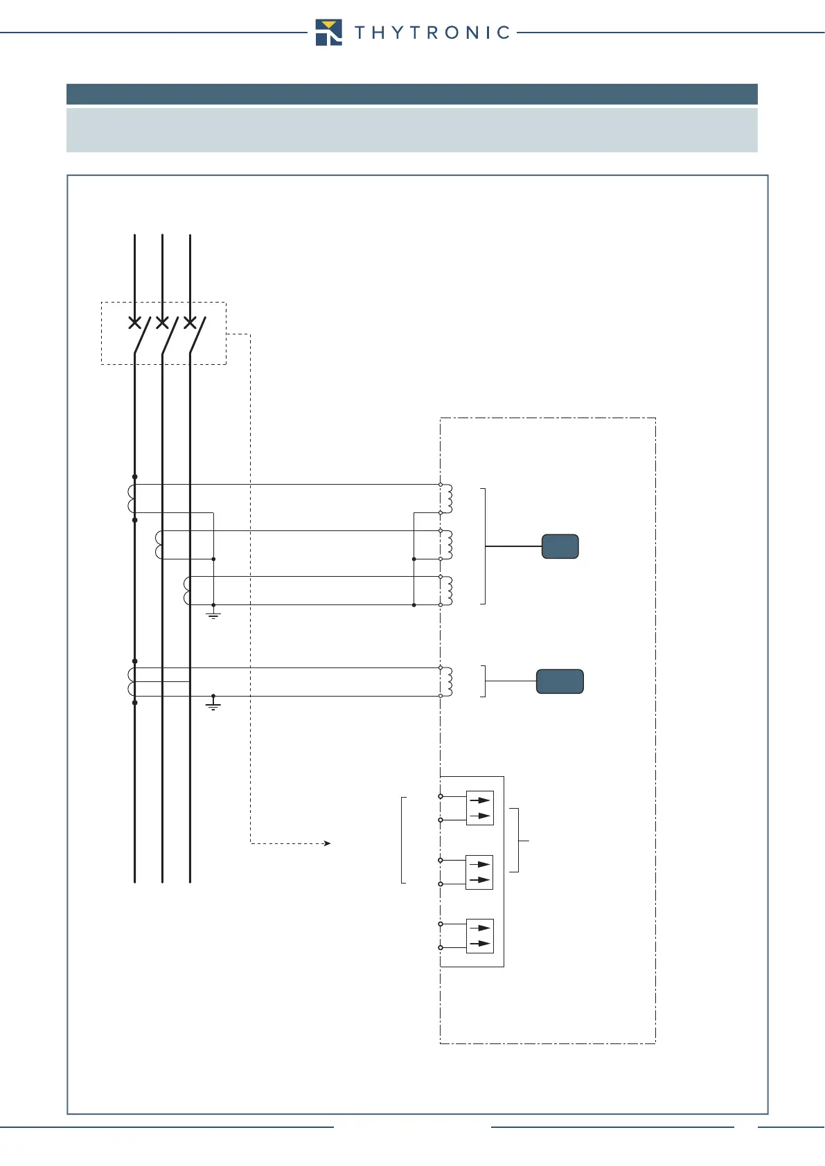
8.4 APPENDIX B3 - Connection diagrams
Note: Some typical connection diagram are shown.
All diagram must be considered just as example; they cannot be comprehensive for real applications.
For all diagrams the output contacts are shown in de-energized state for standard reference.
NA016-SCH.ai
CB position
NA016
C1
I
L1
I
L2
I
L3
P1
S1
S2
P2
C2
C3
C4
C5
C6
C7
C8
A13
IN1
IN2
IN3
A14
A15
A16
A17
A18
DG
50/51
I
E
P1
S1
S2
P2
50N/51N
CIrcuit Breaker
Monitoring
Trip Circuit
Supervision (TCS)
Three phase CTs and residual current from core balanced CT

Table of Contents

Related product manuals