EasyManua.ls Logo

Thytronic NA016 - Page 66

Thytronic NA016
69 pages
Print Icon
To Next Page IconTo Next Page
To Next Page IconTo Next Page
To Previous Page IconTo Previous Page
To Previous Page IconTo Previous Page
Loading...
APPENDIX
66
NA016 - Manual - 05 - 2022
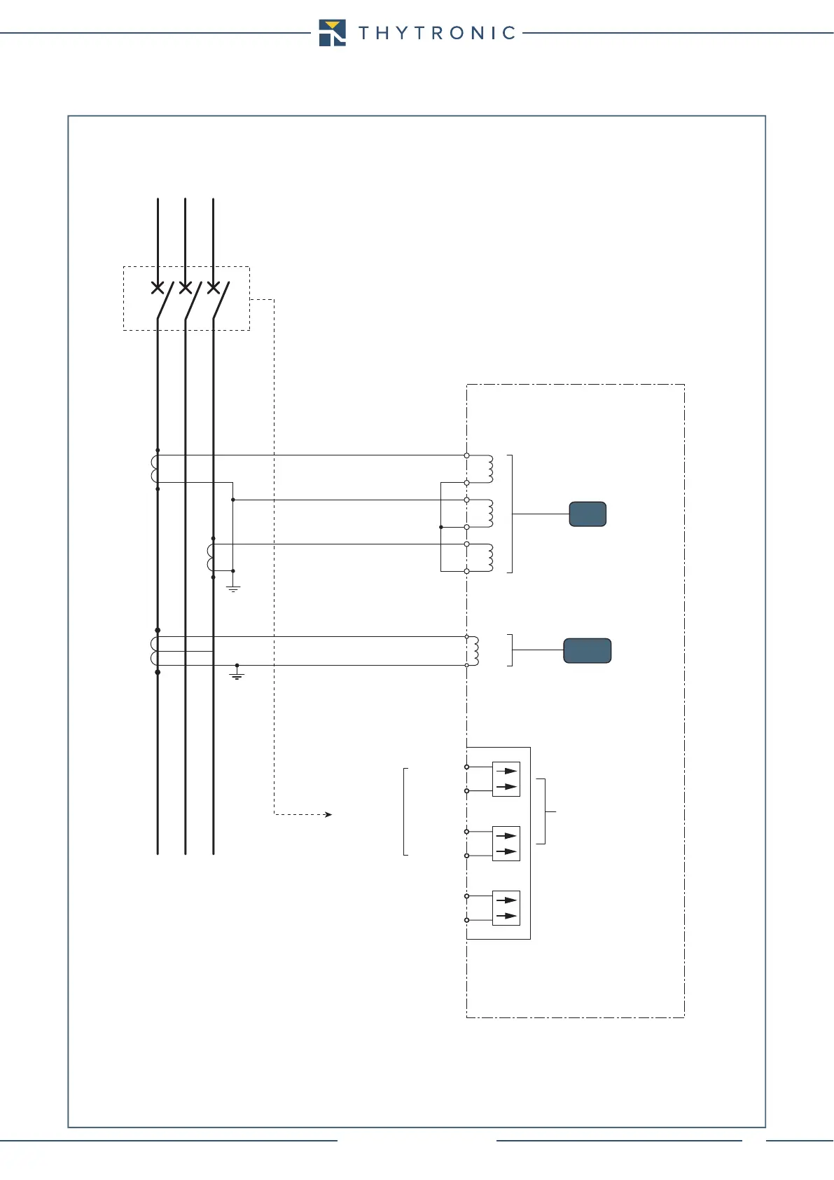
NA016-SCH2.ai
C2
C1
C3
C4
C5
C6
P1
S1
S2
P2
I
L1
I
L2
I
L3
CB position
NA016
A13
IN1
IN2
IN3
A14
A15
A16
A17
A18
DG
50/51
I
E
P1
S1
S2
P2
C7
C8
50N/51N
Two phase CTs and residual current from core balanced CT
CIrcuit Breaker
Monitoring
Trip Circuit
Supervision (TCS)

Table of Contents

Related product manuals