EasyManua.ls Logo

Thytronic NA016 - Page 32

Thytronic NA016
69 pages
Print Icon
To Next Page IconTo Next Page
To Next Page IconTo Next Page
To Previous Page IconTo Previous Page
To Previous Page IconTo Previous Page
Loading...
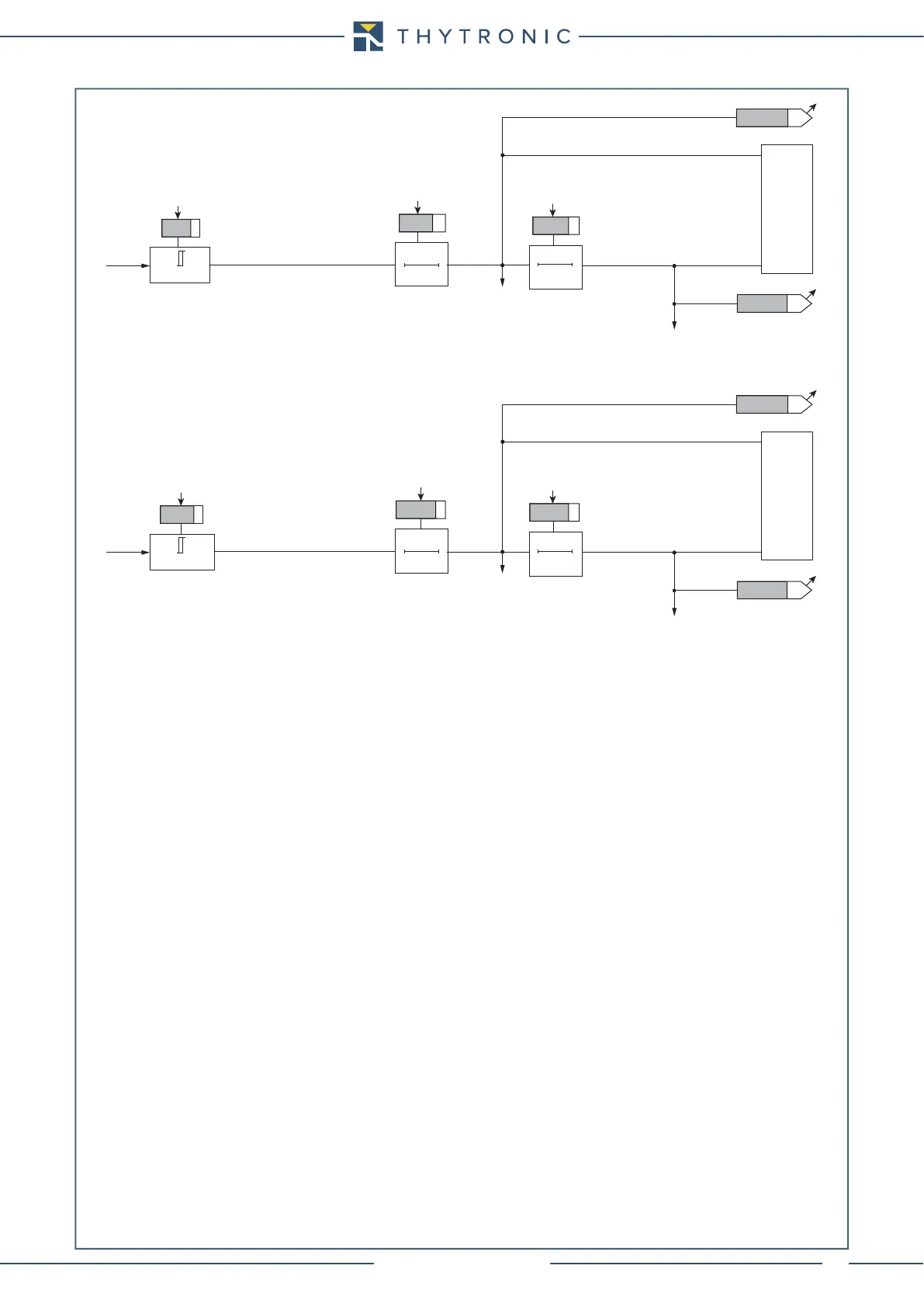
FUNCTION CHARACTERISTICS
32
NA016 - Manual - 05 - 2022
t
>
RES
T0
t
E>RES
I
E
I
E
>
def
t
E
>
def
Fun_50N-51NS1.ai
t
E
>
def
0T
Start IE>
Trip IE>
TRIPPING MATRIX
(LED+RELAYS)
I
E
I
E
>
def
IE>Start relays
IE>Start LEDs
IE>Trip relays
IE>Trip LEDs
t
>>
RES
T0
t
E>>RES
I
E
I
E
>>
def
t
E
>>
def
t
E
>>
def
0T
Start IE>>
Trip IE>>
TRIPPING MATRIX
(LED+RELAYS)
I
E
I
E
>>
def
IE>>Start relays
IE>>Start LEDs
IE>>Trip relays
IE>>Trip LEDs
General logic diagram of the residual overcurrent elements - 50N/51N

Table of Contents

Related product manuals