EasyManua.ls Logo

Thytronic XMR-D - Page 131

Thytronic XMR-D
384 pages
Print Icon
To Next Page IconTo Next Page
To Next Page IconTo Next Page
To Previous Page IconTo Previous Page
To Previous Page IconTo Previous Page
Loading...
FUNCTION CHARACTERISTICS
131
46LTS2.ai
I
2
t
2>>RES
T0
RESET
t
2>>def
0T
1
t
2>>def
t
2>>RES
Start I2>>
Trip I2>>
CB-State
Start I
2ndh>
ONEnable I2>> overcurrent element
(Pickup within CLP)
(Pickup outside CLP)
Block1, Block2
&
T 0
t
2CLP>
&
2nd harmonic restraint enable (ONEnable)
I2>>2ndh-REST
I2CLP>>Mode
I
2
CLP
>
>
def
t
2CLP
>
I
2
I
2
>>
TRIPPING MATRIX
(LED+RELAYS)
A
B
C
A =“1”A =“0 or OFF”
Output
t
2CLP>
I2>> Enable
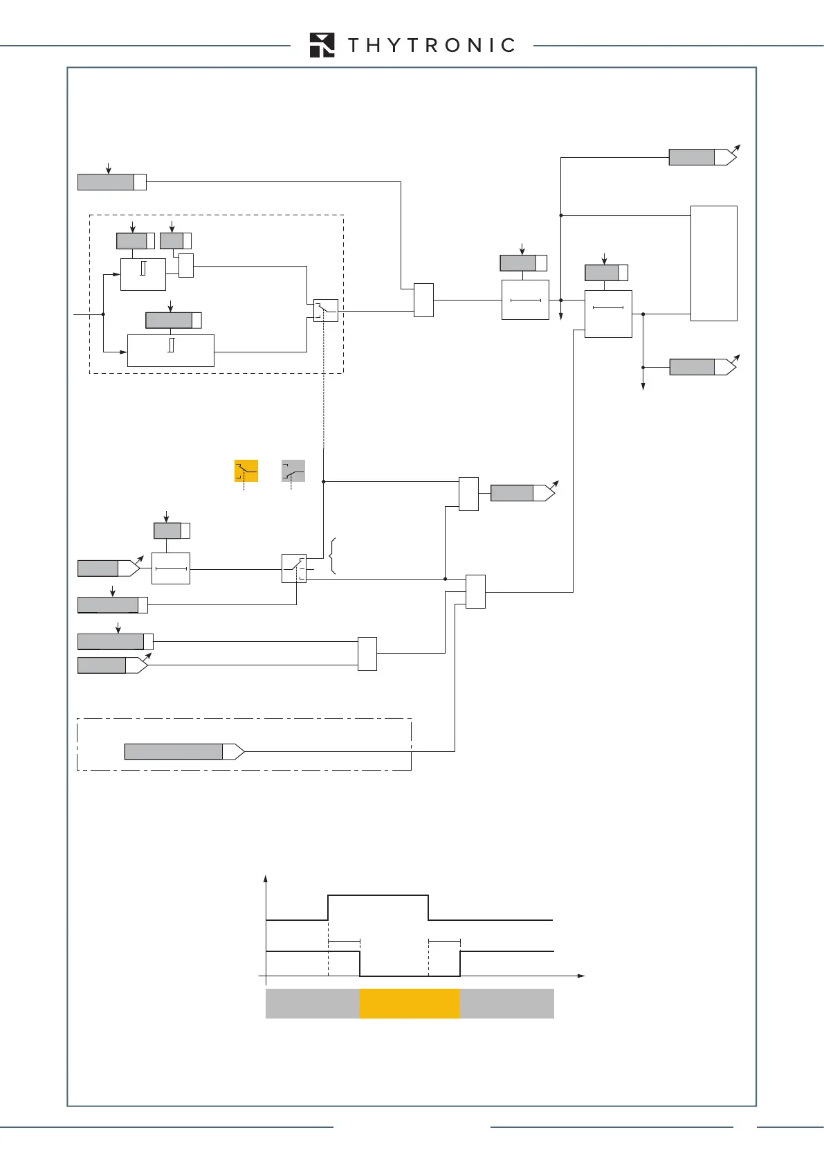
I2>> Negative sequence overcurrent element (46) block diagram
t
2CLP>>
CB State
CB OPEN CB CLOSED CB OPEN
Output t
2CLP>>
t
0.1 s
HIGH THRESHOLD/
BLOCK
LOW THRESHOLD/
UNBLOCK
HIGH THRESHOLD/
BLOCK
A = ON - Change setting
B = OFF
C = ON - Element blocking
I2>>TR-K
I2>>TR-L
I2>>ST-L
I2>>ST-K
1
CLP I2>>
&
State
I
2
I
2
>
def
I
2
>>
def
Negative sequence overcurrent (46LT) - second threshold logic diagram (I2>>)
XMR-D EQUIPMENT MANUAL
Ed. 2.9 - 02/2021

Table of Contents

Related product manuals