EasyManua.ls Logo

Thytronic XMR-D - Page 132

Thytronic XMR-D
384 pages
Print Icon
To Next Page IconTo Next Page
To Next Page IconTo Next Page
To Previous Page IconTo Previous Page
To Previous Page IconTo Previous Page
Loading...
132
FUNCTION CHARACTERISTICS
Pilot wire output
TRIPPING MATRIX
(LED+RELAYS)
ModeBLOUT1
A
B
C
D
BLOUT1
Block2 output
1
t
F-IPh
t
F-IPh/IE
t
F-IE
ST-Iph BLK2
ST-IE BLK2
T0
t
F-IPh/IE
T0
t
F-IPh
T0
t
F-IE
BLK2OUT-Iph
BLK2OUT-Iph/IE
BLK2OUT-IE
A = OFF
B = ON IPh
C = ON IPh/IE
D = ON IE
BLK2OUT-IPh-K
BLK2OUT-IPh-L
BLK2OUT-IPh/IE-K
BLK2OUT-IPh/IE-L
BLK2OUT-IE-K
BLK2OUT-IE-L
Binary input INx
T 0
Logic
INx
t
ON
INx
t
ON
INx
t
OFF
T0
n.o.
n.c.
INx
t
OFF
Binary input INx
T 0
Logic
INx
t
ON
INx
t
ON
INx
t
OFF
T0
n.o.
n.c.
INx
t
OFF
Binary input INx
T 0
Logic
INx
t
ON
INx
t
ON
INx
t
OFF
T0
n.o.
n.c.
INx
t
OFF
Binary input INx
T 0
Logic
INx
t
ON
INx
t
ON
INx
t
OFF
T0
n.o.
n.c.
INx
t
OFF
Block2 IPh
Block2 IPh/IE
ModeBLIN1
T0
t
B-Iph
46LTS2_BL-diagram.ai
1
1
1
1
t
B-Iph
t
B-IE
BLK1I2>>
&
&
BLK2IN I2>>
&
&
Enable (ONEnable)
I2>BLK1
Block2 input enable (ONEnable)
Pilot wire input
&
I2>>BLK2IN
Block1
BLK2IN-Iph
Start I
2
>>
Trip I
2
>>
Iph Block2
IE Block2
BLK2IN-IE
tB timeout
Block2 input
tB-K
tB-L
Block1
FROM GROUND PROTECTIONS
FROM ANY PROTECTIONS
FROM PHASE PROTECTIONS
OFF
ON IPh
ON IPh/IE
ON IE
BLIN1
1
I
E
>> Block2 OUT
I
E
> Block2 OUT
I
E
>>> Block2 OUT
Block1
T0
t
B-IE
Block2 IE
1
Block1, Block2
TRIPPING MATRIX
(LED+RELAYS)
1
1
&
Block2 output
(ONEnable)
I2>>BLK2OUT
Start I
2
>>
1
I> Block2 OUT
I>> Block2 OUT
I>>> Block2 OUT
I
2
> Block2 OUT
I
2
>> Block2 OUT
DthAL1 Block2 OUT
DthAL2 Block2 OUT
Dth Block2 OUT
I
PD
>Block2 OUT
I
PD
>>Block2 OUT
I
PD
>>>Block2 OUT
I
PD
>>>>Block2 OUT
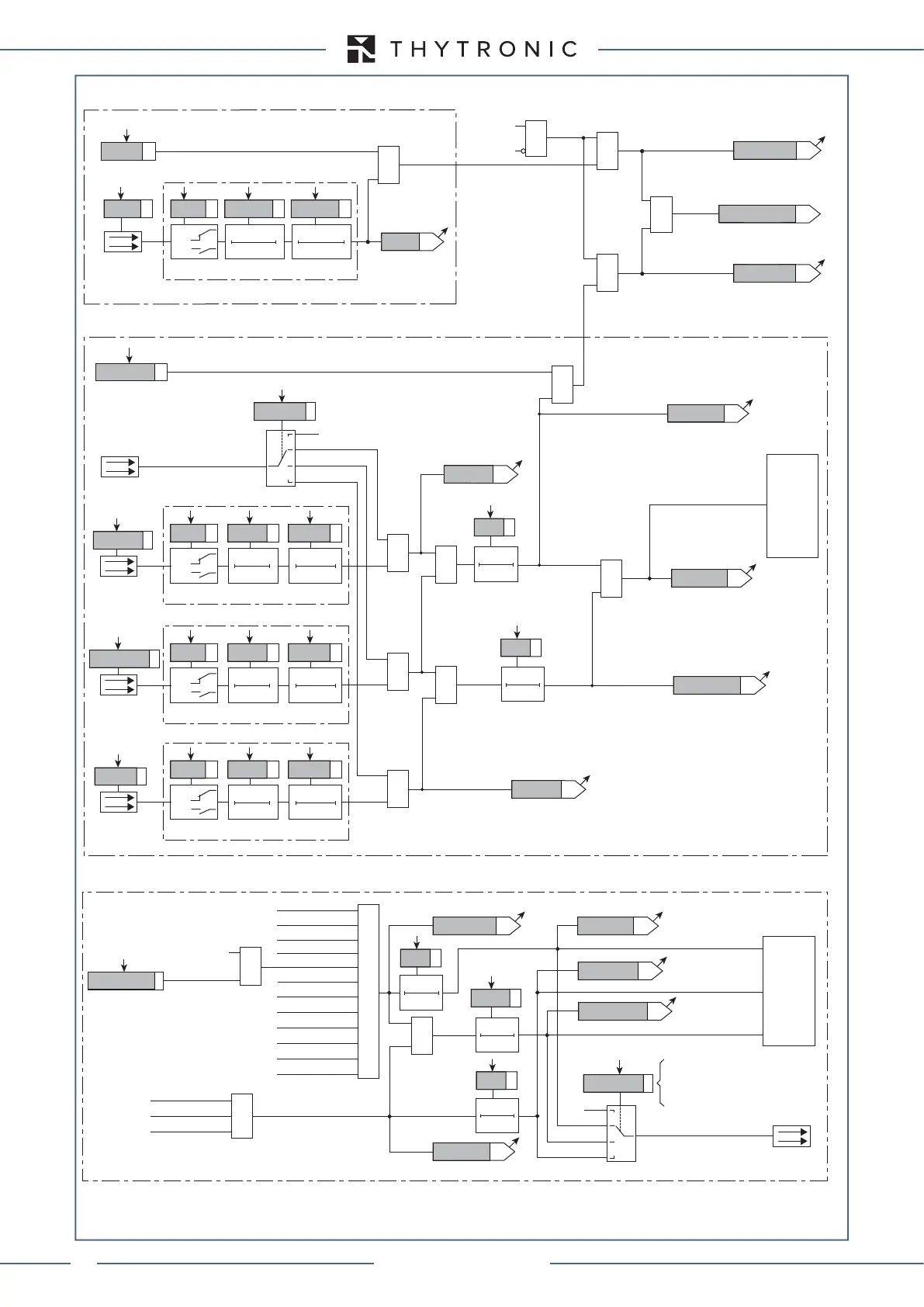
Negative sequence overcurrent (46LT) - Logic diagram of the blocking signals concerning the second element (I2>>)
XMR-D EQUIPMENT MANUAL
Ed. 2.9 - 02/2021

Table of Contents

Related product manuals