EasyManua.ls Logo

Thytronic XMR-D - Page 306

Thytronic XMR-D
384 pages
Print Icon
To Next Page IconTo Next Page
To Next Page IconTo Next Page
To Previous Page IconTo Previous Page
To Previous Page IconTo Previous Page
Loading...
306
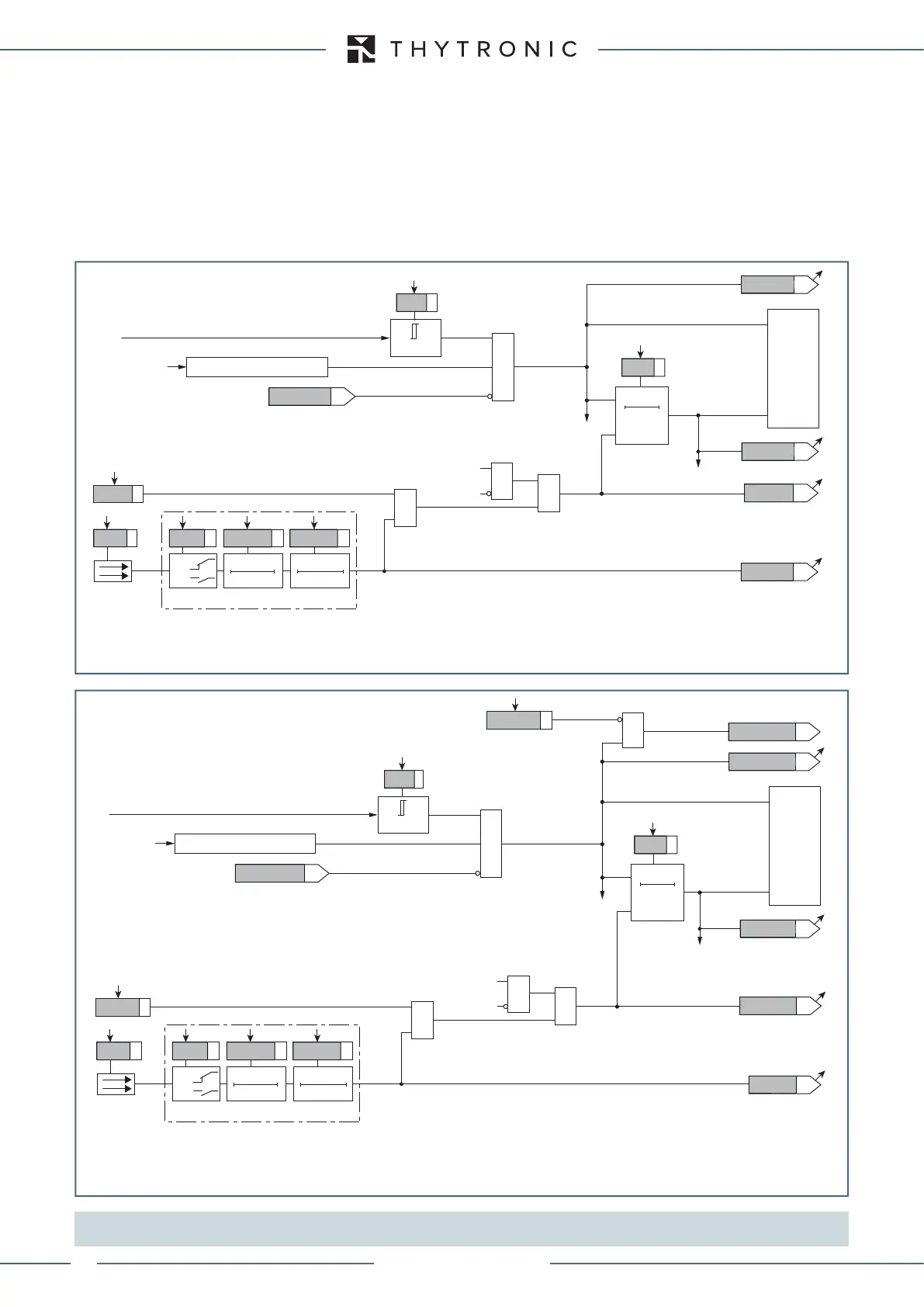
FUNCTION CHARACTERISTICS
For every of the four thresholds the logic block can be set.
Logical block (Block1)
If the f<BLK1, f<<BLK1, f<<<BLK1 and/or f<<<<BLK1 enabling parameters are set to ON
and a binary input is designed for logical block (Block1), the protection is blocked off whenever the
given input is active.
The trip timer is held in reset condition, so the operate time counting starts when the input block goes
down.
[1]
The enabling parameters are available inside the Set \ Profile A (or B) \ Underfrequency -
81U \ f< Element (f<< Element, f<<< Element, f<<<< Element) \ Setpoints menus, while the Block1
function must be assigned to the selected binary input inside the Set \ Board 1(2) inputs \ Binary input
IN1-1...(IN1-x) menus.
Note 1 The exhaustive treatment of the logical block (Block 1) function may be found in the “Logic Block” paragraph inside CONTROL AND MONITOR-
ING section.
Fun-F81U_S1.ai
RESET
t
f<def
0T
TRIPPING MATRIX
(LED+RELAYS)
f<
Start
f<
Start
f<
Trip
f<
Trip
Block1
&
&
&
Enable (ONEnable)
Block1 input (ONBlock)
f<
Block1
Block1
Binary input INx
T 0
Logic
INx
t
ON
INx
t
ON
INx
t
OFF
T0
n.o.
n.c.
INx
t
OFF
t
f<def
f<
ST-K
f<
ST-L
f<
TR-K
f<
TR-L
From 2nd, 3rd and/or 4th element
(ONInhibit)
f<
inhibition
&
f
f
<
def
f
<
def
f
f<BLK1
U
L1
,U
L2
,U
L3
Max (U
L1
,U
L2
,U
L3
) ≥20%U
n
Logic diagram concerning the first threshold (f<) of the underfrequency element - 81U
Fun-F81U_S2.ai
RESET
t
f<<
def
0T
TRIPPING MATRIX
(LED+RELAYS)
t
f<<
def
f<<
Start
f<<
Start
f<<
Trip
f<<
Trip
f<<
Block1
&
&
&
Enable (ONEnable)
From 3rd and/or 4th element
Block1 input (ONBlock)
Block1
Block1
Binary input INx
T 0
Logic
INx
t
ON
INx
t
ON
INx
t
OFF
T0
n.o.
n.c.
INx
t
OFF
&
(ON
Inhibit
)
f<
inhibition
f<disbyf<<
(ONInhibit)
f<<
inhibition
&
f
f
<<
def
f
<<
def
f
f<<
ST-K
f<<
ST-L
f<<
TR-K
f<<
TR-L
f<<BLK1
U
L1
,U
L2
,U
L3
Max (U
L1
,U
L2
,U
L3
) ≥20%U
n
Logic diagram concerning the second threshold (f<<) of the underfrequency element - 81U
XMR-D EQUIPMENT MANUAL
Ed. 2.9 - 02/2021

Table of Contents

Related product manuals