EasyManua.ls Logo

Thytronic XMR-D - Page 307

Thytronic XMR-D
384 pages
Print Icon
To Next Page IconTo Next Page
To Next Page IconTo Next Page
To Previous Page IconTo Previous Page
To Previous Page IconTo Previous Page
Loading...
FUNCTION CHARACTERISTICS
307
RESET
t
f
<<<
def
0T
TRIPPING MATRIX
(LED+RELAYS)
t
f
<<<
def
f<<<
Start
f<<<
Start
f<<<
Trip
f<<<
Trip
f<<<
Block1
&
&
&
Enable (ONEnable)
From 4th element
Block1 input (ONBlock)
Block1
Block1
Binary input INx
T 0
Logic
INx
t
ON
INx
t
ON
INx
t
OFF
T0
n.o.
n.c.
INx
t
OFF
&
(ON
Inhibit
)
f<<
inhibition
f<<disbyf<<<
&
(ON
Inhibit
)
f<
inhibition
f<disbyf<<<
(ONInhibit)
f<<<
inhibition
&
f
f
<<<
def
f
<<<
def
f
Fun-F81U_S3.ai
f<<<
ST-K
f<<<
ST-L
f<<<
TR-K
f<<<
TR-L
f<<<BLK1
U
L1
,U
L2
,U
L3
Max (U
L1
,U
L2
,U
L3
) ≥20%U
n
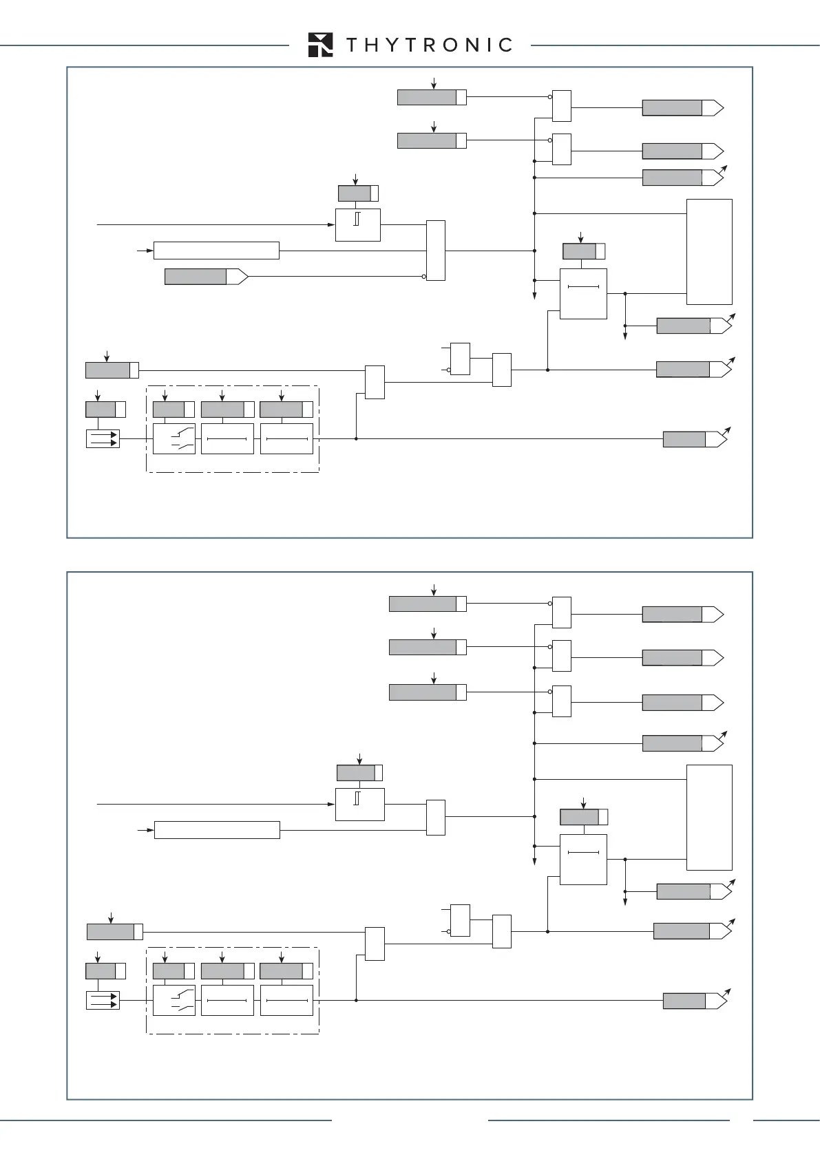
Logic diagram concerning the third threshold (f<<<) of the underfrequency element - 81U
RESET
t
f
<<<<
def
0T
TRIPPING MATRIX
(LED+RELAYS)
t
f
<<<<
def
f<<<<
Start
f<<<<
Start
f<<<<
Trip
f<<<<
Trip
f<<<<
Block1
&
&
&
Enable (ONEnable)
Block1 input (ONBlock)
Block1
Block1
Binary input INx
T 0
Logic
INx
t
ON
INx
t
ON
INx
t
OFF
T0
n.o.
n.c.
INx
t
OFF
&
(ON
Inhibit
)
f<<
inhibition
f<<disbyf<<<<
&
(ON
Inhibit
)
f<<<
inhibition
f<<<disbyf<<<<
&
(ON
Inhibit
)
f<
inhibition
f<disbyf<<<<
&
f
f
<<<<
def
f
<<<<
def
f
Fun-F81U_S4.ai
f<<<<
ST-K
f<<<<
ST-L
f<<<<
TR-K
f<<<<
TR-L
f<<<<BLK1
U
L1
,U
L2
,U
L3
Max (U
L1
,U
L2
,U
L3
) ≥20%U
n
Logic diagram concerning the fourth threshold (f<<<<) of the underfrequency element - 81U
XMR-D EQUIPMENT MANUAL
Ed. 2.9 - 02/2021

Table of Contents

Related product manuals