EasyManua.ls Logo

Thytronic XMR-D - Page 338

Thytronic XMR-D
384 pages
Print Icon
To Next Page IconTo Next Page
To Next Page IconTo Next Page
To Previous Page IconTo Previous Page
To Previous Page IconTo Previous Page
Loading...
338
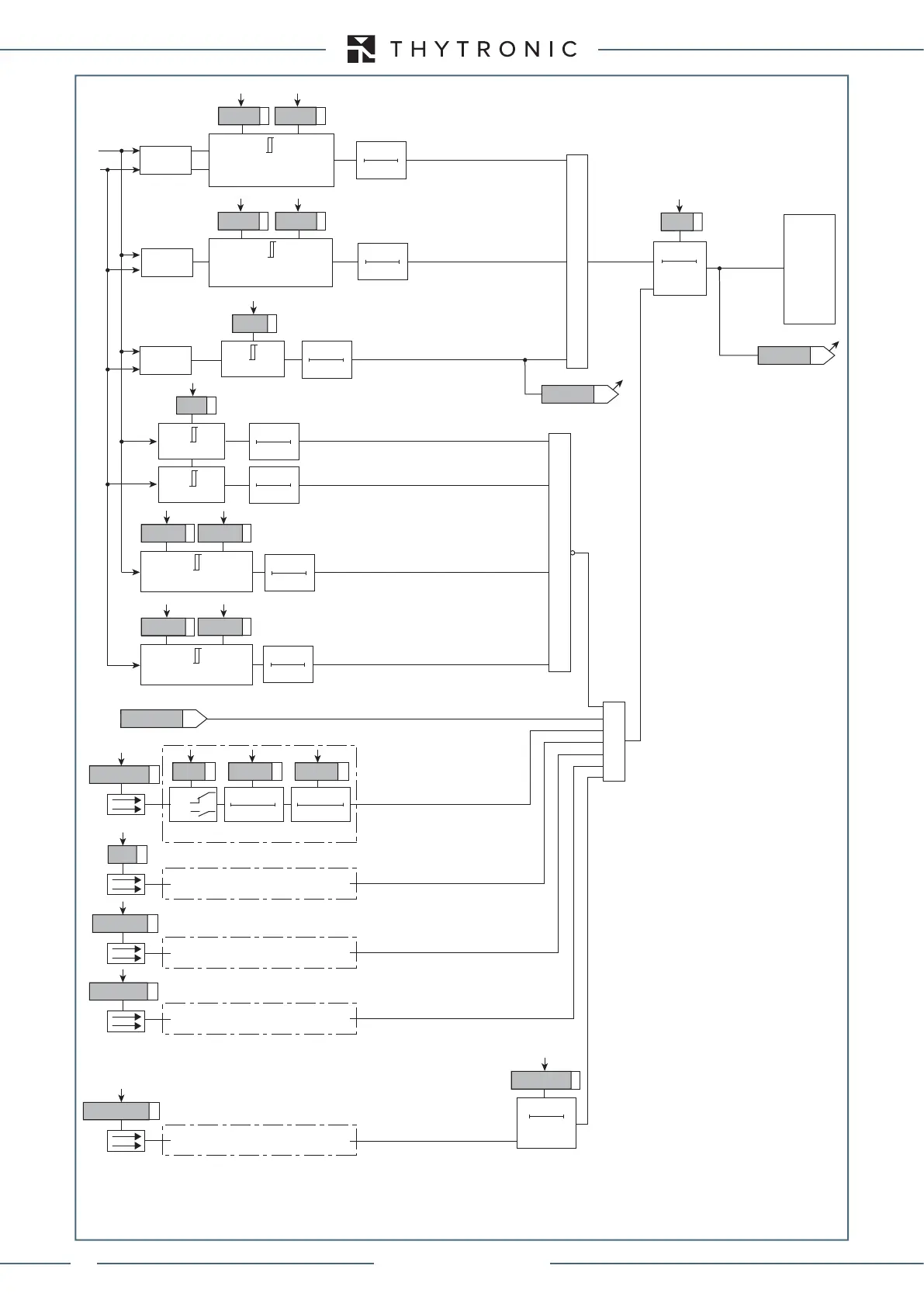
FUNCTION CHARACTERISTICS
Synchrocheck function (25) for syncronous systems (25 logic 0 - live V1 and V2)
RESET
t
SYNC
0T
t
SYNC
f
df
-GRID
df
-GRID
Rof>SYNC
“1” with unstable frequency (
block
)
measure
(V1≥V4)
&
TRIPPING MATRIX
(LED+RELAYS)
Sync
Sync-net
STOP-SYNC
&
V
1
V
4
Binary input INx
T 0
Logic
INx
t
ON
INx
t
ON
INx
t
OFF
T0
n.o.
n.c.
INx
t
OFF
Sync-TR-K
Sync-TR-L
measure
f
measure
V
V
dV
14-SYNC
dV
14-SYNC
dp
14-SYNC
dp
41-SYNC
dV
41-SYNC
(V4≥V1)
V
dV
41-SYNC
“1” with
Stop control ON
52a
Binary input INx
Binary input INx
“1” with Circuit Breaker closed
CB READY
FUSE, MCB
Binary input INx
Binary input INx
“0” with Circuit Breaker
ready
“1” wit
, MCB, fuses trip
START-SYNC
Start sync control
t
STAB
0T
t
STAB
0T
t
STAB
0T
dp
14-SYNC
dp
41-SYNC
t
STAB
0T
t
STAB
0T
timeout-
SYNC
timeout-
SYNC
0T
RESET
f
1
=
f
n
±
f
range
f
range
f
2
=
f
n
±
f
range
t
STAB
0T
t
STAB
0T
1" with ΔV below threshold
1" with
below threshold
1" with
f
below threshold (sync grids)
1" with
f
1
inside the f
n
±
f
range
range
1" with
V
1
inside the
V
min
-
SYNC
and V
max
-
SYNC
range
1" with
V
2
inside the
V
min
-
SYNC
and V
max
-
SYNC
range
1" with
f
2
inside the f
n
±
f
range
range
V
min
-
SYNC
V
min
-
SYNC
V
1
<
V
max
-
SYNC
V
max
-
SYNC
V
min
-
SYNC
V
min
-
SYNC
V
2
<
V
max
-
SYNC
V
max
-
SYNC
XMR-D EQUIPMENT MANUAL
Ed. 2.9 - 02/2021

Table of Contents

Related product manuals