EasyManua.ls Logo

Thytronic XMR-D - Page 339

Thytronic XMR-D
384 pages
Print Icon
To Next Page IconTo Next Page
To Next Page IconTo Next Page
To Previous Page IconTo Previous Page
To Previous Page IconTo Previous Page
Loading...
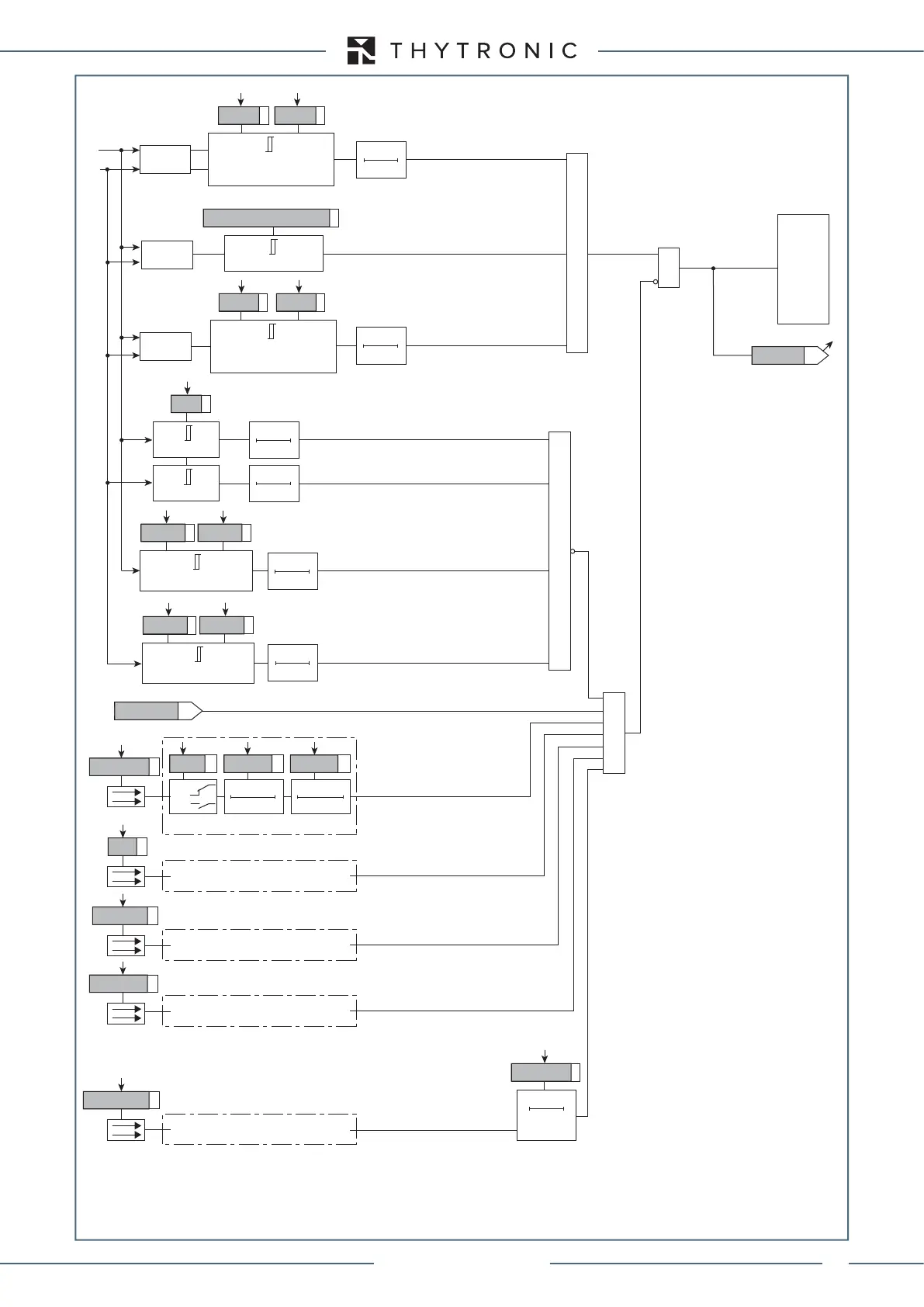
FUNCTION CHARACTERISTICS
339
A
-
A
+
A = 360 ∙ (tCB-CLOSE + tMEAS) ∙ ∆f
Rof>SYNC
measure
&
TRIPPING MATRIX
(LED+RELAYS)
Sync
STOP-SYNC
&
&
Binary input INx
T 0
Logic
INx
t
ON
INx
t
ON
INx
t
OFF
T0
n.o.
n.c.
INx
t
OFF
Sync-TR-K
Sync-TR-L
measure
f
f
-12
df
12-SYNC
df
12-SYNC
df
21-SYNC
f
-21
df
21-SYNC
(f1≥f2)
(f2≥f1)
52a
Binary input INx
Binary input INx
CB READY
FUSE, MCB
Binary input INx
Binary input INx
START-SYNC
t
STAB
0T
t
STAB
0T
t
STAB
0T
timeout-
SYNC
timeout-
SYNC
0T
RESET
t
STAB
0T
t
STAB
0T
(V1≥V2)
V
1
V
4
measure
V
V
dV
12-SYNC
dV
12-SYNC
dV
21-SYNC
(V2≥V1)
V
dV
21-SYNC
t
STAB
0T
f
1
=
f
n
±
f
range
f
range
f
2
=
f
n
±
f
range
V
min
-
SYNC
V
min
-
SYNC
V
1
<
V
max
-
SYNC
V
max
-
SYNC
V
min
-
SYNC
V
min
-
SYNC
V
4
<
V
max
-
SYNC
V
max
-
SYNC
Synchrocheck function (25) for syncronous systems (25 logic 0 - live V1 and V2)
“1” with unstable frequency (
block
)
“1” with
Stop control ON
“1” with Circuit Breaker closed
“0” with Circuit Breaker
ready
“1” wit
, MCB, fuses trip
Start sync control
1" with ΔV below threshold
1" with
below threshold
1" with
f
below threshold
1" with
V
1
inside the
V
min
-
SYNC
and V
max
-
SYNC
range
1" with
V
2
inside the
V
min
-
SYNC
and V
max
-
SYNC
range
1" with
f
1
inside the f
n
±
f
range
range
1" with
f
2
inside the f
n
±
f
range
range
XMR-D EQUIPMENT MANUAL
Ed. 2.9 - 02/2021

Table of Contents

Related product manuals