EasyManua.ls Logo

Thytronic XMR-D - Page 340

Thytronic XMR-D
384 pages
Print Icon
To Next Page IconTo Next Page
To Next Page IconTo Next Page
To Previous Page IconTo Previous Page
To Previous Page IconTo Previous Page
Loading...
340
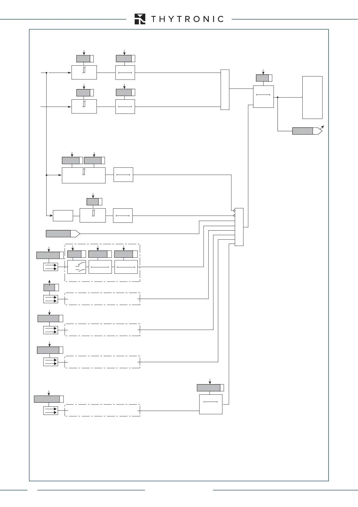
FUNCTION CHARACTERISTICS
“1” with V2 dead
V
2
<
V
2<-SYNC
V
2<-SYNC
RESET
t
SYNC
0T
t
SYNC
t
V1>-SYNC
&
TRIPPING MATRIX
(LED+RELAYS)
Close
STOP-SYNC
V
1
V
4
Binary input INx
T 0
Logic
INx
t
ON
INx
t
ON
INx
t
OFF
T0
n.o.
n.c.
INx
t
OFF
Close-TR-K
Close-TR-L
misura f
52a
Binary input INx
Binary input INx
CB READY
Binary input INx
Binary input INx
START-SYNC
t
STAB
0T
“1” with V1 live
V
1
>
V
2>-SYNC
V
1>-SYNC
t
V1>-SYNC
0T
t
V2<-SYNC
t
V2<-SYNC
0T
FUSE, MCB
t
STAB
0T
timeout-
SYNC
timeout-
SYNC
0T
RESET
Rof>SYNC
f
1
=
f
n
±
f
range
f
range
V
min
-
SYNC
V
min
-
SYNC
V
1
<
V
max
-
SYNC
V
max
-
SYNC
Synchrocheck function (25) for syncronous systems (25 logic 1 - live V1 and dead V2)
“1” with unstable frequency (
block
)
“1” with
Stop control ON
“1” with Circuit Breaker closed
“0” with Circuit Breaker
ready
“1” wit
, MCB, fuses trip
Start sync control
1" with
V
1
inside the
V
min
-
SYNC
and V
max
-
SYNC
range
1" with
f
1
inside the f
n
±
f
range
range
XMR-D EQUIPMENT MANUAL
Ed. 2.9 - 02/2021

Table of Contents

Related product manuals