EasyManua.ls Logo

Thytronic XMR-D - Page 341

Thytronic XMR-D
384 pages
Print Icon
To Next Page IconTo Next Page
To Next Page IconTo Next Page
To Previous Page IconTo Previous Page
To Previous Page IconTo Previous Page
Loading...
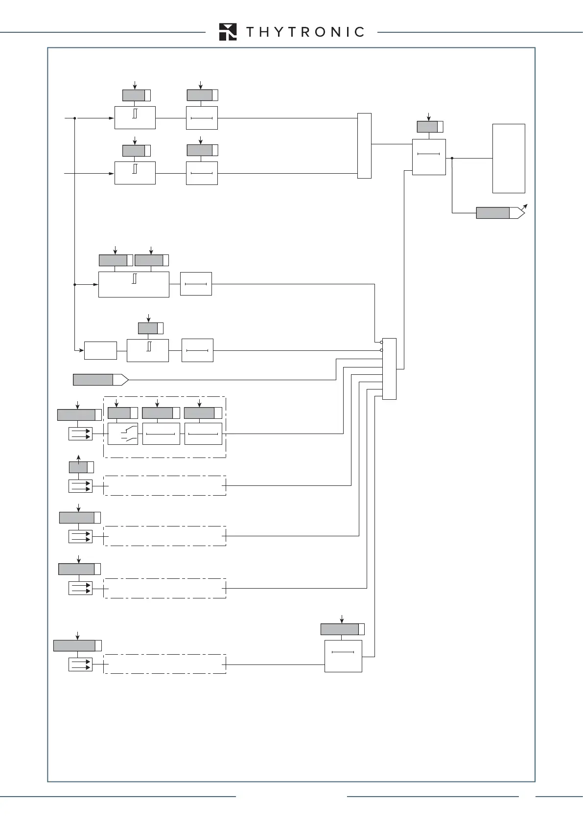
FUNCTION CHARACTERISTICS
341
V
1
<
V
1<-SYNC
V
1<-SYNC
RESET
t-
SYNC
0T
t-
SYNC
t
V2>-SYNC
&
TRIPPING MATRIX
(LED+RELAYS)
Close
STOP-SYNC
V
1
V
2
Binary input INx
T 0
Logic
INx
t
ON
INx
t
ON
INx
t
OFF
T0
n.o.
n.c.
INx
t
OFF
Close-TR-K
Close-TR-L
misura f
52a
Binary input INx
Binary input INx
CB READY
Binary input INx
Binary input INx
START-SYNC
t
STAB
0T
V
2
>
V
2>-SYNC
V
2>-SYNC
t
V2>-SYNC
0T
t
V1<-SYNC
t
V1<-SYNC
0T
FUSE, MCB
t
STAB
0T
timeout-
SYNC
timeout-
SYNC
0T
RESET
Rof>SYNC
f
2
=
f
n
±
f
range
f
range
V
min
-
SYNC
V
min
-
SYNC
V
2
<
V
max
-
SYNC
V
max
-
SYNC
“1” with V1 dead
“1” with V2 live
Synchrocheck function (25) for syncronous systems (25 logic 2 - live V2 and dead V1)
“1” with unstable frequency (
block
)
“1” with
Stop control ON
“1” with Circuit Breaker closed
“0” with Circuit Breaker
ready
“1” wit
, MCB, fuses trip
Start sync control
1" with
V
2
inside the
V
min
-
SYNC
and V
max
-
SYNC
range
1" with
f
2
inside the f
n
±
f
range
range
XMR-D EQUIPMENT MANUAL
Ed. 2.9 - 02/2021

Table of Contents

Related product manuals