EasyManua.ls Logo

Titus FFDE - Unit Wiring Diagrams

Titus FFDE
28 pages
Print Icon
To Next Page IconTo Next Page
To Next Page IconTo Next Page
To Previous Page IconTo Previous Page
To Previous Page IconTo Previous Page
Loading...
21
IOM - FFDE
Redefine your comfort zone. ™ | www.titus-hvac.com
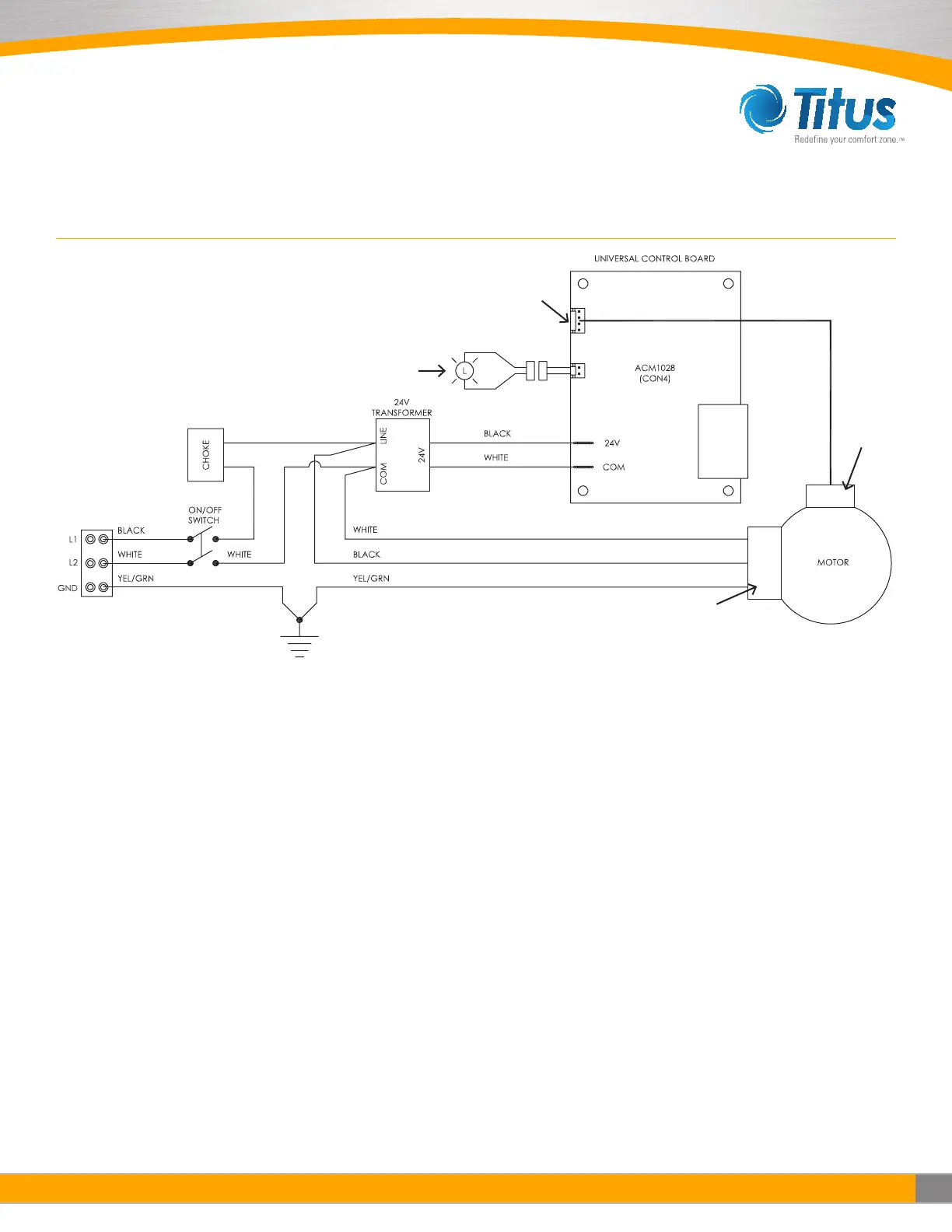
Wiring Diagrams
Universal Card Wiring Diagram
4 pin
Control
Cable
5 pin
Power
Cable
4 Pin MTA
Motor Connector
Remote Run
Indicator LED

Related product manuals