EasyManua.ls Logo

Titus FFDE - Page 23

Titus FFDE
28 pages
Print Icon
To Next Page IconTo Next Page
To Next Page IconTo Next Page
To Previous Page IconTo Previous Page
To Previous Page IconTo Previous Page
Loading...
23
IOM - FFDE
Redefine your comfort zone. ™ | www.titus-hvac.com
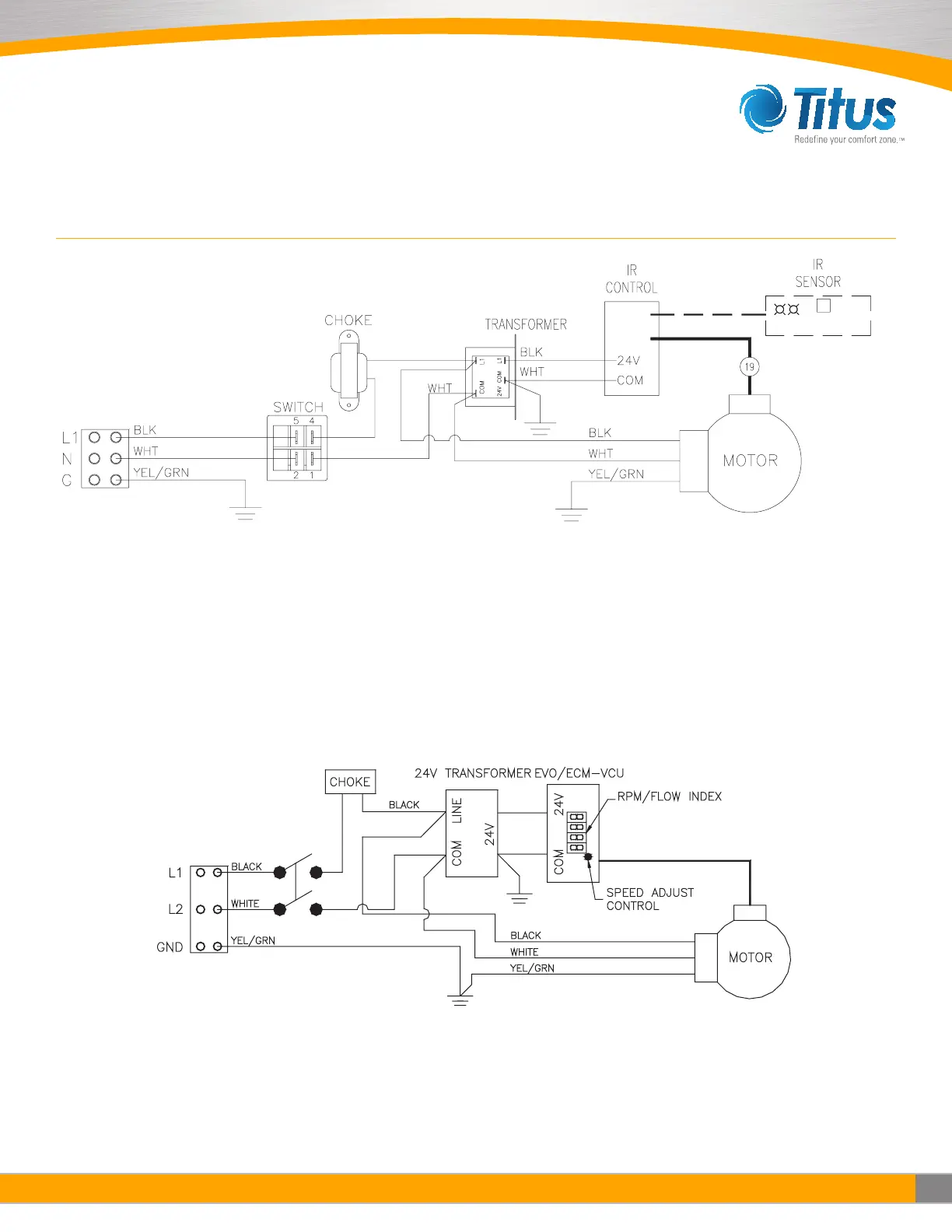
Wiring Diagrams (continued)
Infrared Speed Control
Remote Mounted Visual Control Unit

Related product manuals